Air conditioning not working?

1999 GMC SIERRA
195,000 MILES • 5.3L • V8 • 2WD • AUTOMATIC
Avatar
DAVID WILHITE
  • MEMBER
  • 13 POSTS
Compressor quit, replaced compressor, dryer, clutch cycling switch (low pressure) and manifold hoses on compressor. Pulled vacuum, no leaks,jumped compressor at relay and added Freon. Now compressor will not come on even by jumping. Replaced PCM, still no power. What should I try next? David.
Jun 5, 2020 at 2:57 PM
Advertisement
Avatar
ASEMASTER6371
  • CERTIFIED EXPERT
  • 52,796 POSTS
Good evening,

Do you have a test light to some testing at the relay?

https://www.2carpros.com/articles/how-to-check-an-electrical-relay-and-wiring-control-circuit

We need to see if you have the signals for turning on the compressor.

https://www.2carpros.com/articles/how-to-check-wiring

https://www.2carpros.com/articles/how-to-use-a-test-light-circuit-tester

Roy
Jun 5, 2020 at 3:15 PM
Avatar
DAVID WILHITE
  • MEMBER
  • 13 POSTS
Yes, I have a test light and multi meter. I have tested the relay terminals and what I don't understand I have power to 87, but not 30.I thought it was the other way around. I tested the coil at the compressor and it works, but I can get no power to coil. If I jump 87 to 30 I still have no power to coil.
Jun 5, 2020 at 4:17 PM
Advertisement
Avatar
ASEMASTER6371
  • CERTIFIED EXPERT
  • 52,796 POSTS
Okay, let us start by checking for 2 powers at the relay with the key on.

87 id the wire to the compressor.

30 and 85 should have power.

Roy
Jun 5, 2020 at 4:53 PM
Avatar
DAVID WILHITE
  • MEMBER
  • 13 POSTS
Key on, A/C on power to 85 and 87 none to 30.I did not replace the high pressure switch at rear of compressor.
Jun 5, 2020 at 5:19 PM
Avatar
ASEMASTER6371
  • CERTIFIED EXPERT
  • 52,796 POSTS
Again, you do not have power to 87. That goes directly to the compressor. 30 is the pin that has power, not 87.

Okay, go to the switches on the lines. Check for power to the switches. Let us see if they are getting power.

Roy
Jun 5, 2020 at 5:28 PM
Avatar
DAVID WILHITE
  • MEMBER
  • 13 POSTS
I think the 30 is the lower left pin if I am standing by the left fender and 87 is the upper right pin. Do I have this backwards? regardless, when these two are jumped , it does not engage the clutch. Thanks, Dave.
Jun 5, 2020 at 6:02 PM
Avatar
ASEMASTER6371
  • CERTIFIED EXPERT
  • 52,796 POSTS
30 and 87 jumped should send power to the compressor.

With it jumped, check for power to the connector.

Roy
Jun 5, 2020 at 6:14 PM
Avatar
DAVID WILHITE
  • MEMBER
  • 13 POSTS
Okay, I was wrong on 30/87. I do have power to 30 and if I jump to 87 the clutch engages. With key on I have power to 30 and 85 but with relay in comp still will not come on. (switched relays and no difference.) Is there another source that triggers the relay? Thanks.
Jun 6, 2020 at 9:48 AM
Avatar
ASEMASTER6371
  • CERTIFIED EXPERT
  • 52,796 POSTS
Okay, a couple of posts ago, I told you to check the switches. You need to test for power to the switches. They send a signal to the ECM and when the ECM sees the correct signals, it will ground the load side of the relay and turn on the compressor.

Roy
Jun 6, 2020 at 9:56 AM
Avatar
DAVID WILHITE
  • MEMBER
  • 13 POSTS
low pressure mounted on dryer, 8.3v switch on line going into condenser 10.0. Unable to get to high pressure switch on rear of compressor without removing compressor due to its location.
Jun 6, 2020 at 10:58 AM
Avatar
ASEMASTER6371
  • CERTIFIED EXPERT
  • 52,796 POSTS
Those are way too low. You need to have 12 volts to the switches.

Did you check both sides of the switch on the dryer? Hook up the switch and measure both sides. You will have to pierce the wires.

You need to get to the high pressure switch wiring. You need to check for voltage at and through that switch as well.

Roy

Jun 6, 2020 at 11:08 AM
Avatar
DAVID WILHITE
  • MEMBER
  • 13 POSTS
How do I increase the voltage? Also what is the difference in the different colored high pressure switches that are in the back of the compressor? Mine is light blue with an oblong female connector and all I can find have round female connector. Will a different color work? Thanks.
Jun 6, 2020 at 4:25 PM
Avatar
ASEMASTER6371
  • CERTIFIED EXPERT
  • 52,796 POSTS
No, they need to be the same if it has to be replaced.

What are the voltages?

The control head controls those voltages.

Can you recheck those voltages?

Roy
Jun 6, 2020 at 4:36 PM
Avatar
DAVID WILHITE
  • MEMBER
  • 13 POSTS
First thanks for the quick reply's. Is the control head the same as the A/C module located in the dash, if so I have one on the way that is a refurbished and guaranteed for life. So far I have been unable to find a light blue high pressure switch that is like mine.
Jun 6, 2020 at 4:57 PM
Avatar
ASEMASTER6371
  • CERTIFIED EXPERT
  • 52,796 POSTS
Okay, why are you replacing the high-pressure switch? It does not make sense unless you have checked the voltage on both sides?

You need the proper voltage for it to work.

Roy
Jun 7, 2020 at 4:38 AM
Avatar
DAVID WILHITE
  • MEMBER
  • 13 POSTS
Just received new (rebuilt) ac controller. Disconnected battery installed controller, a 5 minute job and the battery was completely dead. Hooked up charger and there is a very loud buzzing coming from the device on the lower left of dash. Battery is near new and will not take charge when hooked up to car. What is this alum looking thing that is just by the park brake It seems there must be a very strong short.
Jun 8, 2020 at 11:55 AM
Avatar
ASEMASTER6371
  • CERTIFIED EXPERT
  • 52,796 POSTS
I would either remove the battery and have it charged or get a new one under warranty.

Roy
Jun 8, 2020 at 12:18 PM
Avatar
DAVID WILHITE
  • MEMBER
  • 13 POSTS
The battery is near new and was filly charged before I installed the ac controller. I removed the controller and with charger hooked up the buzzing starts. What is this alum looking thing?
Jun 8, 2020 at 1:09 PM
Avatar
ASEMASTER6371
  • CERTIFIED EXPERT
  • 52,796 POSTS
Can you attach a picture?

Most likely from low voltage. You need to charge it to the full voltage of 12.6 volts.

Roy
Jun 8, 2020 at 1:20 PM
Avatar
DAVID WILHITE
  • MEMBER
  • 13 POSTS
It was low voltage, but I don't understand how a good battery could go completely dead in 10 minutes. I have now replaced compressor. dryer, manifold lines from compressor, low pressure switch at dryer, ECM and A/C control module in dash and still the compressor will not come on. It will with a jump at the relay. It is fully charged 30/195. What next? Thanks, Dave.
Jun 8, 2020 at 5:17 PM
Avatar
ASEMASTER6371
  • CERTIFIED EXPERT
  • 52,796 POSTS
Did you charge the battery back to full charge?

Roy
Jun 8, 2020 at 5:27 PM
Avatar
DAVID WILHITE
  • MEMBER
  • 13 POSTS
Yes, it was the security which now the lights blinks most of the time. I will try to get new volt readings now that the new module is in.
Jun 9, 2020 at 8:31 AM
Avatar
ASEMASTER6371
  • CERTIFIED EXPERT
  • 52,796 POSTS
Okay, good. Keep me updated with the results?

Roy
Jun 9, 2020 at 8:35 AM
Avatar
DAVID WILHITE
  • MEMBER
  • 13 POSTS
Sorry for delay, but just removed comp and high pressure switch in rear. There was a bent male prong in switch and no connection . I went ahead and replaced all three pressure switches, re-installed comp, pulled vacuum and no leaks. Added one 12 oz can and compressor came on pressures are 34 low and 250 high. Temp is 85 vents are cold. I read that this truck needs 30 oz, should I add more and are these pressures okay? Thanks.
Jun 13, 2020 at 12:14 PM
Avatar
ASEMASTER6371
  • CERTIFIED EXPERT
  • 52,796 POSTS
The low pressure is a little high. It should be 30 tops and rock solid.

As long as it is cold at the vents, you are good.

Do not install more Freon. That will overcharge it and cause it not to blow cold air.

Roy
Jun 13, 2020 at 12:24 PM
Avatar
CINDYDENMARK
  • MEMBER
  • 2 POSTS
Getting hot air regardless if A/C is on or just fan or outside air or inside air. Temperature control and be on cold and the air is hot, if on hot then air is hotter. Not sure if a control issue, air actuator issue, thermostat. Any suggestions would be appreciated. Compressor is working and Freon seems good.
Dec 18, 2020 at 9:47 AM (Merged)
Avatar
CADIEMAN
  • CERTIFIED EXPERT
  • 3,544 POSTS
is the AC clutch engaging? If not you will need to check the Freon level is maybe why the clutch isnt engaging. This guide and video can help as well

https://www.2carpros.com/articles/car-air-conditioner-not-working-or-is-weak

and

https://youtu.be/4UjfQKvrB6Y

Let us know what happens and please upload pictures or videos of the problem.
Dec 18, 2020 at 9:47 AM (Merged)
Avatar
CINDYDENMARK
  • MEMBER
  • 2 POSTS
Thanks for the guide and video the system was low on charge, I got a kit from autozone blows nice and cold now :)
Dec 18, 2020 at 9:47 AM (Merged)
Avatar
CJ MEDEVAC
  • CERTIFIED EXPERT
  • 11,004 POSTS
Nice work, we are here to help, please use 2CarPros anytime.
Dec 18, 2020 at 9:47 AM (Merged)
Avatar
JOSE RICARDO KIKI GONZALEZ
  • MEMBER
  • 3 POSTS
K2500. not sure if this the problem but on the climate control A/C button it doesn't light. So the compressor to HVAC doesn't turn on. Only blows hot air. Not sure what I can check or is it something else. Just need advice.
Dec 18, 2020 at 9:47 AM (Merged)
Avatar
ASEMASTER6371
  • CERTIFIED EXPERT
  • 52,796 POSTS
Good afternoon,

Do you have gauges to check the pressures on the high and low sides?

https://www.2carpros.com/articles/car-air-conditioner-not-working-or-is-weak

Did you check all the fuses for power on both sides?

Roy
Dec 18, 2020 at 9:47 AM (Merged)
Avatar
JOSE RICARDO KIKI GONZALEZ
  • MEMBER
  • 3 POSTS
I already checked the gauges also tried to add Freon just wanting to let you know. At first it only was blowing below but corrected that. As for the gauges to check the pressure I don't have one personally yet.
Dec 18, 2020 at 9:47 AM (Merged)
Avatar
ASEMASTER6371
  • CERTIFIED EXPERT
  • 52,796 POSTS
You checked the gauges but you don't have gauges to check?

Please explain? What were the pressures?

Roy
Dec 18, 2020 at 9:47 AM (Merged)
Avatar
JOSE RICARDO KIKI GONZALEZ
  • MEMBER
  • 3 POSTS
Sorry, I meant I check the fuses.
Dec 18, 2020 at 9:47 AM (Merged)
Avatar
ASEMASTER6371
  • CERTIFIED EXPERT
  • 52,796 POSTS
Did you check for power at the fuses with a test light?

Can you give me numbers on the gauges? I need this information to help you.

Roy
Dec 18, 2020 at 9:47 AM (Merged)
Avatar
CORNGOLD3
  • MEMBER
  • 2 POSTS
Truck listed above is a C1500. When I push the A/C button the clutch assembly does not engage to turn the compressor on. I have ran a wire from the positive terminal to the A/C harness and the clutch then engages. I replace the low pressure/cutoff switch on the accumulator but it still does not work. I have a new compressor, accumulator, any idea what's going on with this unit?
Dec 18, 2020 at 9:47 AM (Merged)
Avatar
94 TRANSAM
  • CERTIFIED EXPERT
  • 680 POSTS
I would start with the A/C clutch relay.

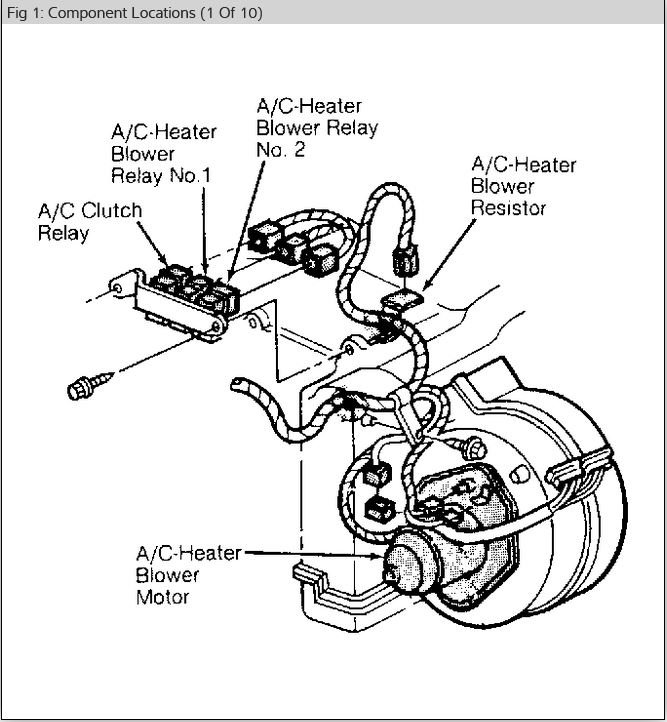
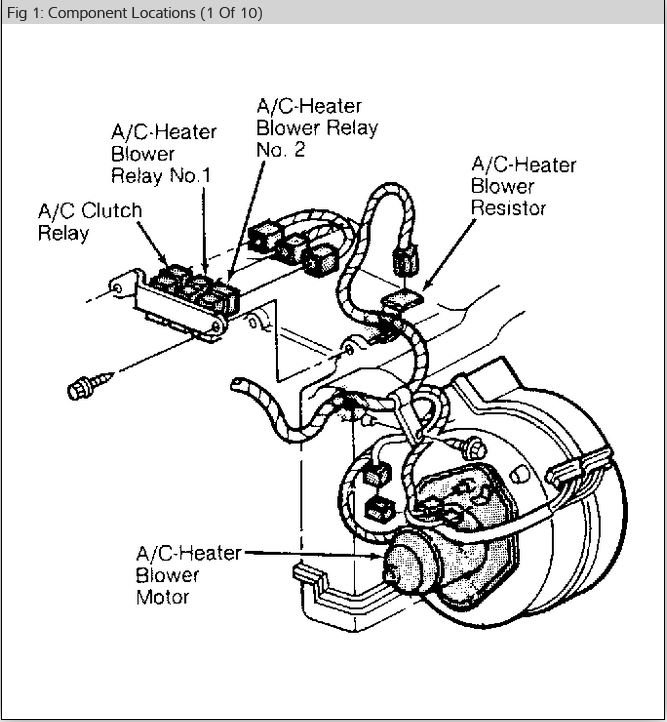
Location is behind the right side of the dash sitting on top of the air-box. See diagram below.

Make sure you check the fuse and confirm voltage to the relay.

Confirm you have a good ground at the clutch winding.

Wiring diagram below also.

Also check the charge level. If it is too low the clutch will not engage.

https://www.2carpros.com/articles/car-air-conditioner-not-working-or-is-weak

https://www.2carpros.com/articles/air-conditioner-how-to-add-freon

Rich
Dec 18, 2020 at 9:47 AM (Merged)
Avatar
CORNGOLD3
  • MEMBER
  • 2 POSTS
Hello 94 TransAm, I pull the relay pack out and verified all 3 of the relays and they all checked out good, I even swapped the A/C clutch relay with the other 2 relays and the compressor clutch still will not pull in. I jumped the A/C control switch on the accumulator out to see if that was the trouble but it still did not pull in. I pulled the relays off and verified that they were operating correctly by applying 12 volts to pins 30 and 87(?) and I heard the relay exercise(all 3) I measure the resistance between 85 and 86 and all 3 produced 74-75 ohms. What would you recommend I do next?
Dec 18, 2020 at 9:47 AM (Merged)
Avatar
94 TRANSAM
  • CERTIFIED EXPERT
  • 680 POSTS
Just because you hear a click from a relay doesn't mean its working. The click is the electromagnet pulling in the contact for the load circuit. Over time that contact gets charred and burnt and will no longer pass current. This is more common in a bad relay than to not hear the click. When testing relays you need to first put 12v to the trigger side and see if it does click. Then you need to leave it plugged in, trigger the relay and check the output voltage on the relay. If you do this unplugged you may read 12v no load but that burnt contact will pass voltage but not current. Thus it will read 12v free but under load it may read .03v for example.

You should always test relays in circuit.
You should also confirm you have 12v on the feed circuit for the load circuit. If there is an issue before the relay it's obviously not going to work.

Also, all the switches in the system are tied together, so as I said before you need to put a gauge on it and check the charge level. Too much gas or not enough will kill the clutch circuit. You need to confirm the charge is correct. You could be doing all this testing over it needs gas or its over charged.

Let me know what you find.

Rich
Dec 18, 2020 at 9:47 AM (Merged)
Avatar
ADELEKRISTINA
  • MEMBER
  • 1 POST
My ac is blowing but not getting cool. I have been told I can try getting it a recharge but that there could be complications in that because it may need to be converted from r12 to 134a. I don't know if my truck is r12 currently or not though. So i need to know how i can find that out and once I know that, what would be the next best step to take to get my air blowing cool. I t worked just fine last year, so I dont know when or why it's not working this summer.
Jan 11, 2021 at 9:29 AM (Merged)