Engine misfire

2005 BUICK ALLURE
146,000 MILES • 3.8L • 6 CYL
Avatar
JEFF SORDYL
  • MEMBER
  • 53 POSTS
Replaced all plugs and wires and ignition coils. Replaced brake booster hose and valve. Ran better for a short time. But if I turn the wheel to fast the engine wants to stall. In neutral it idles fine but when I put in drive I can feel the engine dragging. New water pump, belt tensioner and power steering pump. The A/C compressor sounds strange and sometimes makes rapid tapping noise for a few seconds? Any help would be greatly appreciated.
Jan 14, 2020 at 2:03 PM
Advertisement
Avatar
JACOBANDNICKOLAS
  • CERTIFIED EXPERT
  • 110,175 POSTS
Hi,

It sounds like you have either a vacuum leak or there is an issue with the idle air control valve (IAC). The IAC is responsible for maintaining idle speed. When you put it in gear or turn the AC on, do the RPM drop?

First, and I have a feeling you may have already done this because of the brake booster replacement, check for engine vacuum leaks.

Here is a link that explains how that is done:

https://www.2carpros.com/articles/how-to-use-an-engine-vacuum-gauge

Next, here are two links. One explains how to service the IAC and the other how to replace one. The IAC is located on the throttle body.

https://www.2carpros.com/articles/idle-air-control-valve-service

https://www.2carpros.com/articles/how-to-replace-an-idle-speed-control-motor-iac

If the check engine light is staying on when the engine is running, you really should have the computer scanned to retrieve diagnostic trouble codes that will help identify where the problem is coming from. Here is a quick video showing how that is done:

https://youtu.be/YV3TRZwer8k

I realize most people don't own a scanner, but most parts stores will do it free of charge or lend/rent a scanner to you.

Let me know if any of this helps or if you have other questions.

Take care,
Joe
Jan 14, 2020 at 7:46 PM
Avatar
JEFF SORDYL
  • MEMBER
  • 53 POSTS
I think I have to buy a new throttle body, because this one on my car can't be repaired. It's a sealed unit made to not be repairable. But I'm sure it's cheaper than an A/C. clutch unit. I'll try this first. Thanks
Jan 14, 2020 at 9:17 PM
Advertisement
Avatar
JACOBANDNICKOLAS
  • CERTIFIED EXPERT
  • 110,175 POSTS
Hi,

Before you replace it, try cleaning the present one. Here are the directions from Alldata:

2005 Buick Allure (CANADA) V6-3.8L
Throttle Body Cleaning Procedure
Vehicle Powertrain Management Fuel Delivery and Air Induction Throttle Body Service and Repair Procedures Throttle Body Cleaning Procedure
THROTTLE BODY CLEANING PROCEDURE
THROTTLE BODY CLEANING PROCEDURE

REMOVAL PROCEDURE
1. Disconnect the air intake ducts from the throttle body.

CAUTION: Turn OFF the ignition before inserting fingers into the throttle bore. Unexpected movement of the throttle blade could cause personal injury.

2. Inspect the throttle body bore and the throttle valve plate for any deposits. It is necessary to open the throttle valve in order to inspect all of the surfaces.
3. Clean the throttle body bore and the throttle valve plate by using a clean shop towel with Top Engine Cleaner, GM P/N 1052626 (Canadian P/N 993026) or AC-Delco Carburetor Tune-Up Conditioner, P/N X66-P, or an equivalent product.

NOTE: Do not use any solvent that contains Methyl Ethyl Ketone (MEK). This solvent may damage fuel system components.

INSTALLATION PROCEDURE
1. Connect the air intake ducts to the throttle body.
2. Inspect for air leaks.

________________________________________

Let me know if that helps. Also, let me know if you checked for vacuum leaks.

Take care,
Joe
Jan 16, 2020 at 3:48 PM
Avatar
JEFF SORDYL
  • MEMBER
  • 53 POSTS
I cleaned the throttle body very good. Can't find any more vacuum leaks. I wonder if when I unhooked the battery for a while if it messed up the programming? Down the road the engine is strong. Just putting in drive it drops rpm's or when stopped at light.
Jan 16, 2020 at 5:31 PM
Avatar
JACOBANDNICKOLAS
  • CERTIFIED EXPERT
  • 110,175 POSTS
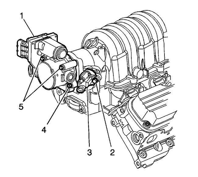
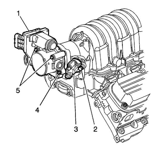
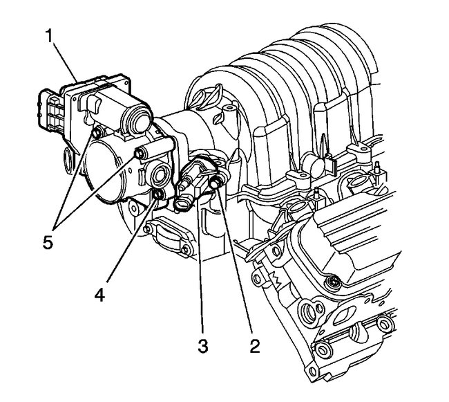
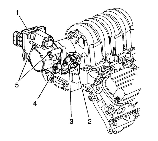
If you cleaned the throttle body and there are no leaks, my first suspect is the IAC. However, on this vehicle, there isn't an IAC at least in the true definition of an IAC. In this case, there is a throttle actuator control module. I attached a picture of its location.

Let me know if you have checked wiring and connections there.

Joe
Jan 16, 2020 at 6:07 PM
Avatar
JEFF SORDYL
  • MEMBER
  • 53 POSTS
Could a failing alternator cause a random misfire? Lights are dimming up and down when I use power windows and new battery charge is low?
Jan 17, 2020 at 6:39 PM
Avatar
JACOBANDNICKOLAS
  • CERTIFIED EXPERT
  • 110,175 POSTS
Hi,

Yes, low voltage can lead to a misfire along with other issues. Here is a link that explains how to test the alternator. Check to make sure it is producing enough power.

https://www.2carpros.com/articles/how-to-check-a-car-alternator

Let me know what you find.

Joe

Jan 17, 2020 at 9:23 PM
Avatar
JEFF SORDYL
  • MEMBER
  • 53 POSTS
I purchased a new alternator (original was going bad) started up strong and started charging right up to 14.3 volts and the lights stopped flickering. The idle is much better now. Sounds like it's a little loaded up, but I think it will clear up after driving a little. Check engine light finally went out! Thanks again for your help! 2CarPros rock!
Jan 23, 2020 at 10:34 PM
Avatar
JACOBANDNICKOLAS
  • CERTIFIED EXPERT
  • 110,175 POSTS
Happy to hear you got it fixed, and you are very welcome. Let us know if you need help in the future or ever have questions. We'll be here.

Take care,
Joe
Jan 24, 2020 at 8:59 PM
Avatar
JEFF SORDYL
  • MEMBER
  • 53 POSTS
Well my check engine light came back on. New alternator makes a difference but still have rough idle? Do you have a vacuum diagram for my car? Also I'm going to take the serpentine belt off and see if idle smooths out (to check A/C compressor for dragging). Also when I use the electric window switch the lights go a little dim. Seems like a heavy draw on electrical system.
Jan 25, 2020 at 7:16 PM
Avatar
JACOBANDNICKOLAS
  • CERTIFIED EXPERT
  • 110,175 POSTS
Hi,

If the lights only slightly dim, I wouldn't be too concerned. It isn't uncommon. As far as vacuum diagrams, I attached the three schematics I have. Let me know if they help.

Let me know what happens when you take the belt off.

Take care,
Joe
Jan 25, 2020 at 7:31 PM
Avatar
JEFF SORDYL
  • MEMBER
  • 53 POSTS
Took the belt off and it wasn't dragging. But in a few minutes the idle was better then back to rough idle. Cannot find any vacuum leaks so I'm guessing it's going to the idle air control in the throttle body. It's non repairable sealed unit so I'm going to buy a new throttle body. I can't find anything else. Kind of expensive about $180.00 on Amazon in a few weeks. Unable to find a used one at the junk yards? Not sure what else I can do?
Jan 26, 2020 at 3:25 AM
Avatar
JACOBANDNICKOLAS
  • CERTIFIED EXPERT
  • 110,175 POSTS
Rather than making the purchase at this point, can you get your hands on a live data scanner and let me know what both the short term and long term fuel trims are? If you can get that, I can tell if there is a problem with low fuel pressure, vacuum leak, faulty pressure regulator and so on. Also, you mentioned that the check engine light is back on. What code is present?

I would feel better knowing the code and the fuel trims before having you spend the money and replacing the TB. If, however, you chose to replace it first, here are the directions. The attached pics correlate with the directions.
________________________________________________________________
2005 Buick Allure (CANADA) V6-3.8L
Throttle Body Assembly Replacement
Vehicle Powertrain Management Fuel Delivery and Air Induction Throttle Body Service and Repair Procedures Throttle Body Assembly Replacement
THROTTLE BODY ASSEMBLY REPLACEMENT
THROTTLE BODY ASSEMBLY REPLACEMENT

REMOVAL PROCEDURE


pic 1

1. Partially drain the cooling system. Refer to Draining and Filling Cooling System.
2. Remove the fuel injector sight shield.
3. Remove the air cleaner intake duct.
4. Disconnect the throttle body electrical connector.
5. Remove the throttle body nuts (4) and the bolts (5).
6. Remove the throttle body assembly (1).
7. Clean the throttle body gasket mating surfaces.

NOTE: Do not use solvent of any type when cleaning the gasket surfaces on the intake manifold and the throttle body assembly, as damage to the gasket surfaces and throttle body assembly may result.

Use care in cleaning the gasket surfaces on the intake manifold and the throttle body assembly, as sharp tools may damage the gasket surfaces.

INSTALLATION PROCEDURE


pic 2

1. Install the new gasket.
2. Install the throttle body assembly (1).
3. Install the throttle body bolts (5) and the nuts (4).

NOTE: Refer to Fastener Notice in Service Precautions.

Tighten the bolts and the nuts to 10 N.m (89 lb in).

4. Connect the throttle body electrical connector.
5. Install the air cleaner intake duct.
6. Install the fuel injector sight shield.
7. Fill the cooling system. Refer to Draining and Filling Cooling System.

__________________________________
Let me know.

Joe
Jan 26, 2020 at 5:22 PM
Avatar
JEFF SORDYL
  • MEMBER
  • 53 POSTS
Had car hooked up to a Snap On computer (OMG I want one) only code was misfire. They said fuel trim wasn't a problem. I'm going to rent a block tester kit to make sure engine is good and new head gaskets aren't messed up or cracked block. Would a timing belt cause misfire? I'm about ready to get rid of this car but I have too much money in it.
Jan 28, 2020 at 3:21 PM
Avatar
JACOBANDNICKOLAS
  • CERTIFIED EXPERT
  • 110,175 POSTS
That's the best of the best. LOL Those are the tools needed when you do it every day.

As far as the misfire, was it one specific cylinder or a random misfire (P0300)? Are you certain there are no vacuum leaks at the intake manifold itself?

As far as the car, they are good vehicles, but everything gets old. I have an 2005 A4 that I love, but it's getting to that point. Two heater core hoses (approximately 18" long small rubber hose, cost 198.00, and I get to put them on. UGH!!! LOL You vehicle's heater hoses would be under twenty dollars in parts. I'll trade you. LOL

Let me know.

Joe
Jan 28, 2020 at 7:41 PM
Avatar
JEFF SORDYL
  • MEMBER
  • 53 POSTS
The code was P0300 random. I will spray carburetor cleaner around the intake again very slow. Driving down the road and even putting the pedal to the floor the car runs great. It just doesn't want to adjust the idle? Years back you could fix this problem pretty fast with a screwdriver. I have new lower intake gaskets and a new plenum gasket torqued to specs. I'm missing something? I'll let you know. Thanks again!
Jan 28, 2020 at 9:22 PM
Avatar
STEVE W.
  • CERTIFIED EXPERT
  • 15,113 POSTS
Don't forget the hidden vacuum leaks. IE brake boosters, EVAP purge valves.
Jan 29, 2020 at 6:10 PM
Avatar
JEFF SORDYL
  • MEMBER
  • 53 POSTS
I checked again and can't find a leak. But the strange thing is when I replaced the power booster vacuum hose and check valve it ran perfect for a few hours. Triple checked the hose and fitting seal and there all good?
Jan 30, 2020 at 7:37 PM
Avatar
JACOBANDNICKOLAS
  • CERTIFIED EXPERT
  • 110,175 POSTS
Were the booster hose and check valve both new?
Jan 30, 2020 at 8:06 PM
Avatar
JEFF SORDYL
  • MEMBER
  • 53 POSTS
I was checking a few other spots and when I sprayed around the EGR metal hose, coming from the intake to the EGR has one bolt and a oblong thick washer and at the bottom of the clamp it should be flush but it has a very small slit that when I spray carburetor cleaner the car almost stalls. I might have bent it when changing the head gaskets. Can I try high temperature RTV around the opening of I can't get it flush or permatex high temp gasket maker? Thanks again.
Jan 30, 2020 at 8:33 PM
Avatar
JEFF SORDYL
  • MEMBER
  • 53 POSTS
Do you sell t-shirts or hats? I'd be happy to advertise for the company!
Jan 30, 2020 at 8:55 PM
Avatar
JACOBANDNICKOLAS
  • CERTIFIED EXPERT
  • 110,175 POSTS
Jeff,

I will send your request to the owner. He is a really nice person. If he has something, he'll take care of you.

Take care of yourself.

Joe
Jan 31, 2020 at 6:50 PM
Avatar
STRAILER
  • CERTIFIED EXPERT
  • 53,855 POSTS
HI Jeff,

We do not sell t shirts, but sometimes we do give them away please PM me with your size and shipping address and I will send one out to you. :)

Ken
Feb 1, 2020 at 10:47 AM
Avatar
JEFF SORDYL
  • MEMBER
  • 53 POSTS
Wow, that would be great! Wouldn't mind doing a little advertising for you. Your mechanics are really good! Thank you 2CarPros.com. I still can't believe your service is free. I would have had to pay to use other sites. Thanks again.
Feb 1, 2020 at 11:08 AM
Avatar
JACOBANDNICKOLAS
  • CERTIFIED EXPERT
  • 110,175 POSTS
I told you he was a great guy. Hope you enjoy it!!!

Joe
Feb 1, 2020 at 8:07 PM
Avatar
JEFF SORDYL
  • MEMBER
  • 53 POSTS
Now my car has a P0303. Back to one now.
I guessing a fuel injector? I also found the PCV valve was stuck. Bought a new one and running better.
Feb 2, 2020 at 2:15 PM
Avatar
JACOBANDNICKOLAS
  • CERTIFIED EXPERT
  • 110,175 POSTS
If plugs are good, there are no vacuum leaks, fuel pressure is within spec, then we have to consider an injector (like you mentioned), a compression issue within that cylinder, and timing issues. I have to be honest, if it was timing, I suspect it would involve more than one cylinder.

To start, here is a link that explains how to test an injector:

https://www.2carpros.com/articles/how-to-test-a-fuel-injector

Next, here is a link that explains how to test engine compression. Also, if you look through the first link below, it discusses symptoms of compression issues.

https://www.2carpros.com/articles/symptoms-of-low-compression

https://www.2carpros.com/articles/how-to-test-engine-compression

________________________________

Here are the specific directions for your vehicle. The attached pic correlate with the directions.


2005 Buick Allure (CANADA) V6-3.8L
Engine Compression Test
Vehicle Powertrain Management Tune-up and Engine Performance Checks Compression Check Testing and Inspection Component Tests and General Diagnostics Engine Compression Test
ENGINE COMPRESSION TEST
Engine Compression Test

Tools Required
^ J38722 Compression Tester

A compression pressure test of the engine cylinders determines the condition of the rings, the valves, and the head gasket.
1. Run the engine until it reaches normal operating temperature. The battery must be at or near full charge.
2. Turn the engine OFF.

3. Disable the ignition.

Important: Remove the Powertrain Control Module (PCM) and the ignition fuses from the I/P fuse block.

4. Disable the fuel systems.
5. Remove the spark plugs from all the cylinders.
6. Remove the air duct from the throttle body.
7. Block the throttle plate in the open position.


pic 1


8. Measure the engine compression, using the following procedure:
1. Firmly install J38722 to the spark plug hole.
2. Have an assistant crank the engine through at least four compression strokes in the testing cylinder.
3. Check and record the readings on J38722 at each stroke.
4. Disconnect J38722.
5. Repeat the compression test for each cylinder.

9. Record the compression readings from all of the cylinders.
^ The lowest reading should not be less than 70 percent of the highest reading.
^ No cylinder reading should be less than 689 kPa (100 psi).

10. The following are examples of the possible measurements:
^ When the compression measurement is normal, the compression builds up quickly and evenly to the specified compression on each cylinder.
^ When the compression is low on the first stroke and tends to build up on the following strokes, but does not reach the normal compression, or if the compression improves considerably with the addition of three squirts of oil, the piston rings may be the cause.
^ When the compression is low on the first stroke and does not build up in the following strokes, or the addition of oil does not affect the compression, the valves may be the cause.
^ When the compression is low on two adjacent cylinders, or coolant is present in the crankcase, the head gasket may be the cause.

11. Remove the block from the throttle plate.
12. Install the air duct to the throttle body.
13. Install the spark plugs.
14. Install the Powertrain Control Module (PCM) fuse.
15. Install the ignition fuse to the I/P fuse block.

____________________________

Let me know if this helps.

Joe
Feb 2, 2020 at 7:07 PM
Avatar
JEFF SORDYL
  • MEMBER
  • 53 POSTS
Lots of good stuff here for my tool box. I'll start with the injector. Then compression test. I did a block test and the fluid stayed blue. What a relief! I'll keep you posted. Thanks again!
Feb 2, 2020 at 7:59 PM
Avatar
JACOBANDNICKOLAS
  • CERTIFIED EXPERT
  • 110,175 POSTS
You are very welcome. I will watch for your reply.

Take care,

Joe
Feb 2, 2020 at 8:08 PM
Avatar
JEFF SORDYL
  • MEMBER
  • 53 POSTS
I have a 13.6 if vacuum at idle at 1. Will this help at all?
Feb 4, 2020 at 10:59 AM
Avatar
JACOBANDNICKOLAS
  • CERTIFIED EXPERT
  • 110,175 POSTS
That's a bit low. Does it seem steady? I would like to see at least 16. You have checked for vacuum leaks, correct?

Joe
Feb 4, 2020 at 7:30 PM
Avatar
JEFF SORDYL
  • MEMBER
  • 53 POSTS
Yes no more vacuum leaks. Wish I could adjust the darn idle! If it was your car, would you get a new throttle body? I used to race moto cross and work on my bikes back in the 1970's and 1980's and even worked on car's a little. But this is out of control. Lol
Feb 4, 2020 at 8:03 PM
Avatar
JACOBANDNICKOLAS
  • CERTIFIED EXPERT
  • 110,175 POSTS
Honestly, at this point I may try to find a used one that is known to be good and try it. It's not a cheap part. As far as adjusting idle speed, I miss the old days. LOL

Joe
Feb 4, 2020 at 8:42 PM
Avatar
JEFF SORDYL
  • MEMBER
  • 53 POSTS
Cannot find one? Been looking for awhile. One other thing, my idle drops below 1,000 after car warms up but if I slowly increase rpm's to a steady 12000 then my vacuum goes up to 17.
Feb 4, 2020 at 10:53 PM
Avatar
JACOBANDNICKOLAS
  • CERTIFIED EXPERT
  • 110,175 POSTS
Do you mean 12,000 or 1,200? I have to be honest, if it is 1,200 and you hold the throttle steady, that is normal.
Feb 5, 2020 at 8:43 PM
Avatar
JEFF SORDYL
  • MEMBER
  • 53 POSTS
I meant 1,200 rpm's. But soon as I let off of gas is goes below 1000. (600 rpm's) well I found a used throttle body on eBay for $30.00. Get it next week. I'll let you know next week. Thank you again. I'm sure you have others with questions so I won't bother you.
Feb 5, 2020 at 8:48 PM
Avatar
JACOBANDNICKOLAS
  • CERTIFIED EXPERT
  • 110,175 POSTS
Okay, let me know. However, 600 rpm's isn't too far off. I think this car is going to drive us both crazy. LOL No pun intended. LOL

I will watch for your reply and pray it takes care of the problem.

Joe
Feb 5, 2020 at 8:55 PM
Avatar
JEFF SORDYL
  • MEMBER
  • 53 POSTS
New throttle body definitely made a difference. Idle is steady at 1,000 rpm's and vacuum is a consistent 14 to 16. But now I have a new code for EVAP leak. Forgot code number? Fix gas cap and problem fixed.
But I definitely have a vacuum leak somewhere on the car. Still have code p0300. When I find it I will let you know.
Feb 10, 2020 at 5:39 PM
Avatar
JACOBANDNICKOLAS
  • CERTIFIED EXPERT
  • 110,175 POSTS
Glad to hear it's running better. I don't remember if I included this, but here is a link that will help locate a vacuum leak:

https://www.2carpros.com/articles/how-to-use-an-engine-vacuum-gauge

Let me know.

Joe
Feb 10, 2020 at 7:24 PM
Avatar
JEFF SORDYL
  • MEMBER
  • 53 POSTS
Okay, thanks. My fuel pressure is 70psi. Would a fuel tank vapor sensor or pressure sensor cause this issue?
Feb 10, 2020 at 8:16 PM