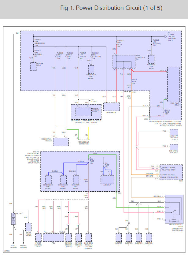
Car is not starting due to accidentally being jump started with leads reversed. Coil was replaced as it fried. New coil is in but no spark and also no injector pulse. Power is going to coil and injection plugs. Crank sensor shows 800 ohms and AC voltage is 1.15 volts when cranked and .017 volts without cranking. All fuses are good. Not sure if crank sensor is the problem? Battery is fully charged. Also, tested crank sensor by tapping on plug terminals with key on and using test light on battery positive to send 12 volts to switch to get a relay click and nothing happened. Could computer be tested at the harness plug and check for voltage to see if it is switching to o volts for signal? Any feedback would be appreciated.
May 3, 2018 at 9:04 PM


































