Fuel pump relay location and wiring diagrams please?

2003 CHEVROLET S-10
Avatar
CAT DOC
  • MEMBER
  • 2 POSTS
i have a s10 that the fuel pump wont pump. put in a new fuel pump and it pump for a few secs and quit. all wires test good and no shorts. bad relay?
Sep 17, 2010 at 9:00 PM
Advertisement
Avatar
MADMIKE1735
  • CERTIFIED EXPERT
  • 951 POSTS
It does sounds like the relay is bad but to be sure here is a guide to help you step by step with instructions in the diagrams below to show you how on your car.

https://www.2carpros.com/articles/how-to-check-an-electrical-relay-and-wiring-control-circuit


Check out the diagrams (Below). Let us know what happens and please upload pictures or videos of the problem.
Sep 17, 2010 at 9:03 PM
Avatar
CAT DOC
  • MEMBER
  • 2 POSTS
yes i put in a jumper at the relay and the fuel pump will run.. i put in a new relay and it fixed it thank you for the guide.
Sep 17, 2010 at 9:07 PM
Advertisement
Avatar
JOHN & RAY
  • MEMBER
  • 5 POSTS
fuel pump not working. have replaced it with a new one, no luck. No voltage at grey wire to pump.

Have swapped out the relay, no luck

Have check the fuse next to the relay, okay. There is voltage at the fuse (test light)

I have read there is a place where you can test the circuit by providing a 12 volts jumper which should then cause the pump to run (or tell you there is a problem like a broken line - grey wire). But I don't know where this is.

Assuming the line is okay to the pump, what am I missing that is keeping the pump from getting power?

The engine has spark and so on. does not run. No code comes up via the scanner.
Mar 6, 2021 at 11:35 AM (Merged)
Avatar
ASEMASTER6371
  • CERTIFIED EXPERT
  • 52,796 POSTS
Good morning,

Attached a wire diagram for you to view. Please verify powers to the relay with the key on for me and let me know the voltage.

The primer wire you are talking about was for the older models and is not in your truck.



Roy
Mar 6, 2021 at 11:35 AM (Merged)
Avatar
JOHN & RAY
  • MEMBER
  • 5 POSTS
So voltage at the ECM B fuse with the fuse removed and the relay in place?
or fuse in place and relay removed?

(Or both, since I'll be right there?)
Thanks!!

Mar 6, 2021 at 11:35 AM (Merged)
Avatar
ASEMASTER6371
  • CERTIFIED EXPERT
  • 52,796 POSTS
Fuse in place. Test for power to pin 30.

The other, 86, should only have voltage with the key on for 2 seconds as it comes from the pcm. It will keep voltage while cranking.

If you jump 30 and 87, the pump should run.

Roy
Mar 6, 2021 at 11:36 AM (Merged)
Avatar
JOHN & RAY
  • MEMBER
  • 5 POSTS
This makes sense.
My only confusion is on the identification of the 4 pins. If I unplug the relay, I believe the pins are in a rectangular set-up whereas the drawing you provided has them in a linear set up.

I do recall finding voltage at one of them with the key on.

So looking down at where the relay was removed, from the driver's side fender, who is who?

thank you!
john
Mar 6, 2021 at 11:36 AM (Merged)
Avatar
ASEMASTER6371
  • CERTIFIED EXPERT
  • 52,796 POSTS
Look at the bottom of the relay. They should be marked 30,87,86,85.

You jump the 12-volt power or pin 30 to 87 which is the gray wire to the pump.

Roy
Mar 6, 2021 at 11:36 AM (Merged)
Avatar
JOHN & RAY
  • MEMBER
  • 5 POSTS
Ah! That takes care of that. thanks again. Sorry for the ignorance.
Mar 6, 2021 at 11:36 AM (Merged)
Avatar
ASEMASTER6371
  • CERTIFIED EXPERT
  • 52,796 POSTS
No worries. That is why we are here.

Always glad to help.

Roy
Mar 6, 2021 at 11:36 AM (Merged)
Avatar
JOHN & RAY
  • MEMBER
  • 5 POSTS
Okay! We got it running. The grounds for the computer and other electrical's were rusted and not working. 218,000 miles in New England does that, sadly.

thanks for the great information. we have printed it all up and tucked it away for future reference.

John
Mar 6, 2021 at 11:36 AM (Merged)
Avatar
ASEMASTER6371
  • CERTIFIED EXPERT
  • 52,796 POSTS
You are welcome.

always glad to help.

Roy
Mar 6, 2021 at 11:36 AM (Merged)
Avatar
WM V
  • MEMBER
  • 1 POST
fuel pump just stopped took it out of the tank check the connections an no power, checked the relay & fuses all good, have power at the relay,tryed another relay an still no power at the pump, what am i missing??
Mar 6, 2021 at 11:38 AM (Merged)
Avatar
RASMATAZ
  • CERTIFIED EXPERT
  • 75,992 POSTS
The computer energizes the fuel pump relay and relay will de-energized in 2secs. At which time when the vehicle fires up the oil pressure sending unit powers the pump-All you got is 2secs to check for power at the connector. Also see below


https://www.2carpros.com/forum/automotive_pictures/12900_oil_sending_unit_and_fuel_pump_circuit_48.gif

Mar 6, 2021 at 11:38 AM (Merged)
Avatar
MWEBBERTN
  • MEMBER
  • 2 POSTS
Engine turns over but will not start. Did not hear fuel pump running when ignition is only in on position. Checked fuses and fuel pump relay. Can hear the fuel pump relay click when the ECM B fuse is inserted with the ignition in the on position. Replaced fuel pump. Still behaves the same way.
Mar 6, 2021 at 11:39 AM (Merged)
Avatar
MWEBBERTN
  • MEMBER
  • 2 POSTS
I completely forgot to go in here and update this post after I fixed the problem. I was going through some old e-mail and saw where I had signed up for this forum and realized that I never updated it. So here goes... over a year later. However, the problem was fixed in a few days! I had taken the bed off of the truck to make it easier to change the fuel pump. After replacing the fuel pump I tried to start the truck. No luck, same as before. Getting to the point of giving up. I went ahead and put the truck bed back on again. I just happened to be sitting in the drivers seat just wondering what in the world could be wrong when I reached down and for some reason just turned the key. It started! The only thing I can figure is that there was a ground wire that needed to be connected that wasn't when the bed had been off. But anyway, the new fuel pump did fix the problem and the truck has run great this past year...
Mar 6, 2021 at 11:39 AM (Merged)
Avatar
REGIS STROHMEYER
  • MEMBER
  • 1 POST
After a large snow fall, my pickup wold not start, it would turn over but it would not start. My fuel pump seemed not to start. It normally makes a winding sound when I first turn the key on. I checked the fuses(2 of them) I checked the relay and swapped out the horn relay. They both work. I then purchased a new fuel pump, but had to replace the harness because the new pump had a different connector. It came with a harness.
I plugged in the new pump but still dosen't sound like it is running. I tested the old pump the same way before I changed the harness. How can I check the pump electronicly and what else can I check before I install the tank.
Mar 6, 2021 at 11:40 AM (Merged)
Avatar
JDL
  • CERTIFIED EXPERT
  • 16,098 POSTS
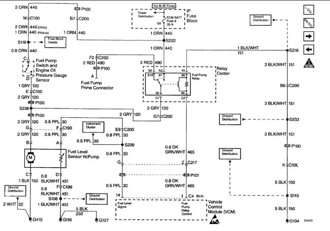
Hi, First, I would have used a gage and checked fuel pressure, engine cranking, before changing anything. Take the fuel pump connector loose, then, engine cranking, check voltage and ground at the pump connector. Gray wire is voltage for pump motor, black wire is ground. Not sure how safe to try to run pump with oxygen in the tank?? If no voltage on gray wire, check wiring circuits at the relay.


https://www.2carpros.com/forum/automotive_pictures/170934_s10_fuel_pump_relay_3.jpg

Mar 6, 2021 at 11:40 AM (Merged)
Avatar
PURLJM
  • MEMBER
  • 1 POST
where is the fuel pump relay? engine is not getting fuel somehow and i am troubleshooting. plenty of battery just won't turn over. thank you
Mar 6, 2021 at 11:40 AM (Merged)
Avatar
JDL
  • CERTIFIED EXPERT
  • 16,098 POSTS
Hi, the relay is located in underhood fuse box. Here is guide to help check it with the relay location below.

https://www.2carpros.com/articles/how-to-check-an-electrical-relay-and-wiring-control-circuit

Check out the diagrams (Below). Please run this test and get back to us.
Mar 6, 2021 at 11:40 AM (Merged)
Avatar
99S10EXTREME
  • MEMBER
  • 1 POST
Please i need an answer..I unplugged the fuel pump turned the key to reset the pump plugged it back in.I checked the fuses they are good even checked the relay to the pump.Still not coming on or making any sound it worked good the day before. I even checked the grounds at the back of the truck.Everything has power except the fuel pump.
Mar 6, 2021 at 11:40 AM (Merged)
Avatar
INTERNETMECHANIC
  • CERTIFIED EXPERT
  • 700 POSTS
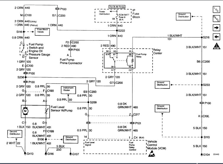
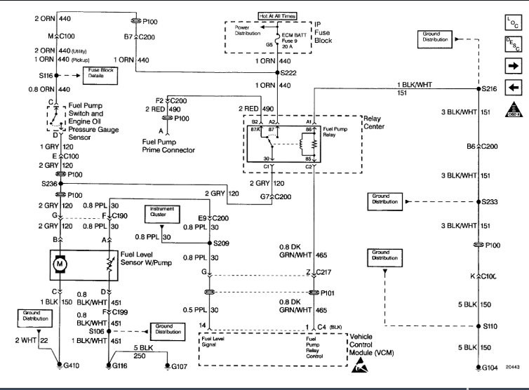
Did you use a voltage tester on the circuits in question? At the fuel pump connector, gray is voltage, check with engine cranking. Black wire is ground. If no voltage, start by checking voltage circuits at the relay. Also, disconnect voltage to injectors, when testing the pump. The fuel pump relay, also supplies voltage to the injectors.


https://www.2carpros.com/forum/automotive_pictures/512072_chevy_s10_fuel_pump_1.jpg

Mar 6, 2021 at 11:40 AM (Merged)
Avatar
MICHAELDLEWIS
  • MEMBER
  • 1 POST
Im not getting a voltage at ANY of the fuel pump relay female connectors with my working volt meter. fuel pump doesnt come on so im trying to test pcm and etc but shouldnt i get a voltage at the 'constant' even if pcm bad?
Mar 6, 2021 at 11:40 AM (Merged)
Avatar
HMAC300
  • CERTIFIED EXPERT
  • 48,601 POSTS
yup is fuse good? if not it may be a fuse box problem. it's ecm b fuse check with voltmeter to see if power goesthrough it then if not getting to relay problem I sthere. gray wire goes to pump drk grn from pcm of course black is ground.
Mar 6, 2021 at 11:40 AM (Merged)
Avatar
DUCKSHARP
  • MEMBER
  • 5 POSTS
I have recently took on a project of restoring a 1996 chevy s10 ZR2 pickup truck. I have just recently replaced the raidator supoort to a 1998 model, I had to replace the front cap and like the newer model front end. I dont know the history of the truck i tolled it home. I not very mechanically inclined that is to say I know very little about vehicles. Now to my question, I having problem with the fuel pump "I think" I have check the ECM battery fuse it test good Im getting 12 volts at the fuse box. I have check the fuel pump relay by switching it with the horm relay it check out good i'm also getting 12 volts thier to. I have unpluged the fuel pump module from the gas tank not sure what that does the book I have says it for fuel level sending unit and full pump 12 volt supply. Is that what send the imformation to the gas gauge needle on the cluster? and is that all it does? It also has a 3 wire plug on the fuel pump module "not sure what that does" I think it the power supply for the pump. is this correct? I have check the power supply to both of these plugs and i"m only getting 6 volts unless I jumper a wire from the battery to the fuel pump test terminal then i'm getting 12 volts. I would like to know what prongs on the 2 plugs should be sending volt reading. that about all I know I would really like to exhast all other option before repalceing the fuel pump. I here so many comments about people replacing there full pump just to find out that was not it.
Mar 6, 2021 at 11:41 AM (Merged)
Avatar
RASMATAZ
  • CERTIFIED EXPERT
  • 75,992 POSTS
Hi ducksharp, Welcome to 2carpros

Power the fuel pump gray wire at the fuel pump connector from the battery positive post and tell me if it comes on-let me know
Mar 6, 2021 at 11:41 AM (Merged)
Avatar
DUCKSHARP
  • MEMBER
  • 5 POSTS
I ran the wire from the positive post to the gray wire conector i'm getting 12 volts to the plug, but the fuel pump did not come on. I tried with key in the on postion and off. Does the fuel pump module or the 4 prong switch need to be plug in when performing this test?
Mar 6, 2021 at 11:41 AM (Merged)
Avatar
RASMATAZ
  • CERTIFIED EXPERT
  • 75,992 POSTS
The connector has to be plugged -in Check the ground circuit black wire at inside left frame rail, if its okay-the fuel pump is defective-also check the other grounf for the sending unit at rear of right cyl head-See below


https://www.2carpros.com/forum/automotive_pictures/12900_fp_62.jpg

Mar 6, 2021 at 11:41 AM (Merged)
Avatar
DUCKSHARP
  • MEMBER
  • 5 POSTS
I have put a new fuel pump on my truck, but still is not coming on. I not getting nothing through the gray wire 6 volts through the purple wire when key is on. I have check the the wire with a meter on the black and gray wire and I am getting nothing should it show some kind of reading? do I need 12 volts through the gray and 12 volts through the purple? I really not sure how the wiring harness color code works. The harness wire color are black/white,purple,gray and solid black the same as my orginal wire on my truck I mayched by color is that right? Is thier anything I may have un plug when I replace my radiator support? I unplug the wiring harness for the lights on the passanger side when I replaced. I still get 12 volts in the fuse box and 12 volts through the relay.
Mar 6, 2021 at 11:41 AM (Merged)
Avatar
DUCKSHARP
  • MEMBER
  • 5 POSTS
Im sorry I unplug the driver side light harness when i replaced my radator support.
Mar 6, 2021 at 11:41 AM (Merged)
Avatar
DUCKSHARP
  • MEMBER
  • 5 POSTS
I have ran a wire from the battery hot post and used the black ground wire from the truck to the fuel pump module and the pump comes on, but I cannot get any power to the gray wire at the fuel pump module. Any suggestion?? where does the gray wire go after it leaves the fuel pump module?? I have 12 volts at the fuse box and relay. Can it be the oil pressure switch??
Mar 6, 2021 at 11:41 AM (Merged)
Avatar
RASMATAZ
  • CERTIFIED EXPERT
  • 75,992 POSTS
Depending on the 8th digit of the VIN number (Yours is a transition year) it may have a oil pressure switch for the fuel pump. If so I have seen many go bad.... see the wiring diagram below
Mar 6, 2021 at 11:41 AM (Merged)
Avatar
RAZEY
  • MEMBER
  • 1 POST
put on a new fuel pump and have no power to the pump. is there a relay and if so where
Mar 6, 2021 at 11:41 AM (Merged)
Avatar
RASMATAZ
  • CERTIFIED EXPERT
  • 75,992 POSTS
Fuel Pump Relay Fog Lamp I/P Wiring


https://www.2carpros.com/forum/automotive_pictures/12900_fpr_18.jpg

Mar 6, 2021 at 11:41 AM (Merged)
Avatar
CECIL ANDREWS
  • MEMBER
  • 1 POST
1996 S10 Blazer (4.3 4WD). Turned over but wouldn't start. It started with starting fluid so I replaced the fuel pump. New pump didn't help. Checked plug to the pump and had about 6VDC for about 2 sec. Plug did not appear to have a ground connection. Tapped solid black wire with a ground connection but didn't help. Tried to test wires but am getting conflicting info on location of Fuel Pump relay. Voltage checks do not seem to match my diagrams so I'm not sure if I am on the correct relay plug. Can you give me some guidance?
Mar 6, 2021 at 11:42 AM (Merged)
Avatar
RASMATAZ
  • CERTIFIED EXPERT
  • 75,992 POSTS
Behind glove box, on relay center. See below location no.3

Mar 6, 2021 at 11:42 AM (Merged)
Avatar
HENRY HOOKER
  • MEMBER
  • 1 POST
Okay, I have the truck listed above being converted to a 5.3 LS. I need to know the location and color of the factory fuel pump power wire to connect a 5.3 harness fuel pump wire to. There's pull relays mounted to the back of the firewall I don't know which one is which or what wire do what. please help me.
Mar 6, 2021 at 11:42 AM (Merged)
Avatar
DANNY L
  • CERTIFIED EXPERT
  • 5,648 POSTS
Hello, I'm Danny.

Here is a fuel pump wiring diagram for your truck. Hope this helps and let me know if you need any further wiring diagrams to make your LS swap work. Picture is attached below.Hope this helps and thanks for using 2CarPros.
Mar 6, 2021 at 11:42 AM (Merged)
Avatar
TAMEY_K
  • MEMBER
  • 1 POST
plz tell me where to find the fuel pump relay on my 1995 s10 2wd 4 cyl .also i would love to have a
osu diagram i replaced the fuel pump (had some one do it)about 3 to 4 years ago ...now im having problems while driving ,even after it sits all night it will occassionally just shut down ,sometimes re starts or not start at all ...later it will.
Mar 6, 2021 at 11:42 AM (Merged)
Avatar
RASMATAZ
  • CERTIFIED EXPERT
  • 75,992 POSTS
Okay the fuel pump relay is at no.3 and the OSU is on no.8 above the A the square box and your fuel pump/oil sending unit electrical circuit is below that.


https://www.2carpros.com/forum/automotive_pictures/12900_1995_S10_fuel_pump_realy_and_oSU_1.jpg


https://www.2carpros.com/forum/automotive_pictures/12900_oil_sending_unit_and_fuel_pump_circuit_10.gif

Good LUck and have a nice day www. .com
Mar 6, 2021 at 11:42 AM (Merged)