Engine not starting up?

1996 HONDA ACCORD
199,129 MILES • 2.2L • 4 CYL • 2WD • AUTOMATIC
Avatar
CHRISTOPHER IVAN ROEDER
  • MEMBER
  • 156 POSTS
Sometimes will not start, but if I push the gas pedal while starting it'll fire right up. I'm confused. please help.
Apr 26, 2020 at 3:06 PM
Advertisement
Avatar
ASEMASTER6371
  • CERTIFIED EXPERT
  • 52,796 POSTS
Good evening,

The most likely cause of this is the idle air control valve. It is not sitting in the correct position for starting.

When you inspect it, make sure the bore is clear of all carbon deposits.

Roy

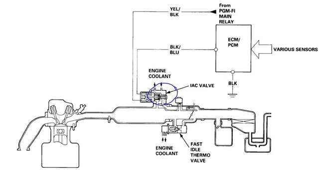
SYSTEM DESCRIPTION
The idle speed of the engine is controlled by the Idle Air Control (IAC) Valve.
The valve changes the amount of air bypassing into the intake manifold in response to electric current controlled by the ECM/PCM. When the IAC Valve is activated, the valve opens to maintain the proper idle speed.

1. After the engine starts, the IAC valve opens for a certain time. The amount of air is increased to raise the idle speed about 150-300 rpm.
2. When the coolant temperature is low, the IAC valve is opened to obtain the proper fast idle speed. The amount of bypassed air is thus controlled in relation to the engine coolant temperature.
3. When the idle speed is out of specification and the scan tool does not indicate Diagnostic Trouble Code (DTC) P0505 or P1508, check the following items:
Adjust the idle speed
Air conditioning signal
ALT FR signal
Starter switch signal
A/T gear position signal
PSP switch signal
Brake switch signal
Fast idle thermo valve
Hoses and connections
AC valve and its mounting 0-rings

4. If the above items are normal, substitute a known-good IAC valve and readjust the idle speed.
If the idle speed still cannot be adjusted to specification (and the scan tool does not indicate DTC P0505 or P1508) after IAC valve replacement, substitute a known-good ECM/PCM and recheck. If symptom goes away, replace the original ECM/PCM.
Apr 26, 2020 at 3:56 PM
Avatar
CHRISTOPHER IVAN ROEDER
  • MEMBER
  • 156 POSTS
Thank you. I'll take a look and see what I can do.
Apr 26, 2020 at 4:28 PM
Advertisement
Avatar
ASEMASTER6371
  • CERTIFIED EXPERT
  • 52,796 POSTS
Sounds like a plan.

You are welcome.

Always glad to help.

Roy
Apr 26, 2020 at 4:31 PM
Avatar
CHRISTOPHER IVAN ROEDER
  • MEMBER
  • 156 POSTS
I think I found the problem.. The IAT sensor busted off in the connector somehow.
Apr 26, 2020 at 6:05 PM
Avatar
ASEMASTER6371
  • CERTIFIED EXPERT
  • 52,796 POSTS
Okay, try and see if it takes care of it. That alone should not cause it to not start.

It should also have set a code for that as well.

Did it set a code?

Roy
Apr 27, 2020 at 3:24 AM
Avatar
CHRISTOPHER IVAN ROEDER
  • MEMBER
  • 156 POSTS
Codes P0113, P0135 and P0141.
Apr 27, 2020 at 7:40 AM
Avatar
ASEMASTER6371
  • CERTIFIED EXPERT
  • 52,796 POSTS
Okay, the 113 is your broken sensor.

The 135,141 are O2 sensor heater codes. I attached some possibilities below along with a flow chart for determining the failure.

These codes are not related to the hard starting either.

Roy
Apr 27, 2020 at 7:54 AM
Avatar
CHRISTOPHER IVAN ROEDER
  • MEMBER
  • 156 POSTS
Hmm, do you have any idea where to look for the problem? I feel like I'm in the right area just so many sensors in the area.
I appreciate your help.
Apr 27, 2020 at 8:58 AM
Avatar
ASEMASTER6371
  • CERTIFIED EXPERT
  • 52,796 POSTS
Did you follow the flow chart I posted?

Tell me the results of each step?

Roy
Apr 27, 2020 at 9:06 AM
Avatar
CHRISTOPHER IVAN ROEDER
  • MEMBER
  • 156 POSTS
I will do that shortly.
Apr 27, 2020 at 10:27 AM
Avatar
ASEMASTER6371
  • CERTIFIED EXPERT
  • 52,796 POSTS
Keep me updated.

Roy
Apr 27, 2020 at 10:31 AM
Avatar
OSCARO111
  • MEMBER
  • 1 POST
Honda accord 96 - Only in cold weather other than this starts fine [i got a new battery] after i got it to start it runs fine all day until next early morning
Sep 29, 2020 at 12:09 PM (Merged)
Avatar
WRENCHTECH
  • CERTIFIED EXPERT
  • 20,761 POSTS
These cars had a big problem with the distributor going out. also go here for more info

https://www.2carpros.com/articles/car-cranks-but-wont-start

All "crank, no start" conditions are approached in the same way. Every engine requires certain functions to be able to run. Some of these functions rely on specific components to work and some components are part of more than one function so it is important to see the whole picture to be able to conclude anything about what may have failed. Also, these functions can ONLY be tested during the failure. Any other time and they will simply test good because the problem isn't present at the moment.
If you approach this in any other way, you are merely guessing and that only serves to replace unnecessary parts and wastes money.



Every engine requires spark, fuel and compression to run. That's what we have to look for.

These are the basics that need to be tested and will give us the info required to isolate a cause.

1) Test for spark at the plug end of the wire using a spark tester. If none found, check for power supply on the + terminal of the coil with the key on.


2) Test for injector pulse using a small bulb called a noid light. If none found, check for power supply at one side of the injector with the key on.


3) Use a fuel pressure gauge to test for correct fuel pressure, also noticing if the pressure holds when key is shut off.

4) If all of these things check good, then you would need to do a complete compression test.

Once you have determined which of these functions has dropped out,
you will know which system is having the problem.


That being said, this car is notorious for intermittent main relays acting up in different weather conditions. It will knock out power supply to both ignition coil and injectors.
Sep 29, 2020 at 12:09 PM (Merged)
Avatar
JOSEPHGRAHAM
  • MEMBER
  • 6 POSTS
Has some issues with transmission slipping, and starting. Last week replaced the distributor cap, and rotor button. Started and ran fine twice, then wouldn't start, changed spark plugs, and ignition coil. Ran fine for two weeks and is not starting again. It seems to not be getting fuel. You can hear the pump kick on. But it just cranks and won't start. No idea what to do. Anyone else who might have had some similar problems? I'm not sure of if it's part of the problem or not but the last two times it's shut off it has been after it started up just fine and was put in reverse and then once turned around in put into drive shut off instead of going anywhere. I don't know if there's some kind of correlation or not. I'm thinking fuel filter, fuel rail or line or something.
Sep 29, 2020 at 12:09 PM (Merged)
Avatar
JACOBANDNICKOLAS
  • CERTIFIED EXPERT
  • 110,175 POSTS
Welcome to 2CarPros

There are many things that can cause this to happen. However, based on your description, I would like you to check if there is spark to the plugs. Here is a link that shows how it is done:

https://www.2carpros.com/articles/how-to-test-an-ignition-system

If you find no spark, my first suspect is the crankshaft position sensor. Take a look at this link.

https://www.2carpros.com/articles/symptoms-of-a-bad-crankshaft-sensor

Check to see if there is spark to the plugs let me know what you find.

As far as fuel, yes, it could be related, but usually it's all or nothing with a pump. If you want to check it, here is a link that shows how to check for pressure:

https://www.2carpros.com/articles/how-to-check-fuel-system-pressure-and-regulator

Here are directions specific to your vehicle for testing fuel pressure. The manufacturer's specs are included in the directions. Pic 1 correlates with these directions.

1. Relieve fuel pressure.
2. Remove the service bolt on the fuel filter while holding the banjo bolt with another wrench. Attach the special tool.
3. Start the engine. * Measure the fuel pressure with the engine idling and the vacuum hose of the fuel pressure regulator disconnected from the fuel pressure regulator and pinched.

Pressure should be: 304 - 353 kPa (3.1 - 3.6 kgf/cm2, 44 - 51psi)

See Pic 1

4. Reconnect vacuum hose to the fuel pressure regulator.

Pressure should be: 245 - 294 kPa (2.5 - 3.0 kgf/cm2, 36 - 43 psi)

*: If the engine will not start, turn the ignition switch on, wait for two seconds, turn it off, then back on again and read the fuel pressure.

^ If the fuel pressure is not as specified, first check the fuel pump. If the fuel pump is okay, check the following:

- If the fuel pressure is higher than specified, inspect for:
^ Pinched or clogged fuel return hose or line.
^ Faulty fuel pressure regulator.
- If the fuel pressure is lower than specified, inspect for:
^ Clogged fuel filter.
^ Faulty fuel pressure regulator.
^ Leakage in the fuel line.

_________________________________________________

If you haven't already scanned for diagnostic trouble codes, I recommend it.


Let me know if this helps or if you have other questions.

Take care,
Joe
Sep 29, 2020 at 12:09 PM (Merged)
Avatar
CHRISTOPHER IVAN ROEDER
  • MEMBER
  • 156 POSTS
When trying to start my car it randomly will decide not to start as in it will not completely turnover. sometimes if I push the gas a little it will start then and it doesn't do it every time just occasionally.
Sep 29, 2020 at 12:09 PM (Merged)
Avatar
SCGRANTURISMO
  • CERTIFIED EXPERT
  • 4,897 POSTS
Hello,

This could be a problem with your vehicle's Idle Air Control (IAC) valve.This valve let's air bypass your closed throttle plate at idle to keep your vehicle's engine idling.It is mounted on the rear of the engine on the side of the throttle body. In the diagrams down below I have included a diagram with the IAC location, as well as factory component tests to make sure the IAC is failing. The phrase KOEO stands for Key On Engine Off and you will need to use a Digital Multi-meter (DMM) to do these tests, so here is a link below for you to go to explaining how to use one, if needed:

https://www.2carpros.com/articles/how-to-use-a-voltmeter

Please go through these guides and report back with what you find out.

Thanks,
Alex
2CarPros
Sep 29, 2020 at 12:09 PM (Merged)
Avatar
RACER83
  • MEMBER
  • 2 POSTS
Hi,
My car starts easy when warm, but is very difficult (and sometimes impossible) to start once the engine has warmed up. When I'm trying to re start from a warmed up engine, it will crank and sputter (soft popping sound) from tail pipe, but wont start. Any ideas please.
Sep 29, 2020 at 12:10 PM (Merged)
Avatar
KHLOW2008
  • CERTIFIED EXPERT
  • 41,814 POSTS
https://www.2carpros.com/articles/car-cranks-but-wont-start . . . When problem occurs, use the steps as outlined in above link to determine what is missing causing the non starting and post your findings here. Is the Check Engine Light indicating?
Sep 29, 2020 at 12:10 PM (Merged)
Avatar
RACER83
  • MEMBER
  • 2 POSTS
Thanks for your reply, I will try to check the procedures in the article. There is no engine check light problem.
Sep 29, 2020 at 12:10 PM (Merged)
Avatar
PASTOROK
  • MEMBER
  • 1 POST
why my car's spark plugs are getting wet of gasoline,i change the spark plugs but got same problem.
Sep 29, 2020 at 12:11 PM (Merged)
Avatar
PROMECHANIC
  • CERTIFIED EXPERT
  • 536 POSTS
You need to see if you have spark at your spark plugs. Any good auto parts store will have a spark tester. Use it to see if they even have spark going to them. You might have a problem with the coil igniter or something else in the system.
Sep 29, 2020 at 12:11 PM (Merged)
Avatar
JWB152
  • MEMBER
  • 1 POST
My 1996 Honda Accord EX will not start sometimes now. It always use to fire over with very little cranking. It has new sparkplugs, distributor cap and rotor. It cranks over but won't fire up. Help?
Sep 29, 2020 at 12:14 PM (Merged)
Avatar
KHLOW2008
  • CERTIFIED EXPERT
  • 41,814 POSTS
Hi jwb152,

Here is a link for you to test what is missing causing the non starting.

Confirm if it is fuel or ignition sparks that is causing the problem.

https://www.2carpros.com/first_things/car_cranks_but_wont_start.htm
Sep 29, 2020 at 12:14 PM (Merged)
Avatar
ECJOSEPH29
  • MEMBER
  • 5 POSTS
Requesting assistance with a crank but no start. 96 Honda Accord 2.7L V6 Symptoms; 1. Engine swap was conducted due to damage and repair costs. All connections have been checked and verified as correct. 2. When attempting to start the engine will turn over/crank but will not start. 3. fuel pressure is at @45, spark noted at plugs, voltage is good to injectors. 4. When spraying starter fluid in intake engine will start and run as long as the fluid is being sprayed into the intake. Any suggestions?
Sep 29, 2020 at 12:14 PM (Merged)
Avatar
WRENCHTECH
  • CERTIFIED EXPERT
  • 20,761 POSTS
You need to test for injector pulse using a noid light.
If you haven't scanned the car for codes yet, do that also.
Sep 29, 2020 at 12:14 PM (Merged)
Avatar
ECJOSEPH29
  • MEMBER
  • 5 POSTS
Yes I have been told the noid test was done. and good signal.
Sep 29, 2020 at 12:14 PM (Merged)
Avatar
WRENCHTECH
  • CERTIFIED EXPERT
  • 20,761 POSTS
You did something wrong then because if it passed all those tests it would be running so I suggest testing again.
Sep 29, 2020 at 12:14 PM (Merged)
Avatar
ECJOSEPH29
  • MEMBER
  • 5 POSTS
roger I will run all tests again and see what happens. Additionally what would the costs be to have one of the technicians from your office to check?
Sep 29, 2020 at 12:14 PM (Merged)
Avatar
WRENCHTECH
  • CERTIFIED EXPERT
  • 20,761 POSTS
My shop gets $100 `for diagnostic.
Sep 29, 2020 at 12:14 PM (Merged)
Avatar
SHARECA32
  • MEMBER
  • 1 POST
I have replaced the starter, distributor, spark plugs and ignition coil. The last thing I replaced was the distributor once i changed it the car started up fine but the next morning would not start. Plz help its getting fire just won't start.
Sep 29, 2020 at 12:15 PM (Merged)
Avatar
JACOBANDNICKOLAS
  • CERTIFIED EXPERT
  • 110,175 POSTS
If it ran good the night before, you are getting spark and the timing is correct, then you must not be getting fuel to the engine. See if it will start with starting fluid.

Let me know what you find.
Sep 29, 2020 at 12:15 PM (Merged)
Avatar
KANDA
  • MEMBER
  • 2 POSTS
everytime you stop at a light or slow down the care stops. it has been doing this for a week and now it doesn't even want to start
Sep 29, 2020 at 12:15 PM (Merged)
Avatar
F4I_GUY
  • CERTIFIED EXPERT
  • 3,302 POSTS
If it cranks check for approiate fuel pressure and good strong spark. Most likely one will be missing.

If it doesn't crank, check battery voltage, connections, fuses and starter motor.
Sep 29, 2020 at 12:15 PM (Merged)
Avatar
KANDA
  • MEMBER
  • 2 POSTS
Okay so a mechanic said it was the computer, I am assuming the computer to the motor, they changed it and it was running fine, then yesterday it stopped again while slowing down buthe just started it up and now it is running fine
Sep 29, 2020 at 12:15 PM (Merged)
Avatar
CNJ1981
  • MEMBER
  • 2 POSTS
My car was leaking oil, had a burning smell, running hot unless I drive it or rav the engine then it cools down. One day I was driving it, and no matter what I did it would'nt stop going hot, then it started smoking, then it wouldn't start at all. I was told I need a new engine. I'm not sure, can you give me a price range or refer me to a company that is reputable in selling engines and putting them in. Thanks
Sep 29, 2020 at 12:17 PM (Merged)
Avatar
ASEMASTER6371
  • CERTIFIED EXPERT
  • 52,796 POSTS
sounds like you cooked it real good. most likely you have done major damage.
there are 2 companies I use. one is ATK in California, they sell great motors with great warranties and no core charges.
the other is jasper. they are the high price spread and require rebuildable cores.

Roy
Sep 29, 2020 at 12:17 PM (Merged)
Avatar
CNJ1981
  • MEMBER
  • 2 POSTS
Thank you very much..I guess this confirms what I was told ;) But, I live in Ga., do you have a place in Atlanta you could let me know about or does the place in Ca. ship it here?
Sep 29, 2020 at 12:17 PM (Merged)
Avatar
ASEMASTER6371
  • CERTIFIED EXPERT
  • 52,796 POSTS
they have delivery all over the country. look them up on the internet. they take 3-5 days for delivery.

Roy
Sep 29, 2020 at 12:17 PM (Merged)
Avatar
AL BEAUDET
  • MEMBER
  • 1 POST
1996 Honda Accord 4 cyl Front Wheel Drive 146000 miles
----------------------------------------------------------------
will start when cool and run for about a minute. then won't start again. I change the coil, checked to hame sure fuel was being supplied.
What am i missing.

Thanks

Al
Sep 29, 2020 at 12:17 PM (Merged)