Aug 3, 2020 at 3:15 PM
(Merged)
Dash lights not coming on
2004 HONDA CRV
Advertisement
all fuses work with the key in "on".
So if all the fuses are working then I would go to the component with no back lighting and make sure the power is getting to it. If it is then the bulb is burned out. If you don't have power then you have a short between the fuse and component but this is unlikely based on what happened.
When you shorted the circuit the bulb is sometimes the weakest point which caused the open.
The only issue is it looks like the cluster is an LCD back light. I am not able to find if this is replaceable. If not then you will need to replace the cluster to fix it. However, I would pull the cluster out and see if you can access the bulb from behind it.
When you shorted the circuit the bulb is sometimes the weakest point which caused the open.
The only issue is it looks like the cluster is an LCD back light. I am not able to find if this is replaceable. If not then you will need to replace the cluster to fix it. However, I would pull the cluster out and see if you can access the bulb from behind it.
Aug 3, 2020 at 3:15 PM
(Merged)
Advertisement
So there are bulbs that illuminate all the dials and the odometer back-lighting. I shorted out the dash, then in the mix of things, swapped in the new bulbs.. only to find they were still out. So bulbs have been changed since this debacle. I guess the next step I could do is check the wiring harness for 12 V power. If that's fine.. then I assume the cluster is fried somewhere? Is that fixable at all? I don't really want to swap clusters because then my mileage wouldn't match. Also, the radio back-light and climate control still don't work, so it can't just be the cluster.
Aug 3, 2020 at 3:15 PM
(Merged)
Yeah. I would check for 12 volts and if you have it then more than likely the component is failed at this point. The cluster has a circuit board that may have been damaged.
The way I would approach this is to look at each issue individually. It could all be related but if you just search for the common denominator you will pull your hair out. If you fix one and it fixes the rest then that is just a bonus. If not then you fix one and then move onto the next.
The way I would approach this is to look at each issue individually. It could all be related but if you just search for the common denominator you will pull your hair out. If you fix one and it fixes the rest then that is just a bonus. If not then you fix one and then move onto the next.
Aug 3, 2020 at 3:16 PM
(Merged)
The temperature control knob light is apparently burned out. How do I remove or get to the bulb for replacement?
Aug 3, 2020 at 3:16 PM
(Merged)
Hi ddodge,
HEATER CONTROL PANEL REMOVAL AND INSTALLATION
1. Remove the center panel (see DASHBOARD CENTER PANEL REMOVAL/INSTALLATION ).
2. Remove the self-tapping screws and the heater control panel (A) from the dash board (B).





Aug 3, 2020 at 3:16 PM
(Merged)
That's crazy how one low voltage LED short can screw up so many things. So testing these components individually, I should see if power's even getting there right? So for the climate control for example, I need to find a wiring diagram to see which terminal is power, then can I just hook up the car battery to the power terminal? I'm assuming no due to fuses and such.
Aug 3, 2020 at 3:16 PM
(Merged)
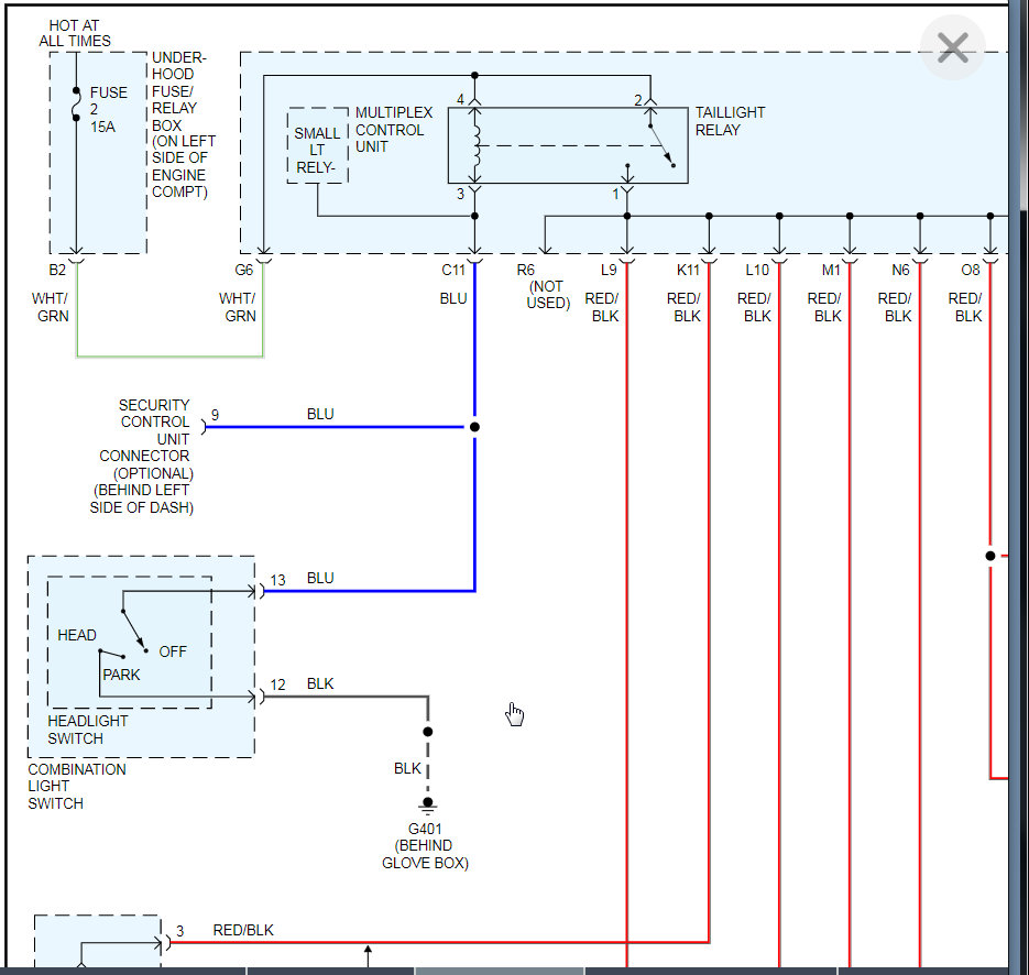
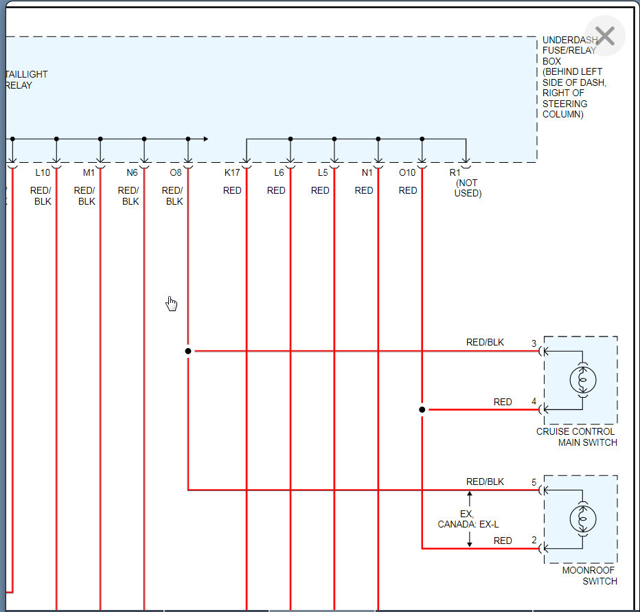
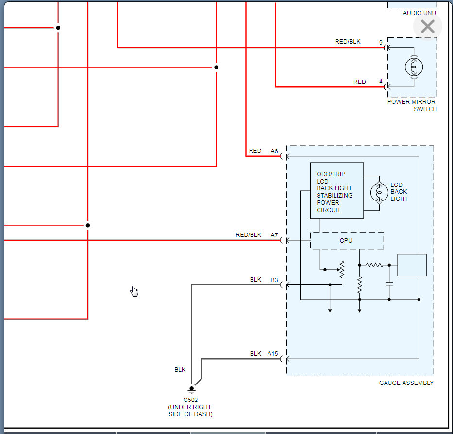
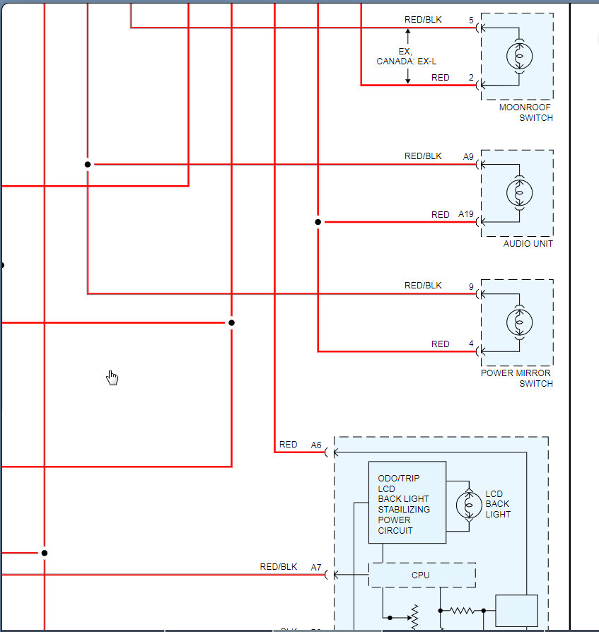
Yes. I included the diagram for the HVAC control panel. You want to see if you have 12 volts on the black/yellow wire. Do I understand correctly that the controls don't work or just the back lighting? If it is just the illumination doesn't work then check power on the Illumination circuits shown. If no power then we need to chase those. If you have power, then it is the unit.
Aug 3, 2020 at 3:16 PM
(Merged)
Yes, the car's fully functional for headlights, with exception of radio back light, gauge lights, and climate with headlights switched on.
Aug 3, 2020 at 3:16 PM
(Merged)
I discovered something new. My power windows are all out. So darn. I was sure I checked that relay but I'll have to check again. A mobile electronics place near me charges $70.00 an hour to fix. I really don't want to pay but I can't figure this out.
Aug 3, 2020 at 3:16 PM
(Merged)
Sorry for the delay I was out of town. Were you able to check the power on those illumination circuits that I supplied on the wiring diagram?
Aug 3, 2020 at 3:16 PM
(Merged)
So wherever there is a wire harness check to see if 12 volts is at the black and yellow port?
Aug 3, 2020 at 3:16 PM
(Merged)
Well. The black and yellow wire is the ignition feed for the heater control which is what power the back lighting.
So if your issue is that the backlighting does not come on when the headlights are on then we need to check the ignition feed for power. If you have it then we need to test for power on the illumination circuits which for the HVAC control head are the Red and Red/Black wires.
Unfortunately these wire colors are probably going to be different for each module unless they share a splice.
Let's just turn the headlights on so that the backlighting should be on and test for voltage on these three wires. Let me know what it is and we can go from there. Thanks
So if your issue is that the backlighting does not come on when the headlights are on then we need to check the ignition feed for power. If you have it then we need to test for power on the illumination circuits which for the HVAC control head are the Red and Red/Black wires.
Unfortunately these wire colors are probably going to be different for each module unless they share a splice.
Let's just turn the headlights on so that the backlighting should be on and test for voltage on these three wires. Let me know what it is and we can go from there. Thanks
Aug 3, 2020 at 3:16 PM
(Merged)
Finally got around to this. Been busy at work. So black/yellow, red, and red/black all have power. I had one terminal at the clip and the other on ground to measure.
Aug 3, 2020 at 3:16 PM
(Merged)
Okay, did more testing. On the dash clusters (two harnesses of A and B) B2 had only 6 volts, B1 had nothing. A6 had 4 volts, A7 was normal. Those were the only ones that seemed pertinent due to lighting circuits. These are on the chart listed a few posts up by me.
Also, I out in a new relay for the one I fried and the windows still don't work.
Also, I out in a new relay for the one I fried and the windows still don't work.
Aug 3, 2020 at 3:16 PM
(Merged)
Okay. Let's stay on the lights. If we fix that and the windows still don't work we will need to get a new post started for that. We need to keep each post limited to one issue because others will not find the solution to the window issue if it was not related. If we fix the lights and it fixes the windows as well (I doubt it will) then that is a bonus.
As for the lights, I am not sure why did didn't pick up on this before. The bulbs you replaced with LED bulbs, were they filament bulbs? If so, try getting the proper replacement bulb and switch them out and see what happens. LED's operate on a totally different level then these bulbs and when you add LED's to non LED circuits, you need to add resistors in order for them to not cause issues.
As for the lights, I am not sure why did didn't pick up on this before. The bulbs you replaced with LED bulbs, were they filament bulbs? If so, try getting the proper replacement bulb and switch them out and see what happens. LED's operate on a totally different level then these bulbs and when you add LED's to non LED circuits, you need to add resistors in order for them to not cause issues.
Aug 3, 2020 at 3:16 PM
(Merged)
These are meant to be exact replacements though. And everything did work until my screwdriver connected terminals on one bulb base causing the short.
Aug 3, 2020 at 3:16 PM
(Merged)
Okay. I understand but things are not really adding up because when you touched the screw driver and shorted it, it should have blown a fuse or maybe damaged the socket. All these issues don't seem to add up with just simply changing the bulbs.
I get that they say they are direct replacements but I have seen many times where you change them and it causes these crazy issues. Just swapping them out will rule this out as a possible cause.
I get that they say they are direct replacements but I have seen many times where you change them and it causes these crazy issues. Just swapping them out will rule this out as a possible cause.
Aug 3, 2020 at 3:16 PM
(Merged)
okay, I'll put the incandescent's back, at least the ones I have left. See if they work. I could have not tested the fuses properly too. I'm pretty sure I did, but I suppose I could have messed up.
Aug 3, 2020 at 3:16 PM
(Merged)
Okay. Clearly there could be something else going on but we need to rule this out or we will pull our air out. Thanks
Aug 3, 2020 at 3:16 PM
(Merged)
nothing changed.
Aug 3, 2020 at 3:16 PM
(Merged)
Clearly not the response I was hoping for. Let's go back to this post that you gave earlier. I attached it for your review.
B2 you said had 6 volts. This is for the fuel gauge sending unit so I imagine you had a half tank of fuel when you took that reading so I assume that is just fine.
The A7 was normal, I assume you had 12 volts. Is that correct?
The A6 with 4 volts is what we need to focus on. This wire is a direct feed from the underdash fuse box. Can you go to this L5 wire and check voltage there?
B2 you said had 6 volts. This is for the fuel gauge sending unit so I imagine you had a half tank of fuel when you took that reading so I assume that is just fine.
The A7 was normal, I assume you had 12 volts. Is that correct?
The A6 with 4 volts is what we need to focus on. This wire is a direct feed from the underdash fuse box. Can you go to this L5 wire and check voltage there?
Aug 3, 2020 at 3:16 PM
(Merged)
I'm looking at this box. Not knowing what L5 is. I don't see any plugs with all red or red and black wires.
Aug 3, 2020 at 3:16 PM
(Merged)
Do you have two connectors? One with 7 terminals but only 6 wires? The other with 6 terminals but only 5 wires? Ignore the color as that may change. We just need to make sure this matches. If not then we need to find out why that is not the same as your vehicle.
You didn't list which engine you had in the posting. I doubt that matters but what engine is this vehicle?
You didn't list which engine you had in the posting. I doubt that matters but what engine is this vehicle?
Aug 3, 2020 at 3:16 PM
(Merged)
It's the usual K24A1 engine. What I meant was the under dash fuse/relay box (which is in my second post) is what I'm seeing. the top plugs, then the relays, then the fuses. I have no idea what L5 is, or even what you mean by a 7 or 6 terminal connector.
Aug 3, 2020 at 3:16 PM
(Merged)
Sorry. The terminals are basically the female connectors on the back of the fuse panel. If you look on the back of the panel you should see two connectors. One with 6 wires and the other with 5 wires. The connector with 5 wires is what we need to look at.
Aug 3, 2020 at 3:16 PM
(Merged)
I can't get to them. They look like make connectors from the mirror I'm using and one looks like 4 wires but there could be one hidden. I have no idea how to reach it. My arms blindly reaching up under since I can't see and I can't reach the release levers.
Aug 3, 2020 at 3:16 PM
(Merged)
Unfortunately there is no trick to this. You may end up on your back in a very awkward position or you may have to try and unbolt the entire unit and pull it down a little to give you more access. Again, there is no trick as under dash work is the worst.
Aug 3, 2020 at 3:16 PM
(Merged)















