"No bus" what is wrong and how can I fix it?

2005 DODGE RAM
43,000 MILES • V8 • 2WD • AUTOMATIC
Avatar
VOLFAN2009
  • MEMBER
  • 1 POST
A "no bus" signal came up in the odometer area of the instrument cluster. Now I have no keyless entry, radio or dome lights. What would this be telling me.
Aug 10, 2009 at 2:46 PM
Advertisement
Avatar
JACOBANDNICKOLAS
  • CERTIFIED EXPERT
  • 110,175 POSTS
Basically that is telling you there is a break down of communication between the computer and its components. In this case, it may have to do with the body control module (BCM). You need this video to check it.

https://youtu.be/InIlnsjOVFA

Please run down this guide and report back.
Aug 17, 2018 at 1:40 PM
Avatar
HAMBONEBROWN
  • MEMBER
  • 1 POST
I had this problem got a used cluster to fix it
Oct 3, 2020 at 1:36 PM
Advertisement
Avatar
JDSLONE
  • MEMBER
  • 2 POSTS
I have a no bus message where the mileage should be. all the dash hands arn't working and all the warning lights are on. truck still runs great but the brake lights and turn signals arn't working and the radio controls on the steering wheel arn't working. I have a hand held scanner but it dosnt' link up with the no bus message on.
Oct 3, 2020 at 1:37 PM (Merged)
Avatar
JACOBANDNICKOLAS
  • CERTIFIED EXPERT
  • 110,175 POSTS
The fact that the dash is not working and you have no communication is telling me the dash cluster is out because it is part of the CAN. You will need to have a used or new unit programmed tot he car here is a video of the job being done on a similar car.

https://youtu.be/_HEC44xENxw

Let me know what you find.

Joe
Oct 3, 2020 at 1:37 PM (Merged)
Avatar
JDSLONE
  • MEMBER
  • 2 POSTS
Great call, I took the car to the dealer and they to do just that cost me $430.00 but at least it works.
Oct 3, 2020 at 1:37 PM (Merged)
Avatar
ALTASNOWMAN
  • MEMBER
  • 39 POSTS
truck starts and runs. Have no gauges, no headlight control (headlights and taillights are on as well as idiot lights) no control for cruise, radio control (in steering wheel) overhead console not working, no overdrive control, no ac, wipers, fog lights. ABS. What does work is power windows, door locks and yes even with remote (after market) radio, interior lights, door ajar chime, key in chime. Have tried everything that I know battery disconnect, joining positive and negative cables together, checked self test on instrument cluster and it passed, all fuses checked and passed.
Oct 3, 2020 at 1:37 PM (Merged)
Avatar
KASEKENNY
  • CERTIFIED EXPERT
  • 18,907 POSTS
Hi,

No BUS means the communication network that the vehicle uses is not operating and the modules that need to communicate are not able to. More than likely this is a failed module or a wiring issue.

Attached you will find the preliminary test that needs to happen to determine the best direction.

Basically, you are going to see if you can communicate with the PCM and cluster. If you can then you probably have a wiring issue. However, you should have some codes in the system even though you disconnected the battery and did a capacitive discharge.

Unfortunately, this issue is not one that a reset will correct. There is a hard fault that needs to be identified and repaired.

Let me know if you have questions. Thanks

Here are some links to similar issues from others:

https://www.2carpros.com/questions/dodge-ram-1999-dodge-ram-quotno-busquot-amp-no-start

https://www.2carpros.com/questions/dodge-ram-2004-dodge-ram-no-bus

https://www.2carpros.com/questions/1999-dodge-ram-no-bus
Oct 3, 2020 at 1:37 PM (Merged)
Avatar
ALTASNOWMAN
  • MEMBER
  • 39 POSTS
Thanks KASEKENNY1. I have many more questions but for now I guess what I need to know is where the modules that I need to test are. I guess I am going to need a wiring diagram and wire color codes? I am asking as I live on a disability income that does not give me a lot of extra income so I have to plan for any major purchases. If you could help you will have my eternal gratitude.
Oct 3, 2020 at 1:37 PM (Merged)
Avatar
KASEKENNY
  • CERTIFIED EXPERT
  • 18,907 POSTS
Here is the wiring diagram for the PCI and SCI bus for the PCM. However, just checking for voltage is not going to tell you anything other than the modules have the voltage. What you need is the scan tool to plug into the vehicle and see if you can actually communicate with the modules because this is where the fault is. They are saying they can't communicate so you need to see which module cannot and then start testing. Just testing voltage on this type of BUS is not going to result in much more than frustration. Sorry to not have better information.
Oct 3, 2020 at 1:37 PM (Merged)
Avatar
ALTASNOWMAN
  • MEMBER
  • 39 POSTS
Okay, this is a update. showing code p1698. have removed and cleaned all connections on fuse block and still showing No bu5. have removed dash and will check for bad connection. needed to take break. will update soon.
Oct 3, 2020 at 1:37 PM (Merged)
Avatar
KASEKENNY
  • CERTIFIED EXPERT
  • 18,907 POSTS
Okay. Thanks for the update. Keep us posted on what you find. Thanks
Oct 3, 2020 at 1:37 PM (Merged)
Avatar
ALTASNOWMAN
  • MEMBER
  • 39 POSTS
Okay. checked and cleaned dash connections and still showing no bu5. guess I will check wiring harness now.
Just wondering if I run a jumper wire from scanner plug to dash on computer (violet) wire if it will give me my dash gauges back? Also I have to walk to service station as I think truck is out of fuel. LOL cause it sputtered and shut off now all I get is it turning over. I guess It pays to keep fuel tank full.
Oct 3, 2020 at 1:37 PM (Merged)
Avatar
PWBCKTFTII
  • MEMBER
  • 2 POSTS
Howdy, , I have a similar issue as others I have read here with a twist. When starting the truck when cold I get the no BUS message in the instrument cluster. I understand it mean there's no comm in the CAN BUS. Now here's my twist, if I drive five miles to my local gas station and put gas in the truck and restart it my gauges will work. Though I have the ABS and brake light still on. Different issue I believe. The truck doesn't stall or run poorly. I swapped out what I thought was the PCM and it didn't change anything. The module I changed was the one on the passenger fender with one large connector on it. Is this the PCM? Or is it the TCM? I have and other Module at the same height as the one described but it's on the passenger firewall with three wire connectors on it. What is this module? I replaced the VSS in the rear end and still have the ABS and brake lights on in the dash. It has been suggested I replace the ABS control module, but I want to get the no bus error fixed first. It was also suggested I may have a ground issue. I cleaned the negative cable connections and replaced the braided engine ground with no effect. All connections inspected so far have been clean and tight. Ram 1500 SLT Quad cab if it makes a difference.
Oct 3, 2020 at 1:37 PM (Merged)
Avatar
STRAILER
  • CERTIFIED EXPERT
  • 53,855 POSTS
We had this problem in the shop a while back and we had to get a rebuilt cluster for it to fix it. here is a video of the job being done in a similar car which diagrams below to show you how on your car:

https://youtu.be/_HEC44xENxw

Check out the diagrams (below). Please let us know what happens.
Oct 3, 2020 at 1:37 PM (Merged)
Avatar
KASEKENNY
  • CERTIFIED EXPERT
  • 18,907 POSTS
I doubt that will get the gauges back because that is just the communication wire from the DLC to the module. More than likely you have an issue on one of the harnesses or a connector is not seated or has water intrusion. As you are inspecting the harness, just disconnect the connectors and see if there are signs of water or any green or discolorations in it.

Sorry to hear about the fuel issue. I have been there and it is not fun.
Oct 3, 2020 at 1:37 PM (Merged)
Avatar
PWBCKTFTII
  • MEMBER
  • 2 POSTS
I'll put the instrument cluster on my list of parts to get. I still don't know which control module is which. I also still can't reconcile the warm up issue. Engine heat shouldn't reach the gauges. It may reach the modules or wiring.
Oct 3, 2020 at 1:37 PM (Merged)
Avatar
ALTASNOWMAN
  • MEMBER
  • 39 POSTS
Update. I think I may have found the problem in the CTM. I was reading the service manual that I downloaded and found a page that describes what is going on in my truck to a T. Just do not know how to add it here.
Oct 3, 2020 at 1:37 PM (Merged)
Avatar
STRAILER
  • CERTIFIED EXPERT
  • 53,855 POSTS
The control module is interrogated into the cluster. That is what is going out in most cases.
Oct 3, 2020 at 1:37 PM (Merged)
Avatar
KASEKENNY
  • CERTIFIED EXPERT
  • 18,907 POSTS
Okay. Great. The central timer module is a possibility. Let us know if that takes care of it as that information will help others. Thanks
Oct 3, 2020 at 1:37 PM (Merged)
Avatar
ALTASNOWMAN
  • MEMBER
  • 39 POSTS
Okay, I noticed that the third brake light is working, as are the reverse lights. The turn signal lights work on dash but not on the front or back lights.
Oct 3, 2020 at 1:37 PM (Merged)
Avatar
KASEKENNY
  • CERTIFIED EXPERT
  • 18,907 POSTS
We need to try to stick to one issue per post because if others are having this issue, they will not find it under the heading of No BUS.

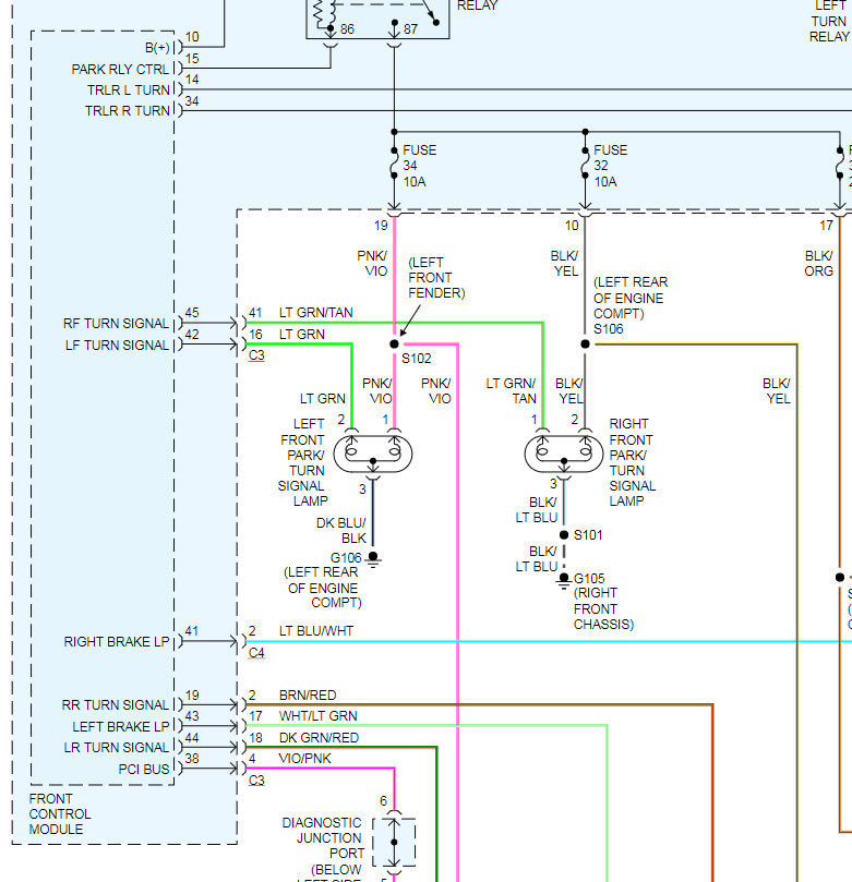
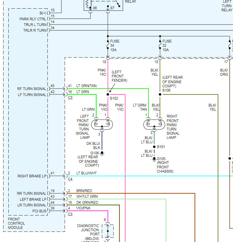
I attached a wiring diagram. If all 4 turn signals are the only thing not working but they work on the indicators, I suspect you have a Front Control Module issue. Unfortunately, there is nothing in common between all 4 lights other than this.
Oct 3, 2020 at 1:37 PM (Merged)
Avatar
ALTASNOWMAN
  • MEMBER
  • 39 POSTS
update: replaced Front Control Module and still shows No BU5. Guess I have got to now try replacing the module on the firewall (it is the one with 3 plugs) as I do not know where other modules are or where to go next. Any ideas would be helpful.
Oct 3, 2020 at 1:37 PM (Merged)
Avatar
KASEKENNY
  • CERTIFIED EXPERT
  • 18,907 POSTS
Unfortunately, without a scan tool to see if you can communicate with these modules we are just guessing.

One of the most common causes of this issue is the cluster itself. However, there could be something causing the cluster to be offline like a ground wire or a power wire so I don't want to tell you to just replace the cluster. Not only are they a little pricey but they are not the easiest thing to put in.

If it were me, I would go after the cluster next to try and verify power and ground or replace it before you replace anything else.

Note - Do not get a used cluster because they are programmed when they are plugged in with the VIN. So you can't swap them between vehicles.
Oct 3, 2020 at 1:37 PM (Merged)
Avatar
ALTASNOWMAN
  • MEMBER
  • 39 POSTS
Okay, when I plug in using a scan program (obd doctor) I can get a tachometer and speedometer, but on codes and not sure what I am looking for.
Oct 3, 2020 at 1:37 PM (Merged)
Avatar
KASEKENNY
  • CERTIFIED EXPERT
  • 18,907 POSTS
Are you saying that when you hook your scan tool up that you get codes on the speedometer and tachometer?

What I was saying earlier was if you can hook a scan tool up and communicate with each module then more than likely it is not causing your issue of No Bus.

Sorry if I am not understanding what you are saying. If you were able to get some codes, let me know what they are and we can go from there. Thanks
Oct 3, 2020 at 1:37 PM (Merged)
Avatar
ALTASNOWMAN
  • MEMBER
  • 39 POSTS
Hi KASEKENNY1, I got a code reader and it is telling me p1698, which is tranny module. unplugged the tranny mod and after clearing code tried again and I get the code again. I am going to start tracing wiring. Will let you know what I find.
Oct 3, 2020 at 1:37 PM (Merged)
Avatar
TIM WOLINE
  • MEMBER
  • 1 POST
I have the truck listed above it is a 1500. once a week my truck stalls and I get code no BUS. I turn the key three times and it reset and starts, then I am good for four or five days and it does the same thing.
Oct 3, 2020 at 1:37 PM (Merged)
Avatar
WRENCHTECH
  • CERTIFIED EXPERT
  • 20,761 POSTS
No BUS means one or more of the computers has lost communication. This can be a bad module somewhere or a wiring issue. You would have to get the codes read first and they should point you to the right module.
Oct 3, 2020 at 1:37 PM (Merged)
Avatar
KASEKENNY
  • CERTIFIED EXPERT
  • 18,907 POSTS
Okay. Just to clarify. So when you unplug it the code goes stored or goes away and then it comes back when you plug it back in?

If this is the case and the wiring checks out then that module may be the issue of the code. When I get back to my computer I will send you the detail on that code which should help as well.

Thanks for the update.
Oct 3, 2020 at 1:37 PM (Merged)
Avatar
ALTASNOWMAN
  • MEMBER
  • 39 POSTS
Update. I bit the bullet and took my truck to dealer. $686.00 Canadian later and although there are still some problems I now have brake lights, signal lights, gauges, tachometer, speedometer and almost everything is working. I was right in that it was a broken wire and was causing a short that somehow got into the canbus and caused system to stop. Now have to do rewiring of some circuits. You will not believe what/where this problem is..
Oct 3, 2020 at 1:37 PM (Merged)
Avatar
KASEKENNY
  • CERTIFIED EXPERT
  • 18,907 POSTS
Okay. You got me intrigued. Where was the issue? Thanks for the update. I am sure this information will help others. Thanks
Oct 3, 2020 at 1:37 PM (Merged)
Avatar
BKAEMPFE1989
  • MEMBER
  • 36 POSTS
So my problem is in the odometer spot it reads no bus and my check engine light is on I have had 3 different code readers read it and pulls no codes but check engine light is still on I have heard the no bus will make it do that. The truck seems to run fine gauges work it doesn't die randomly nothing out of the normal but I have no clue what to do my tags are out and I can't get inspection with the light on I would appreciate help I am a younger guy with not enough money to take it to I dealership
Oct 3, 2020 at 1:38 PM (Merged)
Avatar
HMAC300
  • CERTIFIED EXPERT
  • 48,601 POSTS
the code readers you are using are probably form an auto parts and won't read that you need this video. https://youtu.be/InIlnsjOVFA
Oct 3, 2020 at 1:38 PM (Merged)
Avatar
BKAEMPFE1989
  • MEMBER
  • 36 POSTS
I had auto zone read it and 2 mechanics and one of them had the really big nice snap on one said it was a high dollar code reader he didn't know why it wouldn't pull anything up but for me to have them run through my truck and have them run test it is 100 dollars just to diagnose
Oct 3, 2020 at 1:38 PM (Merged)
Avatar
HMAC300
  • CERTIFIED EXPERT
  • 48,601 POSTS
I really don't know what to tell you however check the grounds in the pic plus the one at center of dash and front of engine, that means making sure they are clean and not corroded. also take the cluster out smack it a few times with your hand and then put it back in some guys have had luck with that because cluster controls bus voltage also check battery for condition including load test
Oct 3, 2020 at 1:38 PM (Merged)
Avatar
BKAEMPFE1989
  • MEMBER
  • 36 POSTS
Ok thank you anyways for trying and could you send pics one more time they didn't show up on last message
Oct 3, 2020 at 1:38 PM (Merged)
Avatar
HMAC300
  • CERTIFIED EXPERT
  • 48,601 POSTS
I forgot to send it sorry it's only one. but try smacking the cluster first like I said only thing you'll have to remove it.
Oct 3, 2020 at 1:38 PM (Merged)
Avatar
COVERT_OPPS
  • MEMBER
  • 1 POST
Hello and thanks in advance.
brief background- Father and I removed transmission and changed torque converter. Truck started and was running fine during fluid fill up, I actually turned it off and restarted several times. When the fluid level was believed to be correct, and we could feel the transmission engage in both reverse and drive. I backed the truck up about 15 feet to turn around then I decided to shut it off to check/make sure that the transfercase was in 2-high before driving down the road. I ran the shifter on the transfercase through the four different gears and made sure that I was indeed in 2-high and when I tried to start it back up I could not. The motor would turn over but not start. I had no readings at the gauges and could not hear the fuel pump turn on at all. I then looked at the odometer and read the words "no bus". I have since looked up what that phrase means but am very curious to know how what happened in the time I shut the truck down to check the position of the transfercase shift lever and the failed restart.

I have not had a whole lot of time to spend working on this problem with my busy work schedule, but the one thing that I do want to do before continuing the work on my truck is make sure that the electrical and sensor connections at the transmission are good and at the same time replace a wire/plug that was damaged by a jack malfunction at the front axle during the torque converter change. I am not sure if this damaged wire came into play during my transfer case run through of the gears or not but is seems like a good baseline to have before proceeding any further.
Oct 3, 2020 at 1:38 PM (Merged)
Avatar
SERVICE WRITER
  • CERTIFIED EXPERT
  • 9,123 POSTS
The CCD bus is the communication system between all the modules on the vehicle.(powertrain control module, transmission control module, air bag module, body control module, etc...) When either the connection between the modules or a module itself has an open or short the ENTIRE communication system goes down(No BUS on the odometer will indicate this) The PCM checks on the other modules and the system integrity all the time. The easiest way to find out whether or not you have a module not responding or a link between it is to one by one un-plug a module. With a module un-hooked, clear the codes and see if the CCD bus is back up. If it is, you found your problem. If not, plug it back in and try another. CCD bus problems are found by this method.

The pcm and cluster can not be tested in this way as they provide ground. I have run into an issue with a PCM that went down when temperature affected it. This can be confirmed by removing the pcm, putting it in the freezer and then re-installing to confirm. I have heard of cluster circuit boards with bad solder points. But since this problem is new and happening after the work you did, first recheck anything that was unplugged and possibly damaged or corroded.
Oct 3, 2020 at 1:38 PM (Merged)
Avatar
DOUG WENZEK
  • MEMBER
  • 1 POST
Intermittent start problem. Trucks runs good can die when driving with no notice, sometimes will start after one minute, Mileage blinks then shows (No Bus). I have no code with OBD2. Had it in a dodge repair shop, no luck finding problem. No mechanic seems to know what (No Bus) means. Can you please help.
Thank You
Doug Wenzek
Oct 3, 2020 at 1:39 PM (Merged)