Drive Train Axles Bearings problem
1994 Ford Explorer 6 cyl Four Wheel Drive Manual 125000 miles
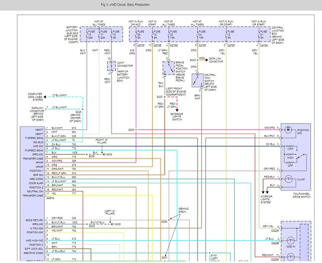
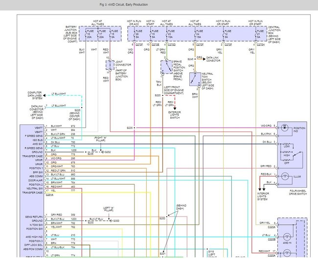
I replaced the tranfer case motor on my Ford Explorer , The 4x4 and Low Range lights on the buttons in dash would light but the transfer case would not engage . (before the replacement ) After I removed the Transfer Case motor I had my wife engage the 4x4 button to see if the motor would turn . It didnt , but she also said the light would not come on . I assumed it needed to be grounded . So I continued with the replacement . When finished the light would not come on or the transfer case engage . I removed the transfer case motor checking my work . I then reinstalled the motor , cleaning the ground at the back of the motor where the support bracket mates to the transfer case . Still nothing . I unplugged the wiring harness and checked the power cable with a multi meter , doesnt seem to be any power to the cable , I the checked the 20 Amp high out put fuse under the hood it was not blown . not sure what to do next . I called the garage they said they have never had to remap the control module after a change . The Instructions with the NAPA reman. motor said you may or maynot have to remap . Thanks , Ron
Jan 2, 2017 at 11:05 AM
(Merged)