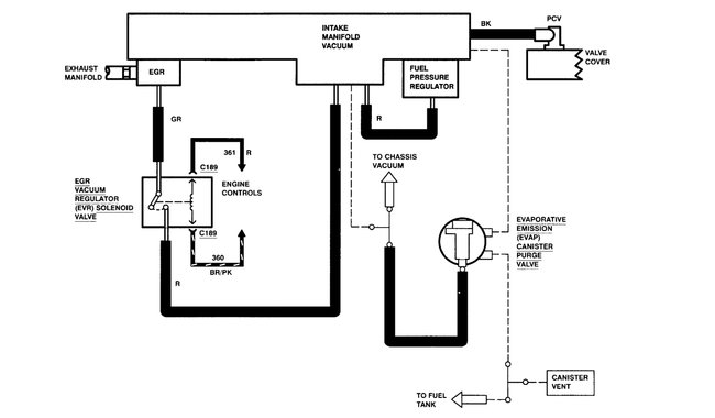
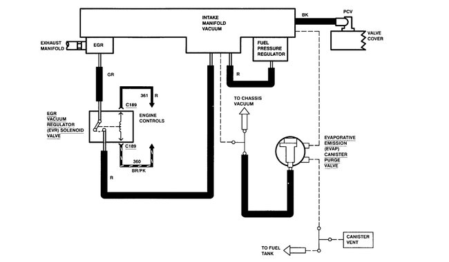
I have a 01 Ford Taurus V6 3.0L about 119,000 miles. The engine light came on about 2 weeks ago and I had codes pulled and it came up EGR valve. Now I have been told it could be other things such as the catalytic converter or air filter. Is this true? My car runs wonderful, accelerates fine, drives excellent. But when I am going steady anywhere from 30 to 40mph it feels like it is lurching/jerking back and forth. It does not feel as if it is going to stall or anything. It sits and idols fine as well. No overheating or smell of gas or banging or clanging anywhere. But it does seem to be going through gas more then normal. I just don't know where I should start and if anyone has any suggestions as to where to start or what it could actually be, please help. =)
May 1, 2010 at 11:58 AM












