Hard steering wheel

2006 CHEVROLET IMPALA
150,000 MILES • V6 • AUTOMATIC
Avatar
OCTEXAS
  • MEMBER
  • 3 POSTS
So my steering wheel has been giving me some problems. About six months ago the steering wheel started to get hard so we changed the steering fluid pump. That did not do the trick so we had to change the rack and pinion. It worked at first but the steering wheel would get hard sometimes. So we needed just removing the lid of the steering fluid pump. This worked for a couple months, but it started to slowly stop working. One thing that did help was when we would lift the car to change the oil or put on new tires the car seemed to turn perfectly fine and very smoothly afterwards. I noticed that while driving and pressing the gas the steering wheel is easier to turn (not easy, but easier). When I am at a stop sign and have to turn right for example it becomes very hard to the point where I can barely turn. Also at time when the car is first used in the morning the steering wheel seems not to be as hard to turn. We sucked out the steering fluid and added new fluid and that has not seemed to work. Any ideas? Please let me know.
Jun 8, 2016 at 8:06 PM
Advertisement
Avatar
STRAILER
  • CERTIFIED EXPERT
  • 53,855 POSTS
Yes, the steering rate sensor is bad and needs to be replaced, here is a pictue of its location #1(On steering column). Let me know how it goes.

Best, Ken

Jun 11, 2016 at 2:04 PM
Avatar
SHARQUILL
  • MEMBER
  • 5 POSTS
I had got a new power steering pump and the shop told me I need a rack and I got the rack and they replace the rack and the steering wheel still hard to turned and I spend money and the problem not solved. What the next problem?
Jul 16, 2018 at 2:38 PM (Merged)
Advertisement
Avatar
SHARQUILL
  • MEMBER
  • 5 POSTS
Update: They had to replace the steering wheel angle sensor cost me $230.00 all fixed!
Jul 16, 2018 at 2:38 PM (Merged)
Avatar
JDL
  • CERTIFIED EXPERT
  • 16,098 POSTS
Nice work, we are here to help, please use 2CarPros anytime.

Cheers
Jul 16, 2018 at 2:38 PM (Merged)
Avatar
SHARQUILL
  • MEMBER
  • 5 POSTS
I will!
Jul 16, 2018 at 2:38 PM (Merged)
Avatar
JDL
  • CERTIFIED EXPERT
  • 16,098 POSTS
Another thought, if everything we have talked about is okay. You might raise and safely support the front of vehicle, take tie-rods loose from steering knuckle, then see if you can turn the steering knuckle okay. If not, then you may have found your problem?
Jul 16, 2018 at 2:38 PM (Merged)
Avatar
SHARQUILL
  • MEMBER
  • 5 POSTS
No it has not been replaced.
Jul 16, 2018 at 2:38 PM (Merged)
Avatar
MARBROYLES38
  • MEMBER
  • 1 POST
My steering was just fine fine until I got stuck in the snow and now my steering is hard to turn. It is like the power steering is out, but checked the fluids on it and it is fine. I also tried to get off all the snow I could from under the car.



Jul 16, 2018 at 2:38 PM (Merged)
Avatar
JACOBANDNICKOLAS
  • CERTIFIED EXPERT
  • 110,175 POSTS
Hello,

It sounds like you lost the power steering pump which could have nothing to do with the snow. Here is a guide to help you see what you are in for when changing the pump out:

https://www.2carpros.com/articles/how-to-replace-a-power-steering-pump

Check out the diagrams (below).

Let us know what happens and please upload pictures or videos of the problem.

Cheers
Jul 16, 2018 at 2:38 PM (Merged)
Avatar
SHARQUILL
  • MEMBER
  • 5 POSTS
Can the tire rod be the problem?
Jul 16, 2018 at 2:38 PM (Merged)
Avatar
JDL
  • CERTIFIED EXPERT
  • 16,098 POSTS
I suppose it could? I do not know what else to tell you? You are not answering any of my questions, so I do not know where to turn?
Jul 16, 2018 at 2:38 PM (Merged)
Avatar
MARBROYLES38
  • MEMBER
  • 1 POST
Yes, you were right. I got a pump for $78.00 and installed it (thanks for the guide) and now it works great, but you need to let it sit after it is together so the air bubbles can get out of the system, FYI.
Jul 16, 2018 at 2:38 PM (Merged)
Avatar
CAJUNGUY65
  • MEMBER
  • 3 POSTS
My car which I just purchased recently had a power steering issue. I have filled the reservoir with power steering fluid. It is extremely hard to turn. The fill reservoir is on the engine block in the rear of the engine. I cannot see any pulley for a belt. What can cause this extremely hard turning issue?
Jul 16, 2018 at 2:39 PM (Merged)
Avatar
HMAC300
  • CERTIFIED EXPERT
  • 48,601 POSTS
If it is hard to turn it is either the rack and pinion bad or the pump does not have enough pressure if fluid is black it may be the rack and pinion.
Jul 16, 2018 at 2:39 PM (Merged)
Avatar
JSLIGH34
  • MEMBER
  • 12 POSTS
2006 Chevrolet Impala SS 5.3L - 103,000 miles

When turning the steering wheel all the way or close to all the way in either direction while moving, I hear a loud squealing noise, and then immediately steering becomes hard, tight. After flooring the gas pedal and a few normal turns while on the gas, steering becomes relieved. Also, steering is normal when on the gas like that.

I have had the power steering pump, rack & pinion, and the return hose all replaced. Could this be an issue with the serpentine belt or something with the suspension?
Mar 25, 2019 at 11:47 AM (Merged)
Avatar
CARADIODOC
  • CERTIFIED EXPERT
  • 34,308 POSTS
This would be typical of a slipping belt. It could be worn but usually it is due to a weak or sticking spring-loaded tensioner pulley. Belt dressings will make flat serpentine belts squeal too. No dressings should ever be used on them.
Mar 25, 2019 at 11:47 AM (Merged)
Avatar
JSLIGH34
  • MEMBER
  • 12 POSTS
Thank you so much for your reply. I never have used any dressing on the belt. Would I be better off just getting a belt and the pulley at the same time since it is all relative to one another?

Also, I notice the pulley on the alternator makes a squeaking noise when the car is on. Could this cause any issue or would I just simply need to tighten or replace that pulley?
Mar 25, 2019 at 11:47 AM (Merged)
Avatar
CARADIODOC
  • CERTIFIED EXPERT
  • 34,308 POSTS
First you have to be sure the belt is tight. They don't stretch much so almost all engines use spring-loaded tensioner pulleys. Tug on the belt and watch for a pulley that moves, then goes back when you release the belt. (I recommend doing that with the engine off)! If the squeal started right after the power steering pump was replaced, the belt would have been removed by moving that tensioner, and if it's rusting tight it may have never sprung back all the way.

GM has had a real big problem with their generators failing since they were redesigned for the '87 model year, and besides the rash of electrical failures they also have had some trouble with the front bearings. There is very little clearance between the "stator" coil of wire and the "field winding" which rotates. When a little play develops in the bearings the rotor can catch on the stator and lock up the assembly. You might be hearing that bearing just starting to fail, or you might be hearing the belt slip over its pulley.

If the belt has more cracks on the ribbed side than about one per inch it's time to replace it anyway. Wear can make the belt not make full contact between the ribs and the grooves in the pulleys, but it is much more common for the belt to just be loose.
Mar 25, 2019 at 11:47 AM (Merged)
Avatar
JSLIGH34
  • MEMBER
  • 12 POSTS
I will be sure to check the belt more closely tomorrow. By looking, it is visually ok. I will try to see if a pulley moves, with the engine off of course! Hopefully I won't have to get a whole new tensioner because my model is expensive. The pulley itself is cheap.

My generator is good according to the test but you can hear the squeak while the belt is moving and the bearing or pulley on it doesn't seem on right, kind of crooked if you look closely. Also, I had both of my front bearings replaced a few months back. I got the error code for one so I just had both changed. They should be good.

This morning as I was turning I heard the screech and then steering was rough all day until a little while ago I was making a turn, I put a lot of pressure on the wheel and hit the gas and it jerked back to normal, and it will be until I make another sharp turn and hear the screech/squeal. Doesn't make sense to me! When jacked off the ground, steering is also easier after it becomes rough. Somebody also suggested the belt tensioner, along with checking ball joints and making sure strut mounts are free.

I really appreciate your help. If you have anything further from this please let me know!
Mar 25, 2019 at 11:47 AM (Merged)
Avatar
TIKICEE
  • MEMBER
  • 1 POST
a couple of days ago my power steering failed. I replaced the fluid but it still is hard to turn, I've checked it almost everyday and I have continued to put fluid in. A couple of months ago I noticed a funny sweet like smell coming from the engine, I've replaced the coolant twice already. Is there a possibility that these problems are working hand in hand. I've never noticed any leaks on soils on the pavement.
Mar 25, 2019 at 11:47 AM (Merged)
Avatar
BRIAN 1
  • CERTIFIED EXPERT
  • 1,030 POSTS
they are 2 different problems,the p/s has to be leaking from somewhere.I suggest bleeding the p/s system,but before you do check for leaks,very common problem is the low pressure p/s hose leaking. as far as the coolant have the system pressure tested to find a leak.if no visable leak is found could be internal leak. post back with an other questions.
Mar 25, 2019 at 11:48 AM (Merged)
Avatar
IBMJ
  • MEMBER
  • 1 POST
Steering problem
2001 Chevy Impala Front Wheel Drive Automatic 126000 miles

I am having a very hard time starting the veh without pulling on the steering wheel quite hard & to the left. It is also making a horrible noise, not high pitched, but a dense, sort of grinding noise. Nothing leaking, pwr steering fluid level good. Help!!

Also odometer will not light up. Everything else lights up perfectly. Fuses look good.
Mar 25, 2019 at 11:48 AM (Merged)
Avatar
JACOBANDNICKOLAS
  • CERTIFIED EXPERT
  • 110,175 POSTS
Hi:
When turning the vehicle, does it feel like it's fighting you? If the PS fluid is full, it sounds like the steering rack and pinion is going bad. Have a mechanic check it.

Also, if all other lights are working, the bulb needs replaced.

I hope this helps. Let me know if you have any other questions.

Joe
Mar 25, 2019 at 11:48 AM (Merged)
Avatar
WILLIEFERGUSON
  • MEMBER
  • 1 POST
i have a power steering problem its hard to turn the wheel and inside where the power steering fluid goes it looks all bubbly
Mar 25, 2019 at 11:48 AM (Merged)
Avatar
SCOTTY DEE
  • CERTIFIED EXPERT
  • 592 POSTS
The way to fix this i1. Fill the fluid reservoir to the FULL COLD level. Leave the cap off.

2. Raise the front wheel off the ground.


3. Attach the J 43485 (Adapter) to the J 23738 (Mityvac), or equivalent. Place the J 43485 on/in the pump reservoir filler neck (refer to graphic). Apply a vacuum of 20 in Hg MAXIMUM.

Note: If the J 43485 (adapter) is not available, an equivalent can be made using a rubber seal/stopper and brass fitting.

Important: An assistant is needed for the next step.

4. Apply vacuum while turning the steering wheel lock to lock. Maintain 20 in Hg while turning. Using a clear line will allow you to see bubbles evacuating system. Stop when no more bubbles are seen.

5. Wait five minutes. Typically vacuum drop is 2-3 in Hg. Verify the fluid level. If the fluid level is low, fill to the full line.

6. Reinstall the cap. Start and idle the engine.

7. Turn the engine off. Verify the fluid level. If the fluid level drops, add fluid. Repeat Steps 4 and 5 until the fluid level stabilizes.

8. Start and idle the engine. Turn the steering wheel 180°- 180°in both directions five times. DO NOT TURN TO LOCK.

9. Switch the ignition off. Verify the fluid level.

10. Install the cap. The bleed procedure is complete.
s as follows.
Mar 25, 2019 at 11:48 AM (Merged)
Avatar
TIFFSHULER
  • MEMBER
  • 1 POST
I'm hearing an irritating whining noise, the car is getting hard to steer; however, the fluid level of the power steering fluid is full.

Could it still be the power steering pump?
Mar 25, 2019 at 11:48 AM (Merged)
Avatar
SCOTTY DEE
  • CERTIFIED EXPERT
  • 592 POSTS
GM had a TSB on this problem. The recommendation is to replace the power steering fluid with new fluid, and with a cap adaptor using a vacuum pump at the resevoir, with the car off the ground, apply vacuum to the resevoir while turning the steering wheel clock to clock several times.

This has worked for me on other makes with similiar issues. It's an inexpensive thing to try.
Mar 25, 2019 at 11:48 AM (Merged)
Avatar
RECE39
  • MEMBER
  • 1 POST
I got my power steering pump replace & now my car squeaks. What's the problem?
Mar 25, 2019 at 11:48 AM (Merged)
Avatar
JACOBANDNICKOLAS
  • CERTIFIED EXPERT
  • 110,175 POSTS
Check to make sure the belts are tight and clean. Often times, oil or other substances get on the belt and cause a noise.
Mar 25, 2019 at 11:48 AM (Merged)
Avatar
HURT717
  • MEMBER
  • 1 POST
Steering problem
2005 Chevy Impala 6 cyl Front Wheel Drive Automatic

When rocking the steering wheel left to right, I feel and hear clunking sound. The intermediate shaft has been replace and it didn't solve the problem. What else could be the cause? I can't seem to find any front suspension part that has play in it. This condition is only felt when the car is on the ground and not jack stands.
Mar 25, 2019 at 11:48 AM (Merged)
Avatar
JACOBANDNICKOLAS
  • CERTIFIED EXPERT
  • 110,175 POSTS
Have you checked ball joints? Control arm bushings? Have you checked to make sure the rack and pinion is tight?
Mar 25, 2019 at 11:48 AM (Merged)
Avatar
KFOWLS
  • MEMBER
  • 1 POST
Our power steering is not working and the fluid is OK and we just had a new serpentine belt put on. What else could it be?
Mar 25, 2019 at 11:48 AM (Merged)
Avatar
BLUELIGHTNIN6
  • CERTIFIED EXPERT
  • 16,542 POSTS
hello and thanks for donating!


if your vehicle's power steering is not operating and the fluid level and drive belt is OK, suspect faulty power steering pump.
Mar 25, 2019 at 11:48 AM (Merged)
Avatar
HIDME
  • MEMBER
  • 27 POSTS
My 2004 Impala makes whine noise when turn steering wheel left or right. It is louder when the car is driving. It does even when the car is idle.
Can any one tell me what could be the cause?

Thanks
Mar 25, 2019 at 11:48 AM (Merged)
Avatar
FIXITMR
  • CERTIFIED EXPERT
  • 9,990 POSTS
low power steering fluid level? pump going bad?
Mar 25, 2019 at 11:48 AM (Merged)
Avatar
HIDME
  • MEMBER
  • 27 POSTS
The power steering fluid unit is sealed. Can not check fluid level.
Mar 25, 2019 at 11:48 AM (Merged)
Avatar
SATURNTECH9
  • CERTIFIED EXPERT
  • 30,869 POSTS
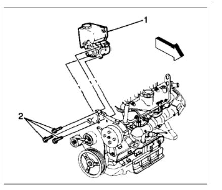
Hey fixitmr found some info that could help hidme with his possibly low power steering fluid.I also posted a diagram showing where the power steering pump on a 3.8L engine sound's like that's the one he has and that's why he thinks it's sealed.

Because the power steering reservoir on 3800 V6-equipped vehicles is located behind and below the rear cylinder head, the fluid level may not be getting checked and/or topped off similar to other vehicles which have a reservoir that is located on the upper portion of the engine. This condition could be more prevalent with vehicles serviced at non-GM dealerships.
Mar 25, 2019 at 11:48 AM (Merged)
Avatar
HIDME
  • MEMBER
  • 27 POSTS
Thanks a lot! I will try to check.
Mar 25, 2019 at 11:48 AM (Merged)
Avatar
SEAN MAR.
  • MEMBER
  • 1 POST
why does my 2003 impala still have a power steering leak after replacing the whole system? It seems to be coming from the cap. so i replaced that too. It still leaks.
Mar 25, 2019 at 11:48 AM (Merged)
Avatar
HMAC300
  • CERTIFIED EXPERT
  • 48,601 POSTS
if you had it professionally done, then take it back andcomplain, they will fix it. you could have a clamp loose or a fitting not tightened orit may be residual oil hangingon the frame orengine someplace. it needsto bephysically lookedat to seewhereit'scoming from.
Mar 25, 2019 at 11:48 AM (Merged)