Codes P043E, P043F, P2401, P2402, and P2419

2012 TOYOTA RAV4
90,000 MILES
Advertisement
Avatar
NADHEER
  • MEMBER
  • 132 POSTS
14.5 mpg have disappeared.
Way this happened?

Now it 60 F (temperature degree)
Jun 10, 2022 at 10:48 PM
Avatar
AL514
  • CERTIFIED EXPERT
  • 5,465 POSTS
Did you happen to push a button on your dashboard, there must be a way to select different settings for the instrument cluster. Check to see if there is anything in the owner's manual in the glove box.
Jun 11, 2022 at 2:35 PM
Advertisement
Avatar
NADHEER
  • MEMBER
  • 132 POSTS
Dashboard information.
Jun 12, 2022 at 8:18 AM
Avatar
AL514
  • CERTIFIED EXPERT
  • 5,465 POSTS
Looks like you're getting terrible gas mileage now. Are you still getting the same codes setting? I don't think the cleaner you used helped the vent shut off valve at all. Right now, with gas mileage that bad, it looks like either the engine is drawing gasoline directly into the engine threw the Purge valve, or the vent valve is now stuck open and it's created a huge vacuum leak and there is a ton of extra air going into the engine. And the engine computer is compensating for it by adding a lot of gas to the air/fuel mixture. What are your oxygen sensors reading? and what codes are set?
Either way messing with the canister assembly made the situation worse.
Jun 12, 2022 at 9:48 AM
Avatar
NADHEER
  • MEMBER
  • 132 POSTS
I don't know oxygen sensors reading. where I can get it?
Jun 12, 2022 at 10:10 AM
Avatar
NADHEER
  • MEMBER
  • 132 POSTS
No codes set until now.
Jun 12, 2022 at 10:11 AM
Avatar
NADHEER
  • MEMBER
  • 132 POSTS
If I clean the purge valve, what will happen?
Jun 12, 2022 at 10:14 AM
Avatar
NADHEER
  • MEMBER
  • 132 POSTS
Well, what should I do now?
Jun 12, 2022 at 10:35 AM
Avatar
NADHEER
  • MEMBER
  • 132 POSTS
It was 14.4MPG and you said it had to be. 23MPG And now after I cleaned the refueling valve, it's 17.7 MPG.
Why do you say that messing around made it worse?
Jun 12, 2022 at 11:32 AM
Avatar
AL514
  • CERTIFIED EXPERT
  • 5,465 POSTS
I saw the 9.9 and thought that was the mpg, if no codes have come back then that's good. How is it running? No lack of power or anything? 23 MPG was the average on these vehicles when new. If no codes come back the gas mileage will get better. About 18mpg is definitely better. Try getting it out on the highway, it will help clear out any carbon that may have built up since it was running so rich before.
Jun 12, 2022 at 2:50 PM
Avatar
NADHEER
  • MEMBER
  • 132 POSTS
What is the deference between instantaneous fuel consumption and the average fuel Consumption? and how much everyone must be?
Jun 13, 2022 at 3:52 AM
Avatar
NADHEER
  • MEMBER
  • 132 POSTS
Car running well. There is no shortage of strength and determination.
Jun 13, 2022 at 10:17 AM
Avatar
NADHEER
  • MEMBER
  • 132 POSTS
What should i do now? Through your notes on the photos, I sent you, what is wrong and what can I do? Does the evaporation assembly need to be replaced with a new one?
Jun 13, 2022 at 12:25 PM
Avatar
NADHEER
  • MEMBER
  • 132 POSTS
On Friday, after I finished cleaning the evaporation system, I drove a 32-mile long line, and the car performed very well and was light, and the average fuel consumption was about 17.7 MPG, but today I set the average meter and traveled the car. 5 miles and the average ranged from 9.9 to 14.4 MPG.
Jun 13, 2022 at 12:32 PM
Avatar
AL514
  • CERTIFIED EXPERT
  • 5,465 POSTS
Well, if no codes have returned yet on the Evap canister I wouldn't worry about it too much. When was the last time you had a regular tune up done? At least spark plugs. Also, those faults on your scan tool were "Pending Faults" did they change into active or Current faults? If those codes come back, you're just going to have to change the Evap assembly. If there were no other obvious issues such as corroded wire connections or anything like that. By the look of the canister, it was pretty dirty, so it's a good chance over the years some of that got into the canister assembly. It's in a place on the vehicle where it is exposed to a lot of dirt and dust.
Jun 13, 2022 at 1:45 PM
Avatar
NADHEER
  • MEMBER
  • 132 POSTS
Faults was Change to historic faults.
Jun 13, 2022 at 1:52 PM
Avatar
NADHEER
  • MEMBER
  • 132 POSTS
No codes have yet been turned to Evap assembly. The last time I had a regular tune-up was a couple of months ago, I checked the spark plugs and cleaned the blowtorch carbon. And I used Toyota's own fuel injector cleaner solution. When I cleaned the EVAP assembly and put it back in its place and checked the car with the scan tool, the errors appeared hanging, so I disconnected the car battery and checked it again and it appeared as hysterical errors. So far, no error codes appeared until now.
Jun 13, 2022 at 2:08 PM
Avatar
NADHEER
  • MEMBER
  • 132 POSTS
What about purge valve it need clean or no?
Jun 13, 2022 at 2:09 PM
Avatar
AL514
  • CERTIFIED EXPERT
  • 5,465 POSTS
So, there are no current faults at all? If so, then do a tune up, at least replace the spark plugs and the air filter. I can't see any real live data on your scan tool, so I have no way of knowing how it's really running. There are some better apps to try with that Bluetooth ELM 327. Some App that will show live data of the engine running. Torque is not a very good app, having an app that can provide live data such as, Long and Short Fuel Trim, Oxygen sensor data, Mass Air Flow sensor, etc. Would help to see the overall health of the vehicle. Maybe try MotorData OBD ELM car scanner. It provides a lot of really good live data. I've actually used that in the past.
I wouldn't spray anything into the Purge valve, it might fail if you do that.
In a shop we would do a lot more testing with equipment you don't have, to test for leaks and monitor components with higher-end scan tools. Thats why without a lot of data, and no codes right now, it's hard to tell you exactly what is going on with the vehicle. Everything is computer controlled, you can check the purge valve and make sure it's not stuck open, but don't spray any chemicals into it.
Toyota's are good vehicles, I'd say the best on the market, The vehicle was running rich for a while so that's why I would check the spark plugs for carbon build up.
Jun 13, 2022 at 2:18 PM
Avatar
NADHEER
  • MEMBER
  • 132 POSTS
I changed the air filter 4 months ago and I changed the spark plug coils a month ago.
Jun 13, 2022 at 2:26 PM
Avatar
NADHEER
  • MEMBER
  • 132 POSTS
Codes have return today.
Jun 15, 2022 at 7:12 AM
Avatar
AL514
  • CERTIFIED EXPERT
  • 5,465 POSTS
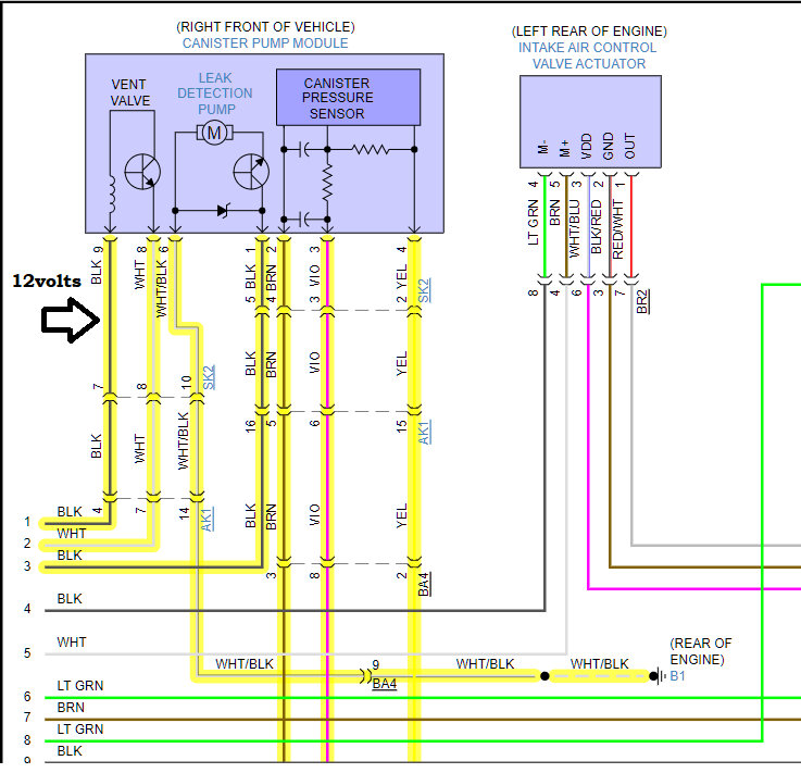
Okay, then you're left with replacing the Evap assembly. From the looks of it there is probably dirt and dust from the road in it. You can try checking for batter voltage on this Black wire with the Key On, but the system might be disabled with codes stored in the computer. Besides that, i don't have any more for you. One of our databases for vehicle information is down. Plus, you would need a high-end scan tool to bi-directional operate any of those components. Also, this is an integrated component, so you might want to get it from the dealership. Write the codes down and bring them with you also in case they have any additional questions for you. But if you didn't find any wiring problems to the canister, it appears to be a failure.

https://www.2carpros.com/articles/how-to-use-a-voltmeter

https://www.2carpros.com/articles/how-to-check-a-car-fuse
Jun 15, 2022 at 8:29 AM
Avatar
NADHEER
  • MEMBER
  • 132 POSTS
Codes have be return today.
Jun 15, 2022 at 9:12 AM
Avatar
AL514
  • CERTIFIED EXPERT
  • 5,465 POSTS
What other codes are you getting with the traction control light, brake light, 4wd light and check engine light on? You may have codes stored in the ABS module. You will need a scan tool that can scan other modules in the vehicle besides the engine computer. It needs a full system scan done. You're sure you didn't damage any wire while putting the Evap Canister back in? The rear driver side ABS sensor wiring, and the Skid control wiring run back there.
Jun 15, 2022 at 11:45 AM
Avatar
NADHEER
  • MEMBER
  • 132 POSTS
Do you mean this scan tool?
Jun 15, 2022 at 12:17 PM
Avatar
NADHEER
  • MEMBER
  • 132 POSTS
Yes, I am sure I did not damage any wire while returning the Evap Canister.
Jun 15, 2022 at 12:31 PM
Avatar
AL514
  • CERTIFIED EXPERT
  • 5,465 POSTS
No, that is only a basic global OBD2 scan tool, it will only scan the engine computer. There are most likely codes stored in the ABS module, it's not good that your brake light is on. Plus, every other light. It's kind of strange all those lights came on right after you put the Canister back in. You need to check the wiring to rear wheel speed sensor and the Skid sensor back on whatever side the canister is on. And make sure nothing came unplugged. None of those lights were on before.
Jun 15, 2022 at 2:42 PM
Avatar
NADHEER
  • MEMBER
  • 132 POSTS
The size of the car tires has been changed for a variable size than the required size according to the manufacturer's instructions. The tires currently installed above the car are 245/65R17 111H.

Right Size 225/65R17 101H. Could this be the reason for the appearance of Trac and 4wd codes?
Jun 16, 2022 at 10:52 AM
Avatar
NADHEER
  • MEMBER
  • 132 POSTS
No brake code.
The signal was visible because I used to apply the parking brake while I was stopping the car.
Jun 16, 2022 at 10:58 AM
Avatar
AL514
  • CERTIFIED EXPERT
  • 5,465 POSTS
The light can be on due to low brake fluid in the Brake Master cylinder, the Parking brake is stuck on, some kind of issue with the Skid control unit. I can see the wrong size tires shutting off the traction control or Skid control, but the Brake light itself being on. Did you recently change the tires, because none of those lights were on in any of your other pictures? And if there were any Brake related codes, they would be stored in the ABS module.
Jun 16, 2022 at 5:18 PM
Avatar
NADHEER
  • MEMBER
  • 132 POSTS
I bought this car a year ago from a friend of mine and my friend changed the car tires before he sold it to me. The car has been with me for about a year, and these signs are on the dashboard, the 4wd and track codes.
Jun 20, 2022 at 11:17 AM
Avatar
AL514
  • CERTIFIED EXPERT
  • 5,465 POSTS
So, you drove this for about a year and then the warning lights came on? So, it's probably not due to the tires, plus you have the 4 Evap codes stored in the Engine computer still, correct?
Jun 20, 2022 at 11:24 AM
Avatar
NADHEER
  • MEMBER
  • 132 POSTS
The light is on due to the parking brake was stuck on .
Jun 20, 2022 at 11:30 AM
Avatar
NADHEER
  • MEMBER
  • 132 POSTS
I bought the car a year ago, and the signs on the dashboard have been around for a year. The check code, the tractor code and the 4WD were there a year ago.
Jun 20, 2022 at 11:35 AM
Avatar
NADHEER
  • MEMBER
  • 132 POSTS
This picture was taken today when I filled up the car at the station with 20 liters gasoline.

Counter number 163 mpg, the total consumption of the car is 40 liters gasoline.
Jun 20, 2022 at 11:41 AM
Avatar
AL514
  • CERTIFIED EXPERT
  • 5,465 POSTS
The 163 is only the Trip Mileage counter, I'm looking at the 15.1 MPG, which depends on if its city driving or highway type driving. Because there was a fault in the Evap system the engine computer adapted and learned a new fuel strategy to stay as close as possible to emissions standards. Now if the codes stored in the engine computer are labelled "Historical" that means the engine computer is not seeing that fault currently. And your gas mileage is getting better. When you were at about 40 miles on the Trip counter, you were at about 12 MPG, now you're at 15 MPG. So, if that stuck vent valve was the issue, and that fault is not occurring anymore, the engine computer is slowly relearning its fuel strategy and its improving. The scan tool app you're using doesn't have the ability to clear out the memory to where the engine computer would be learning from a default type of state, like when the vehicle was first bought. If everything is ok with the Evap system, the codes will eventually disappear after it runs enough of its self-tests. This car should average about 21mpg during the city, stop and go type driving. If the codes are still there and are current, then the Evap assembly is most likely at fault and needs to be replaced. Is that what you are wondering?
Jun 20, 2022 at 12:05 PM
Avatar
NADHEER
  • MEMBER
  • 132 POSTS
Yes, that is my wondering.
Jun 20, 2022 at 12:30 PM
Avatar
NADHEER
  • MEMBER
  • 132 POSTS
2T3BF4DV2CW234743
This my vehicle VIN.
You can see all its historical report.
Jun 20, 2022 at 12:31 PM
Avatar
AL514
  • CERTIFIED EXPERT
  • 5,465 POSTS
Historical Faults are not currently happening. Are there any Faults that are current? There isn't anything to look up with the VIN number. I have the vehicle information. Without live data or any data is hard to say if there's anything else wrong.
Jun 20, 2022 at 12:49 PM
Avatar
NADHEER
  • MEMBER
  • 132 POSTS
Car Scanner ELM OBD2
DTC report 20/6/2022
Selected brand: Toyota
VIN: 2T3BF4DV2CW234743

============1==============
P043E
Raw code: 043E
ECU: Engine control unit
Status: Confirmed
OBDII: Evaporative emission (EVAP) leak detection reference orifice - low flow

============2==============
P043F
Raw code: 043F
ECU: Engine control unit
Status: Confirmed
OBDII: Evaporative emission (EVAP) leak detection system reference orifice - excessive flow detected

============3==============
P2401
Raw code: 2401
ECU: Engine control unit
Status: Confirmed
OBDII: Evaporative emission (EVAP) leak detection pump, control - circuit low

============4==============
P2402
Raw code: 2402
ECU: Engine control unit
Status: Confirmed
OBDII: Evaporative emission (EVAP) leak detection pump, control - circuit high

============5==============
P2419
Raw code: 2419
ECU: Engine control unit
Status: Confirmed
OBDII: Evaporative emission (EVAP) switching valve - circuit low

============6==============
P1603
Raw code: 1603
ECU: Engine control unit
Status: Confirmed
OBDII: EEPROM Malfunction
Jun 20, 2022 at 12:56 PM