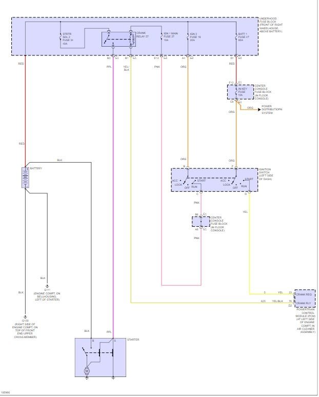
Will not crank or start. we have power and when trying to start there is a clicking noise coming from the fuse box. We replaced the starter, alternator, BCM, ignition control module, coil packs all withing the week with no change.
Apr 8, 2018 at 8:09 AM




