Engine stalled while driving

2010 FORD F-450
60,000 MILES • 6.0L • V8 • TURBO • 2WD • AUTOMATIC
Avatar
AZZAM12AZZAM
  • MEMBER
  • 86 POSTS
Hi every body,

Today my car stopped when i drove about 500 meter from home in traffic light
I have lcd in the car shows ( volts) in the right and (amps) in the left as in video i have noticed when i put switch in on position the amps start with minuses n0 like ( -180) after 30 seconds stop in ( -13) i new from before when i start the car or the switch in on position (amps) should be in ( +numbers) my question is
1-what is amps stand for,.
2-where can i found it in the car.
3-why now when i put switch in on position give (-180) to ( -13) and volts is 12 to 12.2.
4-how can i solve this problem to have amps on plus number again to start the car
(in the end of video you see how i tried to start the car an battery start go down and lcd behavior)?

Thank you
Dec 26, 2019 at 3:15 PM
Advertisement
Avatar
JACOBANDNICKOLAS
  • CERTIFIED EXPERT
  • 110,175 POSTS
We are looking at two very different things. Voltage and amperage, although both a measurement of electrical current, are different. Voltage is the measurement of pressure allowing power to flow and amperage is the measurement of the volume of electrons which are flowing.

First, I don't recognize the gauge you have on the truck. Is this something that was added aftermarket? Second, what is it connected to?

I did note that as the voltage increased, the draw decreased on the amperage. If it is a negative, normally that indicated there is a draw which is not being replaced by a component such as the alternator on your vehicle.

Let me know any specifics you can so I can better help.

Take care,
Joe
Dec 26, 2019 at 10:09 PM
Avatar
AZZAM12AZZAM
  • MEMBER
  • 86 POSTS
thank you Joe I really appreciate your help.
I thing the gauge added after market i bout the car second hand it is an ambulance.
i added this pictures i hope it will help if didn't please advice me how to make thing easier to you.
first picture it is the main power switch witch connect with five wires as in the second picture i believe 2 wires (+ ,-) comes from battery and tow wires(+ ,-) goes out to the box for lights and fan connected to keys inside the box as seen in the fourth picture and these wires connected to the control panel similar to the last picture
the keys inside in the box for light dome fan refrigerator rear A/Cetc.. and all functions well when the car start running (most rest of wires it is for sirens was removed from buyer).
the fifth wire connect to the gauge.
am not expertise am telling you from seeing i did my best.
what i have noticed the gauge led on when i put switch in on positions (may be the fifth wire connect to switch?) and noticed the car well start if the amps in + numbers am not sure is it related to engine but i doubted because now when i put key in on position i get minus number before i start the engine witch never star if the amps in minus number do you agree with me the engine has nothing to do with low amps and it is electric problems.
the fourth picture is the tray for the battery witch i put three of them 65 amp each, but i removed it to charge after empty from trying to start the car. the fifth picture what am trying to do to converted. six picture is my car.
sorry for making the story long.
thanks again for your time.
Dec 27, 2019 at 2:32 PM
Advertisement
Avatar
JACOBANDNICKOLAS
  • CERTIFIED EXPERT
  • 110,175 POSTS
Wow! You have your hands full. Please bear with me. These things are all aftermarket, so I have nothing to go by. However, since you have multiple electrical components that may be running with the key on and engine off, that is most likely why you are seeing a negative draw on the amperage. Is there a way for you to turn all added aftermarket components off to see if the amperage changes? If voltage is too low, the engine will not start. So without being there, that is what I suspect is happening.

Let me know.
Dec 27, 2019 at 8:12 PM
Avatar
AZZAM12AZZAM
  • MEMBER
  • 86 POSTS
thank you Joe am not sure how or from where should I start to turn all added aftermarket components off but i will do my best. if you got a thought where should i first start let me know please.
i have Ancel AD310 OBD2 Code Reader i hooked it today after scanning i got these
control module:
$ 7E8:ENGINE
$7E9:A/T
$7ED
when i chose read codes it says no code found any idea what dose it mean and you think my problems is electric and nothing to do with the engine so far.
thank you Joe and happy new year!
Dec 28, 2019 at 2:26 PM
Avatar
JACOBANDNICKOLAS
  • CERTIFIED EXPERT
  • 110,175 POSTS
The items listed are usually relevant to specifics. However, the idea there are no codes, that tells me it isn't something that is related to the vehicle's original equipment.

I am so sorry, but I have no idea where to start turning things off that are after market. Based on what you sent, there is a lot of things added. I would have to be there and start tracing wiring to see what goes to where. See if you can find where the original power supply begins to the aftermarket components.

Let me know what you find and I wish you a happy new year as well.

Take care,
Joe
Dec 28, 2019 at 7:56 PM
Avatar
AZZAM12AZZAM
  • MEMBER
  • 86 POSTS
thank you very much Mr. Joe.

today I got this from obd reader Ancel what does it mean and where I can find it (if there is pic will be very helpful).I tried to look in Google and YouTube I was confused. how can I fixed it? do you think this might be the problem? at this point I am trying to avoid taking it to the Ford agent unless if I have to.
your help highly appreciated.
thanks a lot.
Dec 29, 2019 at 11:15 AM
Avatar
JACOBANDNICKOLAS
  • CERTIFIED EXPERT
  • 110,175 POSTS
Hi,

I need to confirm the engine size. You indicated it is a 6.0L. That wasn't offered. Is it the 6.8L V10?

As far as the code, the intake air temp sensor If the engine isn't as l listed, then it is a diesel. I need to know.

Here are possible causes for the code:

P0112
Symptom/DTC
P0112
Descriptor
Intake Air Temperature (Iat) Sensor 1 Circuit Low
Probable Causes
Harness Connection Incorrect
Harness Grounded Circuit
Intake Air Temperature (IAT) Sensor Damage
I attached a picture of location. It should be the same location for either engine.
Dec 29, 2019 at 6:00 PM
Avatar
AZZAM12AZZAM
  • MEMBER
  • 86 POSTS
thank you very much Mr. Joe for trying to help.
today I have decide ship my car to body shop since now I knew where is the problem. i hope the problem stops there.
thank you very much for your time and help and off course to this wonderful website and all its staff how voluntary trying to help others with their experience and knowledge.
Dec 30, 2019 at 3:23 PM
Avatar
AZZAM12AZZAM
  • MEMBER
  • 86 POSTS
picture.
Dec 30, 2019 at 3:24 PM
Avatar
JACOBANDNICKOLAS
  • CERTIFIED EXPERT
  • 110,175 POSTS
You are very welcome. If you have the chance, let me know what you find out is the cause.

Take care and have a great new year.

Joe
Dec 30, 2019 at 11:15 PM
Avatar
AZZAM12AZZAM
  • MEMBER
  • 86 POSTS
hi joe I hope you had a wonderful new year
today I got my car they informed the clean the computer cables intake sensor find tow wires cut and the starter fuse was little lose it start fine so far even the I have cylinder no 1 50 percent function and no 8 not function I have white smoke comes from the exhaust but not to much am thinking to drive the car 300km after I add liquid to the full tank hopefully it helps do you recommend any
you are right the told me it is 6.4 v8 diesel
best regards & thanks for asking
Jan 5, 2020 at 1:41 PM
Avatar
JACOBANDNICKOLAS
  • CERTIFIED EXPERT
  • 110,175 POSTS
Hi,

White smoke usually indicates coolant is getting into the combustion chamber. When you say cylinder number 1 is 50%, are you saying it has only 50% of the compression of the others? Also, cylinder 8 has no compression?

Let me know. Also, I hope you had a good holiday as well.

Joe
Jan 5, 2020 at 6:57 PM
Avatar
AZZAM12AZZAM
  • MEMBER
  • 86 POSTS
Hi Joe,

yes, cylinder number one it is 50% compression from the other cylinder number eight no compression or 80% no compression. I drove the car it seems running smooth, gear changing good, heat normal except the white smoke when I step on the gas and accelerates fine.
thanks a lot.
Jan 6, 2020 at 1:33 PM
Avatar
JACOBANDNICKOLAS
  • CERTIFIED EXPERT
  • 110,175 POSTS
If you have no compression in cylinder 8, you must have a valve stuck open or a hole in the piston. Even a bad head gasket would provide some compression when testing. However, if you have 0 compression on cyl 8, I can't understand how it is running smoothly. You feel no misfire?

Is it possible for you to record the smoke issue and upload it for me to see?

Let me know.

Joe
Jan 6, 2020 at 8:09 PM
Avatar
AZZAM12AZZAM
  • MEMBER
  • 86 POSTS
Thanks Joe.

today I took the car to the official Ford dealer they have offered full inspection for $120.00 which I thought reasonable price. they will inspected next Tuesday and tell me what is the problem I how much it will cost. I will let know for the result and the cost and will discuss it with you if you don't mind.
I relay appreciate trying to help million. thanks Joe.
AZZAM AL-HARBI
Jan 7, 2020 at 12:30 PM
Avatar
JACOBANDNICKOLAS
  • CERTIFIED EXPERT
  • 110,175 POSTS
Listen, my friend, feel free to ask as many questions as you want. If I can help, I will. I have to be honest, if the engine is running smooth, I suspect the compression is good. However, you indicated the two cylinders are a concern. I would think you would have a misfire and it wouldn't be smooth. I'm interested in knowing what they find.

Let me know what you find.

Tale care.
Joe
Jan 7, 2020 at 7:43 PM
Avatar
AZZAM12AZZAM
  • MEMBER
  • 86 POSTS
Hi Mr. Joe I hope you are fine.

Today I got this from dealer. they said they have to open engine and one of them ask me to think about buying a used engine (by the way they told me its 6.0 v8 diesel). they charge too much for that even though I have noticed cylinder number 8 which I had earlier is not listed which means it function (I think).
am not sure what should I do what a maize me as I said before the car runs just fine a drove it every thing was okay accept the white smoke and engine little bit noisy .( and if you can do me a favor where I can find used engine if I decide to take this action and how much approximately cost)
Thanks a lot Joe.
Jan 18, 2020 at 1:21 PM
Avatar
JACOBANDNICKOLAS
  • CERTIFIED EXPERT
  • 110,175 POSTS
Hi,

I would be happy to help, but I'm not sure where you are located. I assume they want to take it apart because of the compression issue. Like I mentioned, if there is no compression, then you have either a bent valve (stuck open) or a hole in the piston. If it was just a head gasket, you would have some compression.

As far as the engine, not knowing where you are located makes it difficult for me. I did check quickly and found them starting around $3,000.00 USD. You can get a re-manufactured one for $7,000.00 USD. Either way, it's a lot of money.

Let me know if I can help, and other than this issue, I hope all is well.

Take care,
Joe
Jan 18, 2020 at 5:19 PM
Avatar
AZZAM12AZZAM
  • MEMBER
  • 86 POSTS
Hi Joe, am sorry I thought that show from mailing where it comes from. I am in Saudi Arabia (Riyadh) I tried to send copy of the computer result from the dealer with my last chat. I am not sure if you received it. I will send it now. I hope I succeed don't know why it does not appear.
Thanks Joe
Jan 18, 2020 at 5:55 PM
Avatar
JACOBANDNICKOLAS
  • CERTIFIED EXPERT
  • 110,175 POSTS
Not a problem. I'm not sure where you can get an engine there. I am in the US and they are very popular, so it isn't hard to find. I will take a look at what you send and see if I feel there is a less expensive fix.

Take care of yourself.

Joe
Jan 18, 2020 at 5:59 PM
Avatar
AZZAM12AZZAM
  • MEMBER
  • 86 POSTS
Thanks Joe. I will wait for your opinion at your convenient time.
take care,
Azzam
Jan 19, 2020 at 11:06 AM
Avatar
JACOBANDNICKOLAS
  • CERTIFIED EXPERT
  • 110,175 POSTS
Did you send the pics? I still haven't received anything. Hope all is well.

Joe
Jan 19, 2020 at 8:07 PM
Avatar
AZZAM12AZZAM
  • MEMBER
  • 86 POSTS
Hi Joe.
Jan 20, 2020 at 12:23 PM
Avatar
AZZAM12AZZAM
  • MEMBER
  • 86 POSTS
I tried to send the picture it upload fine, but doesn't upper with my replay. I don't know why. is there other way to send it?
Jan 20, 2020 at 12:29 PM
Avatar
AZZAM12AZZAM
  • MEMBER
  • 86 POSTS
this is one more try. I hope I succeed.
Jan 20, 2020 at 12:32 PM
Avatar
AZZAM12AZZAM
  • MEMBER
  • 86 POSTS
okay, good. it was my mistake. sorry
Jan 20, 2020 at 12:34 PM
Avatar
JACOBANDNICKOLAS
  • CERTIFIED EXPERT
  • 110,175 POSTS
No problem whatsoever. The compression is the issue. The only way to check is to take things apart (remove heads). The idea that it has 0 psi in cylinder 8 is either a valve stuck open or a hole in the piston. I'm really surprised it runs smoothly for you. I would suspect a very rough running vehicle.

Joe
Jan 20, 2020 at 7:47 PM
Avatar
AZZAM12AZZAM
  • MEMBER
  • 86 POSTS
Thanks Joe, in this case should I think about replacing the engine or as I understood the problem in cylinder 8 only which should be fixed and other cylinders works fine. There is no other problems in the engine especially. it runs okay the heat in normal position. also I checked oil it was normal because Ford dealer they said that too they have to open the engine to check the problem which will cost about ($1,400.00) and tell me what they found out and cost of spare parts should be replaced. I was little bit worried to take this action because (I don't like surprises) if they have to do a lot of replacement. even though they said they will deduct the above amount from the total cost I am not sure what should I do if the problem changing one cylinder only it is okay with me. from what you see do you think I have big engine problem? Even though I understand from the little information I provided you may be hard to say but some times way really in our feelings in life.
Thanks for your help Joe.
Jan 21, 2020 at 2:16 PM
Avatar
JACOBANDNICKOLAS
  • CERTIFIED EXPERT
  • 110,175 POSTS
I have to be honest, there is a good chance it will be a major repair. However, one doesn't know until it is take apart. Can you confirm one more time for me the engine size? If you look below, I attached the options that were offered in 2010 and the 6.0L diesel isn't mentioned. The 6.4L, the one I circled, is the power-stroke diesel.

I need to confirm it so I can get you the correct directions for head removal. It is something you can most likely do yourself. That way you can save the inspection money and we can determine the problem.

If you look at picture 2, it indicates the labor time to charge for head gasket replacement. Let me know. If you can turn the wrenches, I can give you the directions.

Take care,
Joe
Jan 21, 2020 at 5:14 PM
Avatar
AZZAM12AZZAM
  • MEMBER
  • 86 POSTS
Hi Joe,

(major repair consist of what as far as you think)
I have been told it is 6.0 (I couldn't find any information on the engine) but I find this (vin)1FDXE4FP5ADA30421 I hope it helps.
am not sure about doing this myself (even though I liked the idea) which saves me good money unless if you tell me how you will guide me to see if I can catch up with you (frankly I don't have tools but I can mange that). otherwise might hire somebody for that still cheaper than the dealer. be kind enough to explain to me picture 2 it is not clear for me.
if I understand right to this point you will not take used engine as an option.
thanks Joe for your kindness.
Jan 22, 2020 at 3:10 PM
Avatar
JACOBANDNICKOLAS
  • CERTIFIED EXPERT
  • 110,175 POSTS
As far as the VIN you provided, the engine code is "5" which is a 6.0L power-stroke diesel. So I don't know why my manual isn't providing that info. The only thing I can think is it was different for export.

As far as head removal, all I have is for the 6.4. Guess what. I just figured out why I couldn't find it. You listed it as an F450. I believe it is an E450 which offers the 6.0L Diesel.

As far as major repairs, it could be a cracked or damaged cylinder head, block, bent valve, piston damage and so on which can mandate engine replacement. I feel bad not to provide a clear answer, but I don't know what to expect.

Here are the directions for total engine disassembly. It is extensive. I'm including everything. If it is only the heads that need removed, you will stop at that point. All attached pictures correlate with the directions.

________________________________________________

2010 Ford Truck E 450 V8-6.0L DSL Turbo
Engine - Disassembly
Vehicle Engine, Cooling and Exhaust Engine Service and Repair Overhaul Engine - Disassembly
ENGINE - DISASSEMBLY
303-01D Engine — 6.0L Diesel 2010 E-Series
DISASSEMBLY
Engine

Special Tool(s)
pic 1
209-00153 or equivalent
pic 2 6.0 Liter and 6.4 Liter Engine Stand Adapters
209-00154 or equivalent
pic 3 Dial Indicator Gauge with Holding Fixture
100-002 (TOOL-4201-C)
pic 4 Feeler Gauge Set
303-D027 (D81L-4201-A) or equivalent
pic 5 Lifting Bracket, Cylinder Head
303-759
pic 6 Release Tool, Injector Connector
303-1115
pic 7 Remover, Crankshaft Front Wear Ring
303-762
pic 8 Remover, High Pressure Supply Tube
303-1164
pic 9 Remover/Installer, Glow Plug Connector
303-1114
pic 10 Remover, Oil Seal
303-D060 (D86T-6701-B) or equivalent
pic 11 Service Set, Camshaft
303-017 (T65L-6250-A) or equivalent
pic 12 Slide Hammer
100-001 (T50T-100-A)
pic 13 Socket, Injection Pressure Regulator
303-1112
Material
Item Specification
Motorcraft® Metal Brake Parts Cleaner (US) / Motorcraft® Brake Parts Cleaner (Canada)
PM-4-A or PM-4-B (US); CPM-4 (Canada) —
Disassembly

NOTE: For additional information, refer to the exploded view under the Assembly procedure in this section.

Remove the engine. For additional information, refer to Engine in this section.
NOTE: RH shown, LH similar.

Remove the 8 bolts and the motor mount brackets.
pic 14
Mount the engine on the 2000 LB. Engine Stand with the 6.0 Liter and 6.4 Liter Engine Stand Adapters.
pic 15
Remove the 10 bolts and the flexplate.
Discard the bolts.
pic 16
Remove the nut and position the fuel tube support bracket aside.
pic 17
Remove the 2 stud bolts and thermostat housing.
Remove and discard the O-ring seal.
pic 18
Remove the LH cylinder head banjo bolt and fuel tube.
Discard the sealing washers.
pic 19
Remove the bolt and the accessory drive belt idler pulley.
pic 20
If equipped, remove the 2 bolts and serpentine belt tensioner.
Pic 21
Remove the 4 bolts and oil filter adapter.
pic 22
Remove and discard the O-ring seals from the oil filter base.
pic 23
NOTICE: In the event of a catastrophic engine failure, always install a new oil cooler. Foreign material cannot be removed from the oil cooler and engine damage may occur.

Remove the 10 bolts and the oil cooler assembly.
pic 24
If necessary, replace the oil cooler. For additional information, refer to Oil Cooler in the disassembly and assembly of subassemblies portion of this section.
Remove the oil pump inlet strainer.
Clean and inspect for tears and other damage.
pic 25
Remove the 3 bolts and the turbocharger heat shield.
pic 26
Using the Injection Pressure Regulator Socket, remove the Injection Pressure Regulator (IPR) valve.
pic 27
Remove the 8 bolts from the high-pressure oil pump cover.
pic 28
NOTE: To prevent engine damage, do not pry the high-pressure pump cover from the pump or damage to the cover can occur.

Use a thin gasket scraper to separate the cover from the crankcase at the rear cover seam. Remove the high-pressure oil pump cover.
Remove and discard the press-in-place gasket.
pic 29
Position the Dial Indicator Gauge with Holding Fixture and check the oil pump drive gear backlash.
pic 30
Remove the bolts on the high-pressure oil branch tube adapter.
pic 31
Remove the bolts and the high-pressure oil pump.
pic 32
Remove and discard the lower O-ring seals.
pic 33
Remove and discard the high-pressure oil pump O-ring seal.
pic 34
NOTICE: Do not pull on the wiring to remove the glow plug connector or damage may occur.

Using the Glow Plug Connector Remover/Installer, remove the glow plug harness.
pic 35
Remove the 8 glow plugs.
pic 36
Remove the protective covering from the LH cylinder head.
NOTE: Mark the location of the stud bolts.

Remove the 6 stud bolts, 5 bolts and the RH valve cover.
Clean and inspect the gaskets. Install a new gasket, if necessary.
Clean and inspect the sealing surfaces.
pic 37
Remove the high-pressure oil rail-to-valve cover gasket.
pic 38
Remove the 4 bolts and the coolant pump pulley.
pic 39
Remove the 4 bolts and the coolant pump.
Discard the O-ring seal.
pic 40
If equipped, remove the 3 bolts and the dual generator pulley.
pic 41
Check the crankshaft vibration damper runout.
Remove the paint from the face of the crankshaft vibration damper at 4 points, 90 degrees apart.
Attach the Dial Indicator Gauge with Holding Fixture to the cylinder block. Position the Dial Indicator Gauge with Holding Fixture on one of the unpainted surfaces.
Using a suitable tool, pry the crankshaft forward. Zero the Dial Indicator.
NOTE: Pry the crankshaft forward at the same point to eliminate possible error caused by crankshaft end play.

Rotate the crankshaft 90 degrees. Pry the crankshaft forward. Record the measurement. Repeat at each unpainted surface.
If the runout exceeds specification, install a new crankshaft vibration damper.
pic 42
image WARNING: Support the vibration damper during mounting bolt removal. The damper can slide off the nose of the crankshaft. Failure to follow this instruction may result in serious personal injury.

NOTICE: To prevent engine damage, always install new bolts when installing the vibration damper.

Remove the 4 bolts and the crankcase vibration damper.
Discard the bolts.
pic 43
Punch 2 holes in the crankshaft front seal.
pic 44
Using the Oil Seal Remover, remove the crankshaft front seal.
Discard the seal.
pic 45
NOTE: Production seals will not have a wear sleeve. If a service part has been installed, it will have a wear sleeve.

If equipped, remove and discard the crankshaft seal wear sleeve with the Crankshaft Front Wear Ring Remover.
pic 46
Remove the 5 bolts and the oil pump body.
Discard the O-ring seal.
pic 47
NOTE: Mark the front of each drive rotor for correct reassembly orientation.

Remove the inner and outer oil pump drive rotors.
pic 48
Remove the 17 bolts and engine front cover.
pic 49
NOTICE: Sealant is used where the crankcase and lower crankcase meet. Failure to cut the sealant may result in pulling the lower crankcase seal out and damaging it while removing the front cover gasket.

Use a thin-blade scraper to cut the sealant where the crankcase and the lower crankcase meet. Remove and discard the front cover gasket.
NOTICE: Use extreme care when removing the flywheel front adapter to prevent damage to the alignment dowel pin.

Remove the flywheel front adapter.
pic 50
NOTICE: To prevent engine damage, do not remove the rear primary crankshaft flange bolts under any circumstances. If the flange is removed and reinstalled, it will result in engine vibration and premature transmission component wear.

NOTICE: Drill only deep enough to penetrate the seal. Engine damage will occur if the seal is drilled too deep.

Using a center punch, mark a location for 2 holes 180 degrees apart, 9.53 mm (0.37 in) from the outer diameter of the crankshaft flange. Using a drill bit of the appropriate size for the Slide Hammer being used, drill a hole on each side of the crankshaft rear seal as shown. Drill the holes to a depth of 8.76 mm (0.34 in) to capture the metal case of the crankshaft seal as well as the wear ring.
pic 51
Using the 2 drilled holes, the Slide Hammer and a commercially available body dent puller attachment, walk the seal out of the rear cover by alternating from side to side to remove the crankshaft rear seal.
Discard the crankshaft rear seal.
pic 52
Clean and inspect the crankshaft sealing surface.
pic 53
NOTICE: To prevent engine damage, replace damaged or missing dowel pins before installing the engine rear cover.

Remove the 8 bolts from the engine rear cover.
pic 54
NOTICE: Sealant is used where the crankcase and the lower crankcase meet. Failure to cut the sealant may result in pulling the lower crankcase seal out and damaging it while removing the rear cover.

NOTE: A 139.7 mm (5.5 in) long thin-blade scraper is needed to properly cut the sealant.

Using a thin-blade scraper, cut the sealant where the crankcase and the lower crankcase meet.
pic 55
NOTICE: Sealant is used where the crankcase and the lower crankcase meet. Failure to cut the sealant may result in pulling the lower crankcase seal out and damaging it while removing the rear cover.

NOTE: A 139.7 mm (5.5 in) long thin-blade scraper is needed to properly cut the sealant.

Using a thin-blade scraper, cut the sealant where the crankcase and the lower crankcase meet. Remove the engine rear cover.
Remove and discard the press-in-place gasket.
Clean and inspect the sealing surfaces.
pic 56
Prior to removing the exhaust manifolds, inspect the exhaust manifolds for warpage with a feeler gauge between the manifold and cylinder head. Record the measurement and compare with the specification.
Remove the 8 bolts, 8 spacers and the RH exhaust manifold.
Discard the bolts.
pic 57
Remove the 8 bolts, 8 spacers and the LH exhaust manifold.
Discard the bolts.
pic 58
Disconnect the fuel injector electrical connectors.
pic 59
Remove the crankcase-to-head tubes.
pic 60
NOTE: Left cylinder head shown, right cylinder head similar.

NOTE: Do not remove the oil rail end plugs or acoustic wave attenuator port fitting. Service parts are not available to support these components.

Remove the 18 bolts and the high-pressure oil rails.
pic 61
NOTE: Use a shop towel and metal brake parts cleaner to remove the oil residue prior to removing.

If the crankcase-to-head tube separated, using the High Pressure Supply Tube Remover, remove the lower crankcase-to-head tube.
pic 62
Inspect the D-ring seals for damage (nicks, cuts and gouges). If damaged, replace the crankcase-to-head tube.
pic 63
Remove the port plug from the high-pressure oil rail.
Inspect the port plug O-ring seals for damage (nicks, cuts and gouges). If damaged, replace the port plug.
pic 64
NOTICE: Do not attempt to apply battery voltage to the fuel injector or damage to the fuel injector may occur.

Using the Injector Connector Release Tool, push the fuel injector electrical connectors out of the rocker arm carrier.
pic 65
Prior to removing the injector assembly, insert clean shop towels in the oil drain holes adjacent to each glow plug.
NOTICE: To prevent engine damage, do not use air tools when removing and installing the fuel injectors.

NOTE: There is no need to drain the fuel rail.

NOTE: If engine coolant is found in the combustion chambers, it may be necessary to install a new injector sleeve. For additional information, refer to Section 303-04D .

NOTE: The bolt is part of the fuel injector hold-down assembly.

Loosen the bolt and remove the bolt and fuel injector hold-down assembly and the fuel injector.
Remove and discard the O-ring seals and copper washer.
pic 66
Remove the shop towels.
NOTE: Left cylinder head shown, right cylinder head similar.

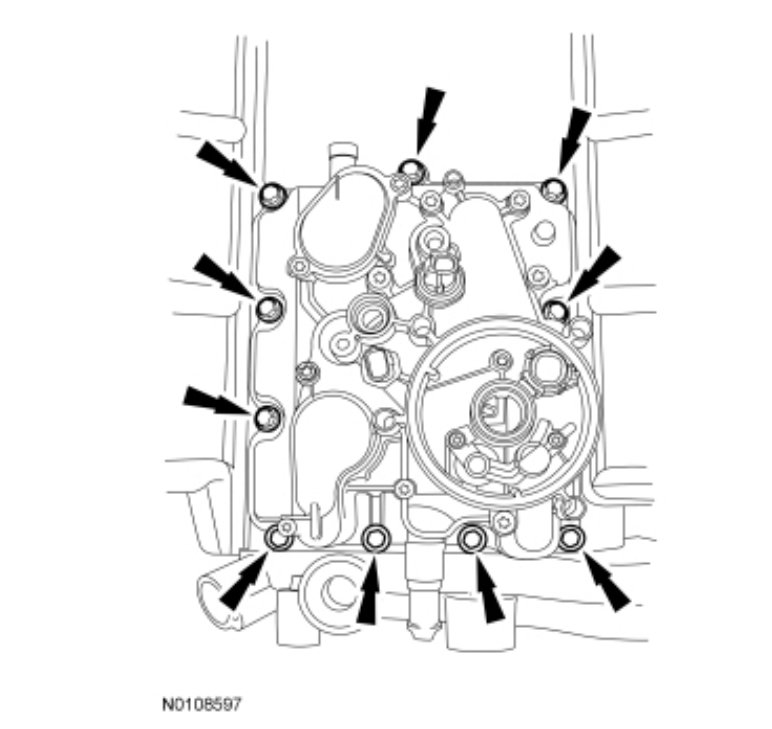
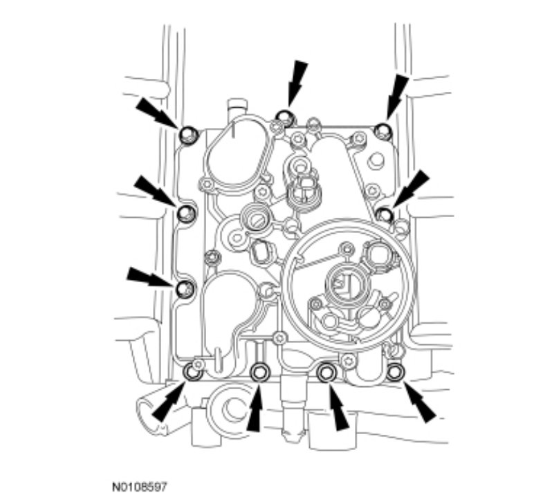
Remove and discard the 20 head bolts from both cylinder heads.
pic 67
Remove the 16 bolts and the rocker arm assemblies.
pic 68
NOTE: Left cylinder head shown, right cylinder head similar.

Remove the 4 bolts and the rocker arm carriers.
Remove and discard the press-in-place gaskets.
Clean and inspect the sealing surfaces.
pic 69
NOTE: Mark the location of the valve bridges before removing.

Remove the 16 valve bridges.
pic 70
NOTICE: To prevent engine damage, keep the push rods in the order in which they were removed. Install all push rods back in their original positions. The push rods are directional and the copper-coated end must be installed in the upward position where it will contact the rocker arm.

Mark and remove the 16 push rods.
pic 71
Remove the 10 outer head bolts.
pic 72
Using the Cylinder Head Lifting Bracket, remove the cylinder heads.
pic 73
Check for cylinder head distortion. For additional information, refer to Cylinder Head Distortion in this section.
Remove and discard the cylinder head gaskets.
pic 74
Remove and discard the 4 cylinder head dowel sleeves.
pic 75
Check the cylinder block distortion. For additional information, refer to Cylinder Block Distortion in this section.
Remove the bolts and the high-pressure oil branch tube.
pic 76
NOTICE: To prevent engine damage, keep the cam followers in the order in which they were removed. Install all cam followers back in their original positions.

Remove the 2 bolts, the roller follower guides and the hydraulic cam followers.
pic 77
Remove the 9 bolts and the upper oil pan.
Remove and discard the press-in-place gasket.
Clean and inspect the sealing surfaces.
pic 78
NOTE: Prior to removing any piston and connecting rod assemblies, it is recommended that piston protrusion be evaluated. This will help identify bent or twisted connecting rods.

Check the piston protrusion above the crankcase as follows:
Position the Dial Indicator Gauge with Holding Fixture.
Zero the Dial Indicator Gauge on the crankcase deck surface.
Position the Dial Indicator Gauge tip on the piston head at the 3 o'clock or 9 o'clock position.
Rotate the crankshaft to measure the maximum piston protrusion and record.
Reposition the Dial Indicator Gauge tip onto the piston head at the opposite position.
Rotate the crankshaft to measure the maximum piston protrusion and record.
Average the 2 readings. If the average reading is lower than the specification, the piston is lower in the bore than it should be. This indicates a bent or twisted connecting rod.
pic 79
Using a Feeler Gauge Set, check for the minimum connecting rod side clearance.
pic 80
NOTE: Only one connecting rod cap shown.

Remove the 16 bolts and the connecting rod caps.
pic 81
NOTICE: To prevent engine damage, remove the ridge prior to removing the rod and piston assemblies if evident from the top of the cylinder bore. This reduces the chance of piston ring land damage during removal.

Use a razor knife or emery board to scrape the carbon ridge from the top of the cylinder bore.
Using a wood or plastic hammer handle, push the connecting rod and piston assembly out of the cylinder bore.
pic 82
Remove and discard the piston rings.
Remove the keystone ring.
Remove the intermediate compression ring.
Remove the oil control ring.
pic 83
Remove and discard the connecting rod bearings.
pic 84
Install the Dial Indicator Gauge with Holding Fixture and measure the camshaft gear backlash. Install a new gear if backlash is not within specification.
pic 85
Install the Dial Indicator Gauge with Holding Fixture and measure the camshaft end play. Install a new camshaft thrust plate if end play is not within specification.
pic 86
NOTICE: To prevent engine damage, do not remove the rear primary crankshaft flange bolts under any circumstances. If the flange is removed and reinstalled, it will result in engine vibration and premature transmission component wear.

Install the Dial Indicator Gauge with Holding Fixture and measure the crankshaft end play. Record the end play.
pic 87
Remove the bolt and the Crankshaft Position (CKP) sensor.
pic 88
Remove the bolt and the Camshaft Position (CMP) sensor.
pic 89
Remove the block heater.
pic 90
Remove the 20 lower case bolts and the lower crankcase assembly.
pic 91
Remove the lower crankcase seals and the lower bearings and discard.
pic 92
Using the appropriate lifting device, remove the crankshaft assembly.
pic 93
Remove and discard the crankshaft upper bearings and crankshaft upper thrust bearing.
pic 94
NOTICE: Do not nick or scratch the camshaft bearings with the camshaft lobes or engine damage may occur.

Remove the 2 thrust plate mounting bolts and remove the camshaft and gear.
pic 95
NOTICE: This patch bolt is unique. Do not substitute or engine damage can occur.

Remove the 8 bolts and the 8 piston cooling tubes.
pic 96
Using the Camshaft Service Set, remove the camshaft bearings and discard.
pic 97

________________

Let me know if this helps.

Joe
Jan 22, 2020 at 8:58 PM
Avatar
AZZAM12AZZAM
  • MEMBER
  • 86 POSTS
Hi Mr. Joe,

I really cannot thank you enough for what you have sent and time you spent for sending me this information. I am really thankful.
honestly I don't know what to say or what to do. it is just bad luck because the car only had less than 60,000 miles on it and stored most of the years of its life.
I think it is better to buy used one but I don't know where to look if you feel this is better please let me know. I will go for it or if you ask me not to hurry I will consider that too.
God bless you.
Azzam
Jan 25, 2020 at 12:10 PM
Avatar
JACOBANDNICKOLAS
  • CERTIFIED EXPERT
  • 110,175 POSTS
Hi,

I'm hopeful that I helped. I wish I was there to better guide you. I'm not sure which way to go. If you take the engine apart, I can't be sure what you will find. Again, the idea that there is no compression in cylinder 8 indicates more than just a head gasket. Instead, something with a valve being stuck open or even a broken or damaged piston.

I suspect at this point, if you can afford to replace it, that would may be the best thing. I don't want you to take this one apart just to find it will cost more to repair than a replacement.

Listen, I am here if you need anything. It's a pleasure to help you. Let me know what you decide. If you want to replace the engine yourself, I can provide the directions for that as well.

Let me know.

Joe
Jan 25, 2020 at 7:27 PM
Avatar
AZZAM12AZZAM
  • MEMBER
  • 86 POSTS
Hi Mr. Joe thanks for your sympathy it is nice of you.

Am sorry to tell you today i had another problem while i was driving and stopped in traffic light i stepped in gas but car wont move. i put it in reverse also the same i looked under the car the drive shift is accelerating on d drive and reverse but the rear differential not responded. i don't know why or it is related to engine problem or it is separate. i called a tech to look at it tomorrow and i will tell you the result sorry.

(is there a sensor or cable or fuse related with differential and where it is located? if any the gear oil good because when I talked to a tech he said may be electric problem he will not confirm until he comes and check differential as well ) sorry again honestly am starting to feel shy from keeping you busy.
Best wishes Joe.
Azzam
Jan 26, 2020 at 3:40 PM
Avatar
JACOBANDNICKOLAS
  • CERTIFIED EXPERT
  • 110,175 POSTS
Hi,

I think you may want to consider getting rid of this vehicle. The rear differential is either a Dana 60 or Dana 70 and both are extremely solid units. I am concerned how the vehicle was cared for prior to you purchasing it.

If I had to guess, I would first check to see if the pinion flange nut came loose and is allowing the flange to move away from the differential and no longer making contact with the splines. Take a look at the attached picture. The drive shaft attaches to the round flange and then that flange is bolted to the differential. That may have come loose.

Is there any noise associated with this new issue?

Joe
Jan 26, 2020 at 6:24 PM
Avatar
AZZAM12AZZAM
  • MEMBER
  • 86 POSTS
Hi Mr. hoe I have been thinking of that too recently. these types of cars very complicated to fix what I liked about this car in first place is the box frame is all aluminum and solid and relay very comfortable to drive but as you know facts different than wishes may be I will look for spinster Mercedes or Fiat if I decided what I will do. I was avoiding to buy RV due it is over my budget also repairing such vehicle difficult due to its electronic , cables, equipment It has i have simple needs as an RV.
but any way thank very much for all what you have done to me I will check what you have send and let you know. thanks again Joe.
Azzam
(To answer your question no I did not hear any noise before)
Jan 27, 2020 at 2:43 PM
Avatar
JACOBANDNICKOLAS
  • CERTIFIED EXPERT
  • 110,175 POSTS
You are very welcome. Let me know how everything turns out for you.

Joe
Jan 27, 2020 at 8:26 PM
Avatar
AZZAM12AZZAM
  • MEMBER
  • 86 POSTS
Hi Mr. Joe, after tomorrow I have appointment to fix differential first impression from the tech who came to check the car in my house said could be small problem, but he has to open to see the problem. your advice I ask him to check the pinion flange first before he open .
is there fuse or cable related to the differential and where it is located if any? because another tech I talked to him by phone he said it could be electrical problem am not sure if he understand the problem right.

Thanks Joe
Jan 30, 2020 at 5:57 PM
Avatar
JACOBANDNICKOLAS
  • CERTIFIED EXPERT
  • 110,175 POSTS
Hi,

I'm not sure what he is talking about since there are no electronics in the differential. Did he specify what he was referring to? And there are no cables or fuses related to this. If the driveshaft is turning and is attached to the differential, something either came apart or has broken. It is a mechanical component.

Joe
Jan 30, 2020 at 7:10 PM
Avatar
AZZAM12AZZAM
  • MEMBER
  • 86 POSTS
Hi Joe,

Sorry for the trouble the other tech miss understood me he thought it is gear problem after I forwarded him your answer.

Jan 31, 2020 at 1:51 PM