I have recently noticed my brake lights have been not working?

2004 DODGE RAM
101,350 MILES • 5.7L • V8 • 4WD • AUTOMATIC
Avatar
COWTIT
  • MEMBER
  • 1 POST
I have recently noticed my brake lights have been not working?. I have read some post and hear people having problems when this happens. Just wondering where I should start to diagnose this problem? Brake switch I assume?
Apr 18, 2016 at 9:35 AM
Advertisement
Avatar
KASEKENNY
  • CERTIFIED EXPERT
  • 18,907 POSTS
If all the brake lights are out then yes, the switch is most likely the issue.

I attached below the process on how to test the switch and how to replace it as I am sure this is going to be your issue.

Here is a video on a different vehicle but they are all pretty similar so it should give a good idea on how to get it replaced:

https://www.youtube.com/watch?v=RBCDVfzNQGk

Please let us know what you find with this. Thanks
Mar 3, 2021 at 6:55 AM
Avatar
SCOT91
  • MEMBER
  • 3 POSTS
When i turn my head lights on my brake lights will not work. When i turn the head lights off they work. Now all of a sudden the drivers side tail light wont even come on. I have replaced the bulbs, both circuit boards on the tail lights also checked all the fuses. I cannot seem to find the problem.
Mar 17, 2021 at 6:22 PM (Merged)
Advertisement
Avatar
CARADIODOC
  • CERTIFIED EXPERT
  • 34,308 POSTS
Your first two sentences are the classic symptom of a broken ground wire. Start with a visual inspection of those wires. If we need to go further, do you know how to use a digital voltmeter?
Mar 17, 2021 at 6:22 PM (Merged)
Avatar
STEVE W.
  • CERTIFIED EXPERT
  • 15,113 POSTS
First thing to check is if you are getting power to the rear tail light. Pull it open and with the lights on check for power at pin one (white/yellow stripe wire) in the connector. If you have power check the connector inside to see if the actual connector is loose on the pin on the circuit board.
Since all of those lights share a ground it is likely to be a power feed issue. from the park lamp relay. If it is turning on (should be if all the other park/tail lights work) then it is in the wiring to the left tail light, either the pin is loose or the wire is bad.

Now for the brake lights, the only common items between the headlights and the brake lights (if nobody has played with the wiring) are the forward control module and the IPM.

To see if it may be the problem, check at the brake light switch for power on one terminal and not the other. Then turn on the lights. if the power goes away now it is the IPM or forward control module,
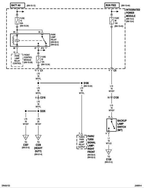
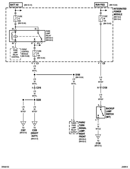
Below are the wiring schematics to give you the wire colors to test.

Mar 17, 2021 at 6:22 PM (Merged)
Avatar
SCOT91
  • MEMBER
  • 3 POSTS
I do have a voltmeter but im not familiar On using them. I do have a test light. But I took my test light and checked the pins on the connector on the tail light on the side it isnt working. The only thing isnt making my test light come on is the brake light. I had the key on the off position and tried the 4 way blinkers and they wouldnt work. Only way they would come on is if i turned the key to the on position. And what is the IPM?
Mar 17, 2021 at 6:22 PM (Merged)
Avatar
SCOT91
  • MEMBER
  • 3 POSTS
Ok on the side that wasnt working its working now i wiggled the connector and they started to work. On the passenger side taillight the middle bulb is bright and the top bulb is kinda dull. The drivers side looks normal. what would cause that? But i have no Brake lights now even when the lights are off.
Mar 17, 2021 at 6:22 PM (Merged)
Avatar
TURTLE1980
  • MEMBER
  • 6 POSTS
My truck listed above is a 1500. I checked the bulbs and all fuses . they were all still good. However, when I checked them same fuses with a test light i am not getting power to them in my fuse box. so I took the fuses back out and then touched the metal prongs in the fuse slot with my test light and got nothing. what could be the cause of me not getting power to those certain fuses?
Mar 17, 2021 at 6:22 PM (Merged)
Avatar
STEVE W.
  • CERTIFIED EXPERT
  • 15,113 POSTS
Here is a guide on the meter.
https://www.2carpros.com/articles/how-to-use-a-voltmeter

IPM is the integrated power module. Basically the fuse box and it's controls.

Wiggling the connector tells me you have either a weak connector pin or the wire is broken inside the connector. Both cause the same symptom. I would get a replacement pigtail and install it. That would repair both failure types at once.

4 ways not having power unless the key is on suggests the you may have an issue in the IPM, possibly a blown fuse or bad fuse connector.


Mar 17, 2021 at 6:22 PM (Merged)
Avatar
KASEKENNY
  • CERTIFIED EXPERT
  • 18,907 POSTS
I am not sure which fuses you are checking because the brake lights are controlled through the front control module. However, they are powered through a lighting fuse but so are the parking lights so if the brake lights/tail lights are the only thing not working then the fuse is okay. So let's check the front parking lights as well. If they are not working then you have an issue with the relay.

So, if you are not getting power to the fuse then the relay that is feeding these fuses is not okay.

Here is a guide that will help with testing the park lamp relay:

https://www.2carpros.com/articles/how-to-check-an-electrical-relay-and-wiring-control-circuit

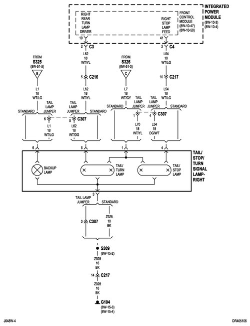
Below is the wiring diagrams that you will need to do this. Please run through this material and let me know what you find. Thanks
Mar 17, 2021 at 6:22 PM (Merged)
Avatar
HARBORMARINE
  • MEMBER
  • 1 POST
My brake lights are not working. I changed the bulbs and that is not the problem. All other tail lights work?
Mar 17, 2021 at 6:22 PM (Merged)
Avatar
JDL
  • CERTIFIED EXPERT
  • 16,098 POSTS
Does the high-mount brake lite work? If not check voltage to and from the brake switch. Brake switch should be activated by brake pedal arm. Pink wire is hot all the time. White wire goes hot when brake switch is activated.
Mar 17, 2021 at 6:22 PM (Merged)
Avatar
MADCOWSCARNIVAL
  • MEMBER
  • 5 POSTS
Electrical problem 6 cyl Four Wheel Drive Automatic 130000 miles

My brake lights quit working a few days ago. All other lights on the truck work. The cruise control works. The bulbs have been tested, they work, the brake controller (aftermarket) has been tested, it works. The brake switch was replaced twice. After that, I diagnosed the leads into the switch. There is NO constant hot into the switch (I believe there should be - pink wire w/ blue(I think) tracer). There is no power coming into the switch at all. I believe dodge sends the brake switch HOT through a multi function switch. Is there a diagram available for this that can be posted? Can the multi function switch be tested? It is a $110 part so I do not want to replace without being sure. The Chilton manual wiring schematics are worthless and very incomplete.

In addition the wiring schematic from the multi function switch to the fog lights would be appreciated, those have not functioned for several years. The lead that grounds out when activated, does not fully ground out (minimal voltage remains).

Vehicle, more specifically that above is a 1999 Ram 2500 Diesel. It is a half year vehicle in that it uses a brake switch from a 2000 Ram.
Mar 17, 2021 at 6:22 PM (Merged)
Avatar
JDL
  • CERTIFIED EXPERT
  • 16,098 POSTS
That is ignition feed, pink wire/dark blue tracer, to the brake switch, goes hot when you turn on the key, there is also a fuse, this info says fuse c 20 amp. If there is a junction where that feed comes from, other than the ignition switch.

Here are a couple of guides and diagrams (below) that will help you get the problem fixed.

https://www.2carpros.com/articles/how-to-check-a-car-fuse

and

https://www.2carpros.com/articles/how-to-use-a-test-light-circuit-tester

Please run some tests and get back to us we are interested to see what it is.
Mar 17, 2021 at 6:22 PM (Merged)
Avatar
MADCOWSCARNIVAL
  • MEMBER
  • 5 POSTS
Thanks but I need the internals of the switch and before the switch so I can check the power in and jump the switch as a test. Also, am I viewing the pictures the wrong way?

This is exactly what I'm looking for.
Mar 17, 2021 at 6:22 PM (Merged)
Avatar
JDL
  • CERTIFIED EXPERT
  • 16,098 POSTS
Hello again, after my morning coffee, I think the brake lights should work, even with the key off. I looked at a couple of databases on the diesel. I think that circuit should be hot all the time. The ignition switch shouldn't have anything to do with it.

The wiring diagram me and you both looked at, does show that fuse circuit goes hot, with the key on.
Mar 17, 2021 at 6:22 PM (Merged)
Avatar
MADCOWSCARNIVAL
  • MEMBER
  • 5 POSTS
jdl, thanks. I will take a close look at the most recent diagram. It definitely should be hot at all times (coming into the brake light switch). I don't think its necessarily the ignition switch that's a problem, I've seen several places that the lead runs through the multi-function switch, that's what I want to jump. However, it goes through another box between the multi-function switch and brake switch. That's what I need to figure out.
Mar 17, 2021 at 6:22 PM (Merged)
Avatar
JDL
  • CERTIFIED EXPERT
  • 16,098 POSTS


https://www.2carpros.com/forum/automotive_pictures/170934_better_diagram_1.jpg

Is that any better? The diagram I was looking at, I increased the magnification, before I copied, then posted. That fuse is located in the power distribution center.
Mar 17, 2021 at 6:22 PM (Merged)
Avatar
MADCOWSCARNIVAL
  • MEMBER
  • 5 POSTS
jdl,

Could you also post that same schematic for a 2000 Dodge (blown up in two parts). Some, not all of the wire colors correspond to what I have. The stop switch is most definately from a 2000 dodge though as my truck is some mid-year hybrid.

Also, if you can, where do you get these diagrams? If it is from a technical service manual, I'll happily get one of my own.
Mar 17, 2021 at 6:22 PM (Merged)
Avatar
JDL
  • CERTIFIED EXPERT
  • 16,098 POSTS


https://www.2carpros.com/forum/automotive_pictures/170934_better_better_diagram_1.jpg

I'm not sure that will help much. I was looking at a power distribution wiring diagram. There's more than one page. When I magnify a diagram, I have less of the diagram on the screen. I can only copy what the screen shows. If your county has a large local library, they should have automotive databases, if you live in a county that they serve, some of their databases, you can access from your home computer, for free. The database I was looking at, ebscohost database. A lot of libraries carry this database. They also carry Mitchel, but, you have to go to the library to access Mitchel.
Mar 17, 2021 at 6:22 PM (Merged)
Avatar
DRLEHR
  • MEMBER
  • 3 POSTS
I had that problem with my 2002 diesel 2500. Only the rear tail lights quit. Well The guy at sand lake repair store changed a fues and a relay under the hood.. cost me 45 bucks and it worked ok..

not sure what fuse or relay.. but it was all under the hood not in the cab.

I think the fuse was a 40 because I bought a spare and it is still there as an extra.. not quite a blade style.. but a funny colored fues resembeling monopoly houses stacked ontop of each other (green) with a clear window to see the fused metal on the inside..

Sorry Im not technical about this but it fixed my problem.

Damon.
Mar 17, 2021 at 6:22 PM (Merged)
Avatar
THISLUCKYDAD
  • MEMBER
  • 2 POSTS
on my 99 Dodge ram my brake lights are not working, the turn signals work, the running lights work, the hazard, the headlamps work, all the lights work except for the brake. I replaced the 20 amp fuse under the hood I replaced every other fuse or relay you can think of and the brake switching the pedal. I have no idea what it can be at this point.
Mar 17, 2021 at 6:22 PM (Merged)
Avatar
CARADIODOC
  • CERTIFIED EXPERT
  • 34,308 POSTS
Does the brake light over the rear window work? If not, check for voltage on the pink / dark blue wire on the brake light switch, then on the white / tan wire. The first one should have 12 volts all the time. The second one should have 12 volts when the brake pedal is pressed.

If the center high-mount brake light works, the brake light switch is okay. The suspect then is the turn signal switch.
Mar 17, 2021 at 6:22 PM (Merged)
Avatar
STRAILER
  • CERTIFIED EXPERT
  • 53,855 POSTS
Great addition to this thread! Please feel free to help out whenever you are on the site :)

Cheers, Ken
Mar 17, 2021 at 6:22 PM (Merged)
Avatar
THISLUCKYDAD
  • MEMBER
  • 2 POSTS
Thank you for getting back to me so quick it ended up actually being the brake switch, i replaced it but one of the pins on the inside was bent wrong. On the new switch so it did not work..... corrected the problem and it works great now thanks again for all your help
Mar 17, 2021 at 6:22 PM (Merged)
Avatar
CARADIODOC
  • CERTIFIED EXPERT
  • 34,308 POSTS
Dandy. Happy to hear it's solved.
Mar 17, 2021 at 6:22 PM (Merged)
Avatar
JORGECAS7
  • MEMBER
  • 1 POST
brake light not turning on
Mar 17, 2021 at 6:22 PM (Merged)
Avatar
JDL
  • CERTIFIED EXPERT
  • 16,098 POSTS
Does the high-mount brake lite work? If none of the brake lites work, check applicable fuse. Also, check voltage to and from the brake switch. In the diagram, the top wire is voltage to the brake switch, hot all the time. The bottom wire is voltage from the brake switch, when brake switch is activated. Note the diagram.
Mar 17, 2021 at 6:22 PM (Merged)
Avatar
PEGO
  • MEMBER
  • 5 POSTS
Whenever i applied my brakes it blows my brake light fuse change the switch still does it..any help please
Mar 17, 2021 at 6:23 PM (Merged)
Avatar
CARADIODOC
  • CERTIFIED EXPERT
  • 34,308 POSTS
If the fuse doesn't blow until you press the brake pedal, that proves the brake light switch is okay. Even if the switch was shorted, the symptom would be the brake lights stay on all the time. You have something shorted after the brake light switch. That is what we have to find.

Before you do anything else, check if there is a trailer wiring harness added on and if those wires are chewed up.

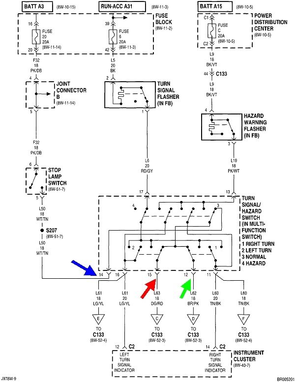
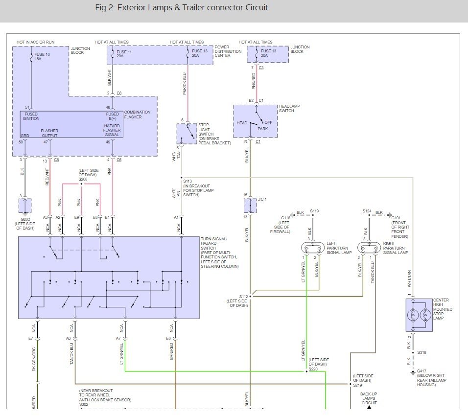
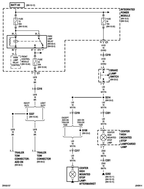
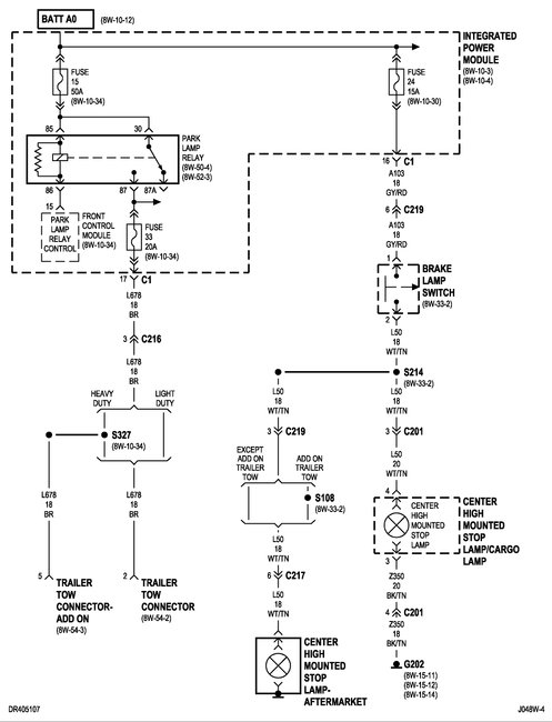
The first thing to do to narrow down which circuit needs to be diagnosed is to observe there are three separate circuits. There's the left rear brake light, the right rear brake light, and the center high-mount brake light. As luck would have it, the two rear brake lights are the same ones used for the turn signals. If either of those circuits are shorted, the turn signal fuse will blow when that side is activated. See if the signals work on both sides or if one side is dead.

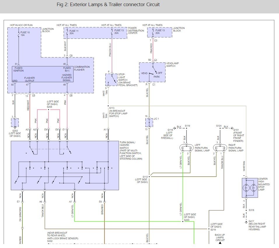
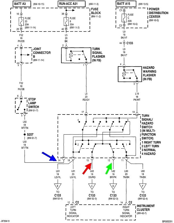
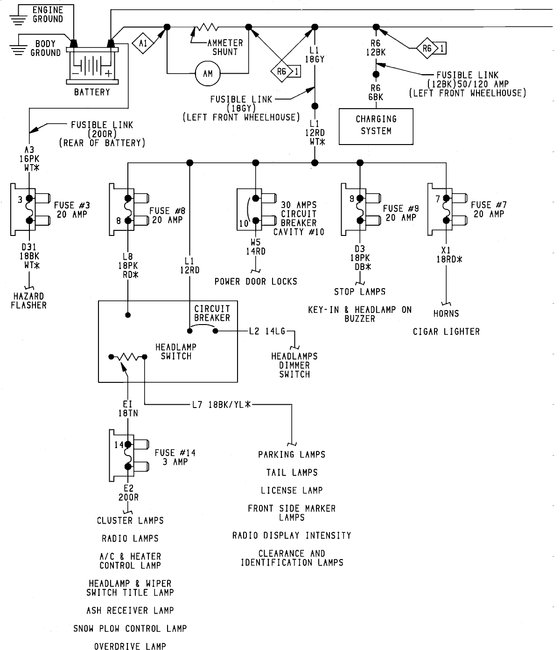
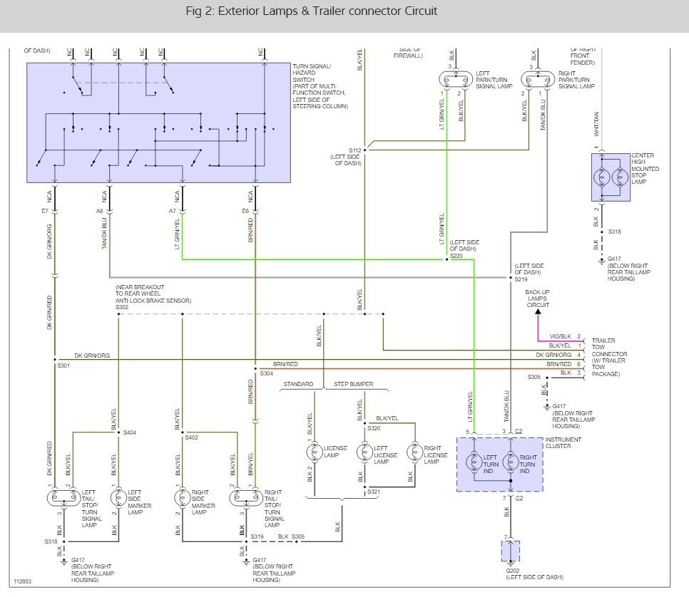
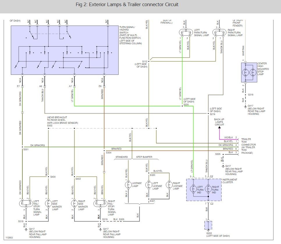
Once the shorted circuit is identified, it is too costly an ineffective to keep throwing new fuses at it. Instead, plug in a pair of universal crimp-type spade terminals in place of the blown fuse, then use a pair of small clip leads to connect them to a small 12-volt bulb. A 3057 brake light bulb works well for this type of circuit. The bulb will limit current to a safe one amp. When the circuit is turned on and the short is present, the bulb will be full brightness and hot, so be careful what it is laying against. Now you can move things around and unplug connectors to see what makes the short go away. When the short is out of the circuit, the bulb will go dim, and you may see the other brake lights turn on very dimly. The first drawing shows using the bulb in place of the fuse.

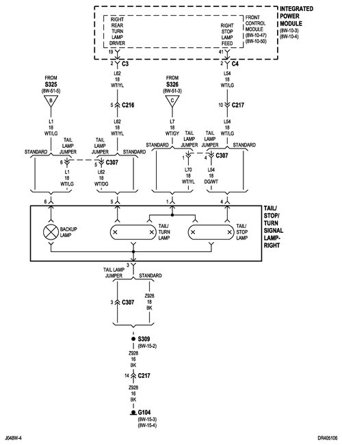
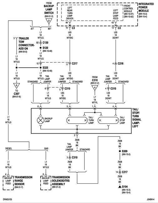
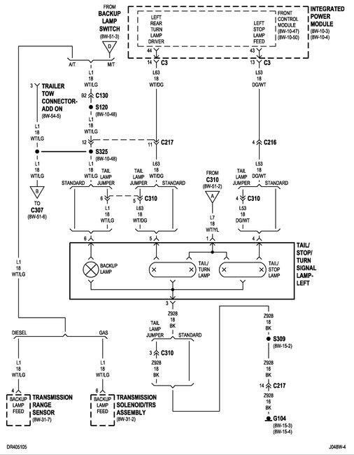
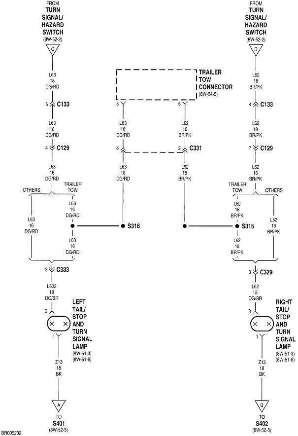
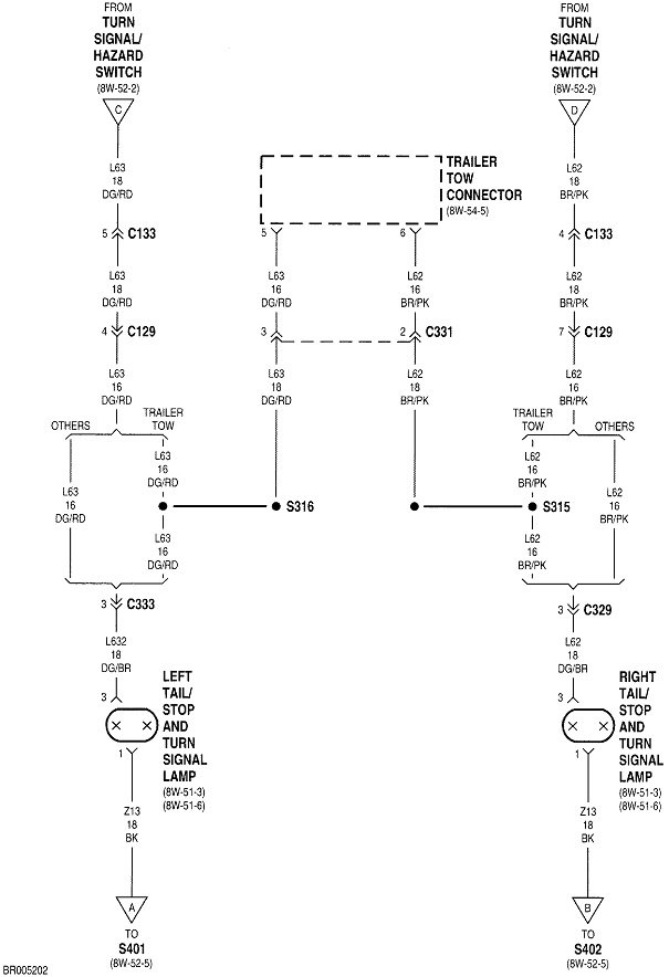
The second diagram shows the brake light switch. The short has to be someplace after the blue arrow. That circuit goes directly to the center high-mount brake light, but it has to go through the turn signal switch to get to the two rear brake lights. If you follow the white / tan wire to the right and up, it goes to terminal 14 of the turn signal switch. In the third diagram, the blue arrow shows terminal 14 again, and if you follow it around through the switch assembly, it comes out on terminals 15 and 12 when the switch is at rest. Those are the two individual rear brake light circuits. The triangles with "C" and "D" inside indicate the circuits are continued on the next diagram.

Diagram four continues those circuits to the rear brake light bulbs. These are the two circuits where the short has to be, or it is on the circuit going to the center high-mount light shown in the second diagram.

If you haven't identified which of the three circuits has the short, consider unplugging the connector from the back of the turn signal switch. There is usually a bolt to remove, then the plug can be pulled out. That will isolate the two rear brake / turn signal circuits from the fuse or test bulb. If the test bulb is only dim now when you press the brake pedal, the short is not in the circuit. You can put a new fuse in and observe the center brake light works properly.

Let me know what you find up to this point, then we'll figure out where to go next.
Mar 17, 2021 at 6:23 PM (Merged)
Avatar
PEGO
  • MEMBER
  • 5 POSTS
no brake lights. i tried everything a man can think of with no success.
Mar 17, 2021 at 6:23 PM (Merged)
Avatar
STRAILER
  • CERTIFIED EXPERT
  • 53,855 POSTS
Hello,

Please check out this guide:

https://www.2carpros.com/articles/brake-lights-not-working

Please run down this guide and report back.
Mar 17, 2021 at 6:23 PM (Merged)
Avatar
ERIN DEWOODY
  • MEMBER
  • 2 POSTS
The right and left brake lights on the truck do not work when the headlights are turned on (center brake light no problems). the running tail lights work until the brakes are applied.the trailer brake plug seems to work fine. When the headlights are turned off the brakes work fine. The fuses are fine the bulbs are new. Reverse lights do not get power at all.
Mar 17, 2021 at 6:23 PM (Merged)
Avatar
ASEMASTER6371
  • CERTIFIED EXPERT
  • 52,796 POSTS
Good morning,

I would check the bulbs and make sure they aren't in backward which would make the parking lights bright and the brake lights dim.

Check the sockets as they may be corroded with dirt. Clean them out to be sure.

Check the grounds to be sure they are clean and tight.

https://www.2carpros.com/articles/how-to-check-wiring

Roy

Mar 17, 2021 at 6:23 PM (Merged)
Avatar
ERIN DEWOODY
  • MEMBER
  • 2 POSTS
We have checked all that and those things are not the problem.
Mar 17, 2021 at 6:23 PM (Merged)
Avatar
ASEMASTER6371
  • CERTIFIED EXPERT
  • 52,796 POSTS
Then you need to go back over it as you missed something.

How did you check it and what were your results?

Roy
Mar 17, 2021 at 6:23 PM (Merged)
Avatar
MICHAEL PECORARO
  • MEMBER
  • 8 POSTS
headlights horn and brake lights do not work.
Mar 17, 2021 at 6:23 PM (Merged)
Avatar
STEVE W.
  • CERTIFIED EXPERT
  • 15,113 POSTS
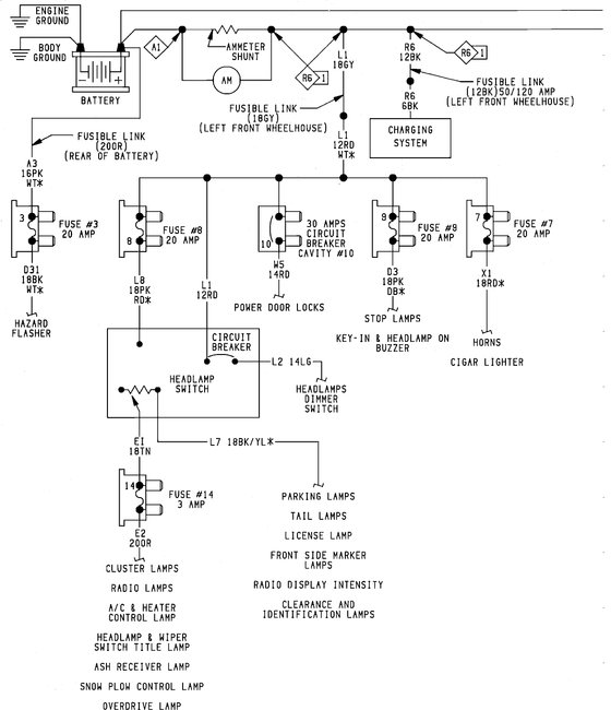
Take a look at the fusible link L1 If it is burnt/corroded you lose all of those or if the circuit has failed to it. Easy way to test if it is related to that is to check for power at fuses 7,8 and 9 as they are the system feeds for those items.
Mar 17, 2021 at 6:23 PM (Merged)
Avatar
SRKLEPPIN
  • MEMBER
  • 5 POSTS
I do not have any breaklights though, all my other lights work including the hazards. I replaced the break switch with no luck. I checked for power/ground over the four wire plug and get nothing, I do get continuity over the 2 wire plug from the break switch to ground. Just not sure what/where to check next.
Mar 17, 2021 at 6:23 PM (Merged)
Avatar
RANDICO
  • CERTIFIED EXPERT
  • 174 POSTS
The combination switch. Or the turn signal switch , the brake light signal goes from switch to turn signal switch to brake lights
Mar 17, 2021 at 6:23 PM (Merged)
Avatar
SRKLEPPIN
  • MEMBER
  • 5 POSTS
No power at all at the brake switch. Checked all the wires to ground from the switch.

four terminal plug
Blue/Red tracer - open to ground
White/Red tracer - open to ground
White - open to ground
Blue - open to ground

two terminal plug
Pink - no power - continuity to ground
White - no power - continuity to ground

removed the brake switch and rechecked with same results.

Would it matter if the turn signal works as well as the hazards and running lights?
Mar 17, 2021 at 6:23 PM (Merged)