Mar 17, 2021 at 6:23 PM
(Merged)
I have recently noticed my brake lights have been not working?
2004 DODGE RAM
Advertisement
first thing if the answer provided doesn't say expert below it then it is not formone of the mechanics on site here. if your turn signals work then it's not the multi function switch. if you don't have power on the pink or white wire that is your problem the pink lead is power for the brake light switch and comes form fuse 9 i am assuming this is a pickup and not a van. so check that fuse first if the fuse is good then you are shorting out or the wire is grounding out but if it's doing that it should blow the fuse. so it may be just a bad/poor connection at fuse box.or the wire has been cut and isn't grounding out. it should not have continuity to ground.also if you have cruise control that is a little different but pink is still the hot wire.
Advertisement
Thank you hmac. I will check the fusiblelinks. I removed the break switch and check for continuity on both pink and white - with break switch removed - and both are grounded.
Mar 17, 2021 at 6:23 PM
(Merged)
fusible links look good. Trying to trace the circuit but cant... don't have any idea what the six wires goto and my repair manual schematics are about worthless...
Mar 17, 2021 at 6:23 PM
(Merged)
check the links not they look good it may have lowvoltage going through them. six wires from what brake switch? i fyou would have sent correct info in first place then i could have sent correct harness drawing.
Mar 17, 2021 at 6:23 PM
(Merged)
My brake lights on my truck have stopped working.
I have replaced the bulbs, changed fuses in the fuse box none of witch have helped the problem.
Turn signals and rear lights work, so do reverse lights, just not brake lights and hazards.
Any help would be greatly appreciated.
See attached a picture of my fuse box.
I have replaced the bulbs, changed fuses in the fuse box none of witch have helped the problem.
Turn signals and rear lights work, so do reverse lights, just not brake lights and hazards.
Any help would be greatly appreciated.
See attached a picture of my fuse box.
Mar 17, 2021 at 6:23 PM
(Merged)
Never mind hmac300 (expert). I did post that it had six wires before your first reply. I appreciate your help but I have discovered that it is the turn signal switch that is bad, Randico had it pegged from the beginning.
Mar 17, 2021 at 6:23 PM
(Merged)
Using a voltmeter or at least a twelve volt test light check the voltage going into and out of the brake light switch for voltage with the brake pedal pressed down a few inches. It is usually found under the dash on the brake pedal.
Mar 17, 2021 at 6:23 PM
(Merged)
normally if your t/s switch goes you odn'thave an y turn signals either.
Mar 17, 2021 at 6:23 PM
(Merged)
No soon as i plug the brake wire to dwitch fuse blow every time
Mar 17, 2021 at 6:23 PM
(Merged)
Hi,
If I can jump in, if you blow the fuse as soon as you connect to the switch (brake pedal not depressed) then there is an issue at the switch. Inspect the switch for damage to the connectors as well as the plug. Also, check to see if there is continuity to ground via the black wire with a white tracer at the switch. Also, disconnect the switch and check for power from the black wire with a gray tracer. Next, with the switch disconnected, take a multi meter and see if there is continuity at the two terminals in the switch at all times. There should only be continuity when the switch is actuated.
To justify why I feel the problem is at the switch is this. As soon as you connect the brake light switch, you blow a fuse. Power isn't distributed until you depress the brake pedal. With that in mind, power should be present at the switch but that's it. It doesn't go anywhere until the switch is actuated. If it blew the fuse only when you press the brake pedal, then you would have a short after that point. I hope that makes sense.
I attached a pic of the two wires at the switch.
Let us know what you find or if you have other questions.
Joe
If I can jump in, if you blow the fuse as soon as you connect to the switch (brake pedal not depressed) then there is an issue at the switch. Inspect the switch for damage to the connectors as well as the plug. Also, check to see if there is continuity to ground via the black wire with a white tracer at the switch. Also, disconnect the switch and check for power from the black wire with a gray tracer. Next, with the switch disconnected, take a multi meter and see if there is continuity at the two terminals in the switch at all times. There should only be continuity when the switch is actuated.
To justify why I feel the problem is at the switch is this. As soon as you connect the brake light switch, you blow a fuse. Power isn't distributed until you depress the brake pedal. With that in mind, power should be present at the switch but that's it. It doesn't go anywhere until the switch is actuated. If it blew the fuse only when you press the brake pedal, then you would have a short after that point. I hope that makes sense.
I attached a pic of the two wires at the switch.
Let us know what you find or if you have other questions.
Joe
Mar 17, 2021 at 6:23 PM
(Merged)
Did as u said same result # 1 n # 6 wires has juice #1 is p ink n gray #6 is black n white well #1 has power constantly no switch #6 only has power if iput the ignition on ..check my wires again today all day oh man im wet i hate problem
Mar 17, 2021 at 6:23 PM
(Merged)
Man i blew one hundred fuses next move dy
Mar 17, 2021 at 6:23 PM
(Merged)
With switch plugged in button in all good let go button blow never stops..thanks for ur help brother..
Mar 17, 2021 at 6:23 PM
(Merged)
i have problem with a 1984 dodge ram that runs fine only problem brake lights don't work. I have already tested all other lights and they work fine. New bulbs, checked fuses, blinkers work, reverse lamps work, tail tights work. no brake lights when you press on the brake. replaced the brake switch thought it may be faulty, no change to the problem, still no brake lights.
Chased lines no noticable breaks and the lines look good. any other suggusetions would be greatly appreciated.
Chased lines no noticable breaks and the lines look good. any other suggusetions would be greatly appreciated.
Mar 17, 2021 at 6:23 PM
(Merged)
using a test light start at the brake switch and check for voltage on both wires the one going in from the fuse box and the one comming out. if ok then move to the brake light socket and check each one. If you have voltage when the brakes are put on but the lights not lighting when the brakes are put on then check for loose or a bad ground wires. If you don't have voltage comming from the brake light switch to the lights using a test light check to see if there is a broken wire.
Mar 17, 2021 at 6:23 PM
(Merged)
Hi guys. This is a duplicate post that I answered yesterday with a real lot more detail. The method of diagnosis is real simple by installing a small light bulb in place of the fuse. If you won't do that, you can't expect anything other than to go through hundreds of fuses and still have no idea what is causing the problem. You know with 100 percent certainty the next fuse is going to blow, and the next one, and the next one.
Also, as I pointed out, there are three individual brake light circuits; one for the left rear, one for the right rear, and one for the center high-mount brake light. Only two of those circuits go through the turn signal switch. You can tell if either or both rear circuits are okay by observing if that turn signal works. If a rear signal light works, that circuit can't be the one with the short. If neither signal works, expect one of those two rear circuits has the short, and the signal fuse is also blown.
You can also unplug the signal switch to isolate those two circuits, then, if the fuse still blows or the test bulb is bright, it has to be the center high-mount circuit that has the short.
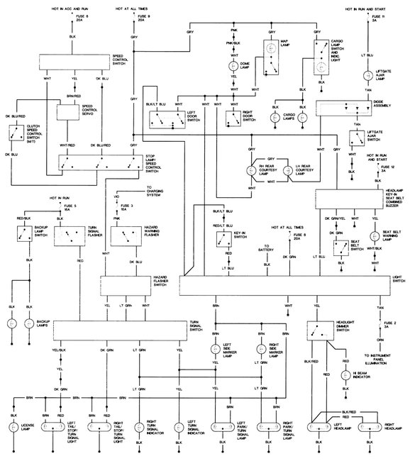
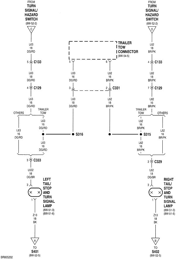
Here's the diagrams I used on the other question. The first one is just to clarify using the light bulb in place of the fuse. In the second one, the blue arrow shows the point after which the short has to be. The first of the three circuits goes straight down to the center high-mount light. The circuit going to the right goes to the signal switch and is continued on the next diagram. If you follow it around through the switch assembly, you'll see it comes out by the red and green arrows for the two rear circuits.
The best suspect is a damaged added-on trailer wiring harness. This used to be even more common on minivans after someone wrapped it around the hitch. Because they sat so low, driving up an incline, such as crossing a sidewalk to enter a driveway, would cause the hitch to almost hit the ground, and it would drag the harness across the ground. Another common suspect from the mid to late '90s was an added-on trailer harness from U-Haul that had three red LEDs on the connector to aid in telling if it was wired correctly. Those LEDs would short, creating the short that blows the fuse. I ran into about a half dozen of those at the dealership.
The fifth drawing is of the Power Distribution Center, (under-hood fuse box). The sixth drawing is for the "Junction Box", (inside fuse box). This appears to be of the back side showing the wire connections. Sorry that this is the only layout drawing I could find. You'll have to turn it around in your mind to identify the fuse locations. Both are yellow 20-amp fuses.
To add another chapter to this story, if the turn signal fuse is also blown, that would eliminate the center high-mount light circuit as a suspect as it is not part of the signal system. If this is what you find, put the light bulb in place of the signal fuse, then watch what happens when you turn the signal switch to the left or right. I'd be willing to bet you'll find the test bulb gets bright when you switch it one way, and dim when you switch it the other way.
Don't expect it to flash on the good side as there won't be enough current flow to make the heating element in the flasher get hot enough to make it switch. The test bulb will be dim, and depending on the style of flasher, you may see that rear signal light lit up very dimly if you look real close.
Without trying to confuse the issue too much, there's two styles of flasher. The type shown in the third diagram starts out switched on, and the signal bulb will turn on the instant the switch is turned to that side, then it turns off to start flashing. The other style, commonly used with trailers, starts out switched off, then when the signal switch is turned to one side, the light remains off for a fraction of a second until the flasher's heating element warms up, then it switches on to start flashing. This part of the story is totally irrelevant as far as system operation is concerned. I only thought to mention it to point out when the test bulb is in the circuit in place of the fuse, and the signal switch is turned on to a properly-working circuit, there is a fifty percent chance you will see the rear light glowing dimly and a fifty percent chance it will be off, so whether or not it is glowing can't be used for a clue. Half of the 12 volts is used up across the test bulb, (so it's dim), and the other half of the 12 volts is used up either across the rear signal bulb, (so it too is dim), or across the heating element in the flasher.
When you turn the signal switch the other way to the circuit that is shorted, the test bulb will be full brightness. In this case there may be enough current flow to make the flasher switch on and off. When it's switched on, the test bulb will limit current to a safe one amp. Whether the test bulb stays on steady, flashes too slowly, or flashes too fast is irrelevant. That test bulb will only turn on bright at times because there is a short in the circuit, so regardless if the bulb goes off or dim at times, you will still move things around and unplug things to see what makes the short go away. When you do that, the test bulb will go off or dim.
The one amp of current flow through the test bulb is for a common 3057 brake light bulb. I recommended that one because it has a base that is easy to connect small clip leads to. A head light bulb can also be used but they're more suited for high-current circuits like heater and radiator fan circuits. Typical head light bulbs allow around five to six amps to flow.
PEGO, be aware a lot of automotive electrical experts don't know about using a light bulb this way, so you are smarter now than a lot of the experts. I learned this at a class in the mid '70s when it was the only way to diagnose a new model of tv. Anything else would result in instantly shorting a very expensive transistor, then blowing a fuse. You're only blowing the fuse, but as with that tv, it still leaves you with no clue as to what is wrong, and no way to figure it out. By the way, if you need clip leads, you can find a pack of about a dozen of various colors at Harbor Freight Tools for around four dollars or less.
If it will help, I can add another chapter of how this trick helped me find two elusive shorts that others had given up on. The first one took less than three minutes to identify.
I'll let you fine fellows carry on. I'll pop back to dispense my wondrous advice if necessary.
Also, as I pointed out, there are three individual brake light circuits; one for the left rear, one for the right rear, and one for the center high-mount brake light. Only two of those circuits go through the turn signal switch. You can tell if either or both rear circuits are okay by observing if that turn signal works. If a rear signal light works, that circuit can't be the one with the short. If neither signal works, expect one of those two rear circuits has the short, and the signal fuse is also blown.
You can also unplug the signal switch to isolate those two circuits, then, if the fuse still blows or the test bulb is bright, it has to be the center high-mount circuit that has the short.
Here's the diagrams I used on the other question. The first one is just to clarify using the light bulb in place of the fuse. In the second one, the blue arrow shows the point after which the short has to be. The first of the three circuits goes straight down to the center high-mount light. The circuit going to the right goes to the signal switch and is continued on the next diagram. If you follow it around through the switch assembly, you'll see it comes out by the red and green arrows for the two rear circuits.
The best suspect is a damaged added-on trailer wiring harness. This used to be even more common on minivans after someone wrapped it around the hitch. Because they sat so low, driving up an incline, such as crossing a sidewalk to enter a driveway, would cause the hitch to almost hit the ground, and it would drag the harness across the ground. Another common suspect from the mid to late '90s was an added-on trailer harness from U-Haul that had three red LEDs on the connector to aid in telling if it was wired correctly. Those LEDs would short, creating the short that blows the fuse. I ran into about a half dozen of those at the dealership.
The fifth drawing is of the Power Distribution Center, (under-hood fuse box). The sixth drawing is for the "Junction Box", (inside fuse box). This appears to be of the back side showing the wire connections. Sorry that this is the only layout drawing I could find. You'll have to turn it around in your mind to identify the fuse locations. Both are yellow 20-amp fuses.
To add another chapter to this story, if the turn signal fuse is also blown, that would eliminate the center high-mount light circuit as a suspect as it is not part of the signal system. If this is what you find, put the light bulb in place of the signal fuse, then watch what happens when you turn the signal switch to the left or right. I'd be willing to bet you'll find the test bulb gets bright when you switch it one way, and dim when you switch it the other way.
Don't expect it to flash on the good side as there won't be enough current flow to make the heating element in the flasher get hot enough to make it switch. The test bulb will be dim, and depending on the style of flasher, you may see that rear signal light lit up very dimly if you look real close.
Without trying to confuse the issue too much, there's two styles of flasher. The type shown in the third diagram starts out switched on, and the signal bulb will turn on the instant the switch is turned to that side, then it turns off to start flashing. The other style, commonly used with trailers, starts out switched off, then when the signal switch is turned to one side, the light remains off for a fraction of a second until the flasher's heating element warms up, then it switches on to start flashing. This part of the story is totally irrelevant as far as system operation is concerned. I only thought to mention it to point out when the test bulb is in the circuit in place of the fuse, and the signal switch is turned on to a properly-working circuit, there is a fifty percent chance you will see the rear light glowing dimly and a fifty percent chance it will be off, so whether or not it is glowing can't be used for a clue. Half of the 12 volts is used up across the test bulb, (so it's dim), and the other half of the 12 volts is used up either across the rear signal bulb, (so it too is dim), or across the heating element in the flasher.
When you turn the signal switch the other way to the circuit that is shorted, the test bulb will be full brightness. In this case there may be enough current flow to make the flasher switch on and off. When it's switched on, the test bulb will limit current to a safe one amp. Whether the test bulb stays on steady, flashes too slowly, or flashes too fast is irrelevant. That test bulb will only turn on bright at times because there is a short in the circuit, so regardless if the bulb goes off or dim at times, you will still move things around and unplug things to see what makes the short go away. When you do that, the test bulb will go off or dim.
The one amp of current flow through the test bulb is for a common 3057 brake light bulb. I recommended that one because it has a base that is easy to connect small clip leads to. A head light bulb can also be used but they're more suited for high-current circuits like heater and radiator fan circuits. Typical head light bulbs allow around five to six amps to flow.
PEGO, be aware a lot of automotive electrical experts don't know about using a light bulb this way, so you are smarter now than a lot of the experts. I learned this at a class in the mid '70s when it was the only way to diagnose a new model of tv. Anything else would result in instantly shorting a very expensive transistor, then blowing a fuse. You're only blowing the fuse, but as with that tv, it still leaves you with no clue as to what is wrong, and no way to figure it out. By the way, if you need clip leads, you can find a pack of about a dozen of various colors at Harbor Freight Tools for around four dollars or less.
If it will help, I can add another chapter of how this trick helped me find two elusive shorts that others had given up on. The first one took less than three minutes to identify.
I'll let you fine fellows carry on. I'll pop back to dispense my wondrous advice if necessary.
Mar 17, 2021 at 6:23 PM
(Merged)
This is an old post so the problem might be solved already, but if not, the first thing to do is check if both signals work on the rear. It sounds like that was done already. That proves both of those circuits are okay after they leave the turn signal switch. The next best suspect would be the brake light switch, which has also been replaced already. Besides a break in a wire, which isn't common in the suspect areas, this is likely going to be caused by no 12 volts getting to the brake light switch, or there is a burned contact inside the signal switch. The brake light circuit feeds through the signal switch so that switch can break the circuit on one side and connect it to the flasher when it is activated.
There is one more thing to check that caught me by surprise many years ago. The hazard flasher circuit also runs through the signal switch. and since it flashes the brake light bulbs, it too breaks the circuit from the brake light switch. I found one where the hazard switch was stuck in between "on" and "off". It resulted in the turn signals still working properly but no brake lights.
There is one more thing to check that caught me by surprise many years ago. The hazard flasher circuit also runs through the signal switch. and since it flashes the brake light bulbs, it too breaks the circuit from the brake light switch. I found one where the hazard switch was stuck in between "on" and "off". It resulted in the turn signals still working properly but no brake lights.
Mar 17, 2021 at 6:23 PM
(Merged)









