Climate control panel (HVAC) is not working why?

2014 CHEVROLET SILVERADO
70,000 MILES • 5.3L • V8 • 2WD • AUTOMATIC
Avatar
BRUCE YARNELL
  • MEMBER
  • 4 POSTS
Have no lights on the climate control panel and it's not working no fan or heat or A/C.
Apr 2, 2019 at 11:34 PM
Advertisement
Avatar
JOETECHPRO
  • CERTIFIED EXPERT
  • 705 POSTS
Hey Bruce Yarnell,

Do you have automatic climate control ag. can you set the temperature?
Or do you have manual A/C, no specific temperature control?

You have nothing from the controls at all?

The first check would be to check fuses.

https://www.2carpros.com/articles/how-to-check-a-car-fuse

Please check all fuses in the under hood fuse box.

From the diagrams fuses 17,39,48,55,60,70 are for the HVAC

Most likely the power to the control unit is fuse 39, this would cause the panel to completely no function.

Hope this helps.

Regards, Joe
Apr 3, 2019 at 10:54 AM
Avatar
BRUCE YARNELL
  • MEMBER
  • 4 POSTS
Manual ac and no power at all to control , checked fuses but will recheck.
Apr 3, 2019 at 1:18 PM
Advertisement
Avatar
BRUCE YARNELL
  • MEMBER
  • 4 POSTS
Pulled these codes today from the BCM:
Apr 3, 2019 at 1:21 PM
Avatar
JOETECHPRO
  • CERTIFIED EXPERT
  • 705 POSTS
Hey Bruce Yarnell,

I have attached the wiring diagram below.

This is different from the diagram i was originally looking at.

The fuses are in the fuse panel on the left end of the dash.

Fuses 22 and 26.

22 is live with ignition on
26 is always live/constant feed

If fuses have power and are intact then you will nee to access the HVAC control module to check If you have power and ground there.

The HVAC control module is situated behind the glove box, it is remote from the dash controls.

If you do have power and ground but the unit is still not working you will need to replace the HVAC module.

Regards, Joe
Apr 3, 2019 at 3:17 PM
Avatar
JOETECHPRO
  • CERTIFIED EXPERT
  • 705 POSTS
Hey Bruce Yarnell,

If you need to check the power/ground at the HVAC control module.

When you remove the upper glove box you should see the HVAC module behind.

It has 4 connectors.

The Power/ground is in the 2nd connector.
Pin 8 black/white is the ground
Pin 1 red/violet is permanent 12V
Pin 9 violet/grey is ignition 12V

With the unit plugged in back probe using pin 8 as your ground, ignition on, check what you have on pins 8 and 9. You should have 12V, If you do then the A/C control module should be communicating. I would advise replacing the module.

You will need to reprogram the new module to the vehicle order, you will need a scanner with this function.

If you do not have 12V move your black lead from pin 8 and put it on a known good ground.

If you now have 12V then you have a ground issue.

If you don't have 12V power supply wiring issue.

Hope that helps.

Regards, Joe
Apr 3, 2019 at 4:07 PM
Avatar
WYLLOW
  • MEMBER
  • 1 POST
Lost control of mode and temperature. Fan control works fine. Replaced just the blend actuator. Worked for a few days, now back to no control of temperature or position.This is a manual control system.
Apr 30, 2021 at 4:13 PM (Merged)
Avatar
STRAILER
  • CERTIFIED EXPERT
  • 53,855 POSTS
Hello,

This sounds like the HVAC control head has stopped working but to confirm the failure letting make sure it is getting power and ground.

Here is a guide and some diagrams to help you run some easy tests:

https://www.2carpros.com/articles/how-to-use-a-test-light-circuit-tester

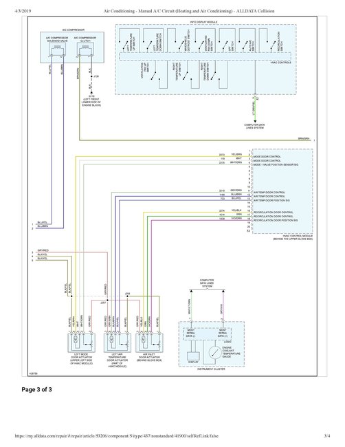
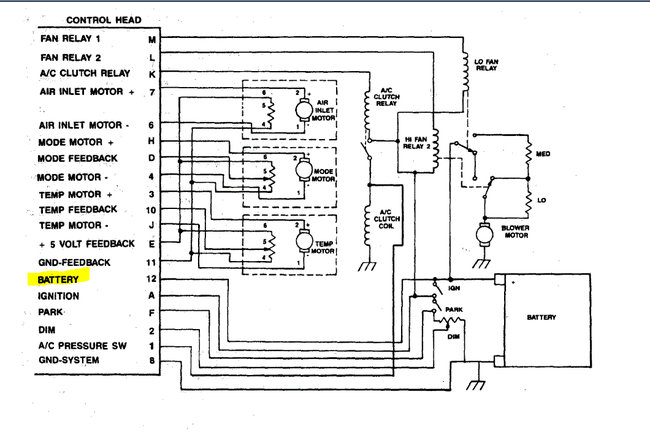
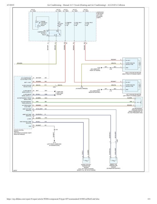
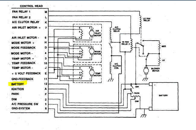
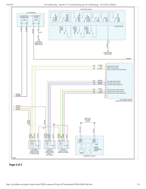
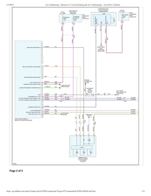
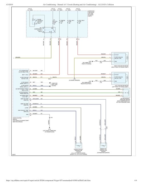
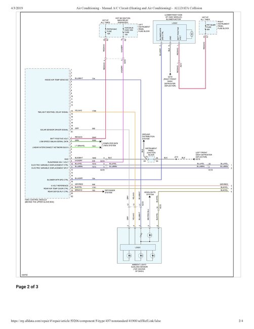
Here are some wiring and fuse panel diagrams along with the blend door actuator locations in case you need them. Check to see if the panel is getting power after checking the HVAC fuse. There are four fuses that run the system as you can see from the wiring diagram.

Check out the diagrams (below).

Let us know what happens and please upload pictures or videos of the problem.

Cheers, Ken
Apr 30, 2021 at 4:13 PM (Merged)
Avatar
DREW MATTHEWS
  • MEMBER
  • 1 POST
although the climate control buttons light up, none of them function. The display is permanently dark and climate control does not function whatsoever.
Apr 30, 2021 at 4:13 PM (Merged)
Avatar
ASEMASTER6371
  • CERTIFIED EXPERT
  • 52,796 POSTS
Good afternoon,

I attached the wiring diagram and the connector diagram for you of the unit.

There are 3 powers to the control that must be verified. There are 2 fuses that feed power to the unit.

https://www.2carpros.com/articles/how-to-check-wiring

https://www.2carpros.com/articles/how-to-check-a-car-fuse

Let me know when you are ready to do some testing.

Roy
Apr 30, 2021 at 4:13 PM (Merged)
Avatar
  • MEMBER
  • 1 POST
My dash lights will dim and or go out all together, then come back on. All the gauges always work and it does not effect my driving lights (outside of vehicle). Sometimes playing with the dash light brightness control will bring them back on. This also effects the radio lights too, yet the radio still works. My biggest issue is the temperature control, many times it will be dark and you can not control it at all. When it does come back on many times it will be at 60 degrees like it has reset or something. My air also is impacted and doesn't always work (blowing warm air), yet other times it works just fine. This morning on the way to work the dash lights were flickering and then all came on and worked fine. Any thoughts?
Apr 30, 2021 at 4:13 PM (Merged)
Avatar
STEVE W.
  • CERTIFIED EXPERT
  • 15,113 POSTS
Okay, that sounds more like an internal solder joint issue. Not uncommon after most companies switched away from lead based solder. The high tin stuff loves to fail. Do you notice it being better or worse if the temperature changes and causes the board to flex?
You could pull the init out and check the connections to it, It's very easy but don't do it when it is very cold, the entire trim panel just pulls off and if it's cold it can be more easily broken.
You tilt the steering wheel down as far as it will go, then gently start at one side and pull the panel off, there are multiple clips that hold it to the dash. Once it is off the control head comes off with 2 screws and clips.
One thing to do if you disconnect it would be that it needs to be calibrated. For this you simply re-install the parts, then remove the HVAC/ECAS fuse for 20 - 30 seconds. Re-install the fuse and start the truck. Don't touch the controls, the unit will re-calibrate in about a minute. You do this same thing if you put a replacement control unit in, just be sure the replacement matches the options your truck has.
It is possible to test the system further but it requires a scan tool to do much of it.
Apr 30, 2021 at 4:13 PM (Merged)
Avatar
ENGINEERFRED1
  • MEMBER
  • 1 POST
Had recently replaced control panel and had A/C serviced was working great. Last night was working fine when the panel went out and A/C stopped working no fan or controls. But I can tell the A/C compressor is still working or coming on. Checked fuses but they all checked out okay.
Apr 30, 2021 at 4:13 PM (Merged)
Avatar
ASEMASTER6371
  • CERTIFIED EXPERT
  • 52,796 POSTS
Good morning,

I attached a wiring diagram for you of the fuses as well as the control for power.

https://www.2carpros.com/articles/how-to-check-wiring

Check the fuses for power on both sides. This is not a visual test, it is a power test.

https://www.2carpros.com/articles/how-to-check-a-car-fuse

Check the pins I circled at the control unit. If you have power then the control unit is the failure.

Roy

1. Remove the instrument panel accessory trim plate.
2. Remove the screws from the HVAC control module.
3. Depress the control assembly retaining tabs and remove the HVAC control module from the instrument panel.
4. Disconnect the electrical connectors from the HVAC control module.
Apr 30, 2021 at 4:13 PM (Merged)
Avatar
TAWAS23
  • MEMBER
  • 35 POSTS
Having trouble finding out why my manual climate controller has no power only blower motor works. the rest is out pressing buttons on A/C nothing defrost nothing. upper/lower circulating button nothing. Fuses checked inside HVAC 1 good and heater/A/C good. Engine area fuse block checked havac/ecas good .please point me in a good direction also replaced in dash havac controller nothing..
Apr 30, 2021 at 4:13 PM (Merged)
Avatar
KASEKENNY
  • CERTIFIED EXPERT
  • 18,907 POSTS
Hi,

That is great that you checked these fuses. However, the HVAC/ECAS is the one that gives power to the controls. The HVAC 1 is your ignition feed which needs to operate as well so that is good that these fuses are intact, but we need to make sure we actually have power going through them.

If we have power on the load side of the fuse but we do not have power at the component, then you have a wiring issue. I would go to the back of the HVAC control module in the dash and see what voltage you have coming in on the orange wire. By what you are saying it sounds like you don't have power. If this is the case, I would just run a new wire from the fuse to the module. I would just cut the wire about 3 inches from each end and splice in a new wire and then retest it.

https://www.2carpros.com/articles/how-to-use-a-test-light-circuit-tester
Apr 30, 2021 at 4:13 PM (Merged)
Avatar
TAWAS23
  • MEMBER
  • 35 POSTS
Okay, sounds great, thank you, I will test first thing tomorrow that really helps I appreciate it .
Apr 30, 2021 at 4:13 PM (Merged)
Avatar
KASEKENNY
  • CERTIFIED EXPERT
  • 18,907 POSTS
you are welcome. Please let me know what you find. Thanks for using 2CarPros.
Apr 30, 2021 at 4:13 PM (Merged)
Avatar
CHASE6142001
  • MEMBER
  • 6 POSTS
The heater control on my truck just stopped working. the button lights come on when I flip truck lights on but screen is blank. I've replaced the relays, blower motor, resistor, control panel, and checked fuse everything is good. I've changed the plugs where they have melted but I cannot find the problem.
Apr 30, 2021 at 4:13 PM (Merged)
Avatar
TAWAS23
  • MEMBER
  • 35 POSTS
Okay, wanted to get back to you. I checked my power wires as the diagram you sent me and have no power to orange wire B7 highlighted. so should I run power to that just orange B7 wire like you stated? also no power to orange wire on blower side either but fan does work.both plugs have power to brown wires ignition 3 fuse. thanks for the help.
Apr 30, 2021 at 4:13 PM (Merged)
Avatar
JACOBANDNICKOLAS
  • CERTIFIED EXPERT
  • 110,175 POSTS
Hi,

By any chance, did you have the battery disconnected recently? Take a look at this TSB.

1991 Chevy Truck K 1500 Truck 4WD V8-350 5.7L
HVAC Control Head - Inoperative, No Display
Vehicle Heating and Air Conditioning Control Assembly Technical Service Bulletins HVAC Control Head - Inoperative, No Display
HVAC CONTROL HEAD - INOPERATIVE, NO DISPLAY
Number: 93-44-1A
Section: 1A
Date: NOV. 1992
Corporate Bulletin No.: 261210
ASE No.: A7

Subject:
HEATER VENTILATION AIR CONDITIONING (HVAC) CONTROL HEAD INOPERATIVE - NO DISPLAY

Model and Year:
1990-93 C/K TRUCKS

The HVAC control head on some 1990-93 model year C/K trucks may not illuminate when the vehicle is first started. This condition is much more likely to occur after a battery disconnect or control head replacement but may occur after any ignition cycle.

The condition is not permanent, it stems from the control head not receiving a correct signal when the ignition is turned on.

Recycling the ignition switch may bring the control head back to normal operation. If cycling the ignition does not work, disconnect and reconnect the battery making sure that a good electrical connection is maintained when reconnecting (avoid "chattering" the battery line).
_________________________


If that isn't the case, I need you to check for power to the control head. See pic 3 for the power supply. Also, pics 1 and 2 are relevant to the power supply (fuse). Reconfirm the fuse is good. If it is, confirm there is power in and out of the fuse.

______________________

Here are a few links you may find helpful:

https://www.2carpros.com/articles/how-a-car-fuse-works

https://www.2carpros.com/articles/how-to-check-a-car-fuse

https://www.2carpros.com/articles/how-to-use-a-test-light-circuit-tester

https://www.2carpros.com/articles/how-to-use-a-voltmeter

https://www.2carpros.com/articles/how-to-check-wiring

_______________________

Let me know what you find.
Joe
Apr 30, 2021 at 4:13 PM (Merged)
Avatar
KASEKENNY
  • CERTIFIED EXPERT
  • 18,907 POSTS
Okay. If you have now power on the orange wire, that is you B+ which gives the module power. You clearly need power there when it is turned on. Before you run power, just make sure you have power on both metal contacts on top of the fuse for that wire. If you have power on both sides, then I would clip the wire about 3 inches from that connector and run a new wire to about 3 inches from the other connector. Clearly, you want to make sure you have power on the wire from where you are clipping it on the fuse end, otherwise this would indicate the connector coming from the fuse box is the issue.

I drew on the diagram to give you an idea about what I am talking about.
Apr 30, 2021 at 4:13 PM (Merged)
Avatar
CHASE6142001
  • MEMBER
  • 6 POSTS
Well, the battery hasn't been disconnected since I got it and it would work then go blank then work and just do that over and over until it finally stopped. so I changed the control head thinking that was the issue but it wasn't.
Apr 30, 2021 at 4:13 PM (Merged)
Avatar
TAWAS23
  • MEMBER
  • 35 POSTS
Okay great. I did exactly what you said and ran a power wire from the havac/ecas fuse under the hood to a add a tap fuse wire and wired it into the orange B+ and have constant power now everything is now working like it should thank you very much for the help I really appreciate you taking time to lead me in the right direction. Thanks again it is nice having a honest go to place for issues we all need help with from time to time.
Apr 30, 2021 at 4:13 PM (Merged)
Avatar
JACOBANDNICKOLAS
  • CERTIFIED EXPERT
  • 110,175 POSTS
Are you getting power to the wire I indicated? Also, if there is power, check for continuity to ground in pin 8 (see schematic above). It's the last wire on the picture.

Let me know.
Joe
Apr 30, 2021 at 4:13 PM (Merged)
Avatar
MONTEB
  • MEMBER
  • 6 POSTS
electronic air conditioner/heater control module quit working. I have checked all relays and fuses and circuit breakers. I have traced out all wires and cannot find anything wrong. Do you have any ideas on the subject?
Apr 30, 2021 at 4:13 PM (Merged)
Avatar
CARADIODOC
  • CERTIFIED EXPERT
  • 34,308 POSTS
Failed HVAC Computer. Very common problem. If you do a search, you should find a number of places that repair and rebuild them. If you know what to look for, you might pop the covers off and look for broken solder connections.
Apr 30, 2021 at 4:13 PM (Merged)
Avatar
KASEKENNY
  • CERTIFIED EXPERT
  • 18,907 POSTS
Awesome! Good work.

Thanks for the update. That info will help others as well if they have a similar issue.

Glad to help. Please come back when you have more questions.
Apr 30, 2021 at 4:13 PM (Merged)
Avatar
CHASE6142001
  • MEMBER
  • 6 POSTS
I used my test light only power it was getting was from the brown wires.
Apr 30, 2021 at 4:13 PM (Merged)
Avatar
MONTEB
  • MEMBER
  • 6 POSTS
where is HVAC computer located and what does it look like on my truck?
Apr 30, 2021 at 4:13 PM (Merged)
Avatar
JACOBANDNICKOLAS
  • CERTIFIED EXPERT
  • 110,175 POSTS
Do you know the pin numbers the brown wires go to? Also, have you checked for ground?
Apr 30, 2021 at 4:13 PM (Merged)
Avatar
CARADIODOC
  • CERTIFIED EXPERT
  • 34,308 POSTS
It is about a 5" x 5" black plastic box. The front of it is the control panel.
Apr 30, 2021 at 4:13 PM (Merged)
Avatar
CHASE6142001
  • MEMBER
  • 6 POSTS
I don't remember the number and I couldn't find any grounds at the time when I was looking. it's been too cold and rainy to check recently.
Apr 30, 2021 at 4:13 PM (Merged)
Avatar
JACOBANDNICKOLAS
  • CERTIFIED EXPERT
  • 110,175 POSTS
Okay. You create your own ground with a test light, so power could be present. However, if the system ground doesn't work, it won't work. I need you to check specifically pin 8 for ground. If you have ground and you have power to the unit, chances are you got a bad part. Was it new or from a salvage yard?

Joe
Apr 30, 2021 at 4:13 PM (Merged)
Avatar
CYNDA R
  • MEMBER
  • 3 POSTS
Panel control went off the next time the truck was started, it worked but when i pushed the fan button to increase , it went black again. we checked the fuse and it looks okay. there is still heat coming out below. we had another control panel and put it in, but it doesn't work either. any suggestions what to try next?
Apr 30, 2021 at 4:13 PM (Merged)
Avatar
HARRY P
  • CERTIFIED EXPERT
  • 2,292 POSTS
If you raise the hood and look towards the back of the engine compartment, high up, near the firewall, there should be a fairly large bundle of wires. This harness has the power for that control unit. Start with simply jiggling it around a little bit while the key is turned on (engine not running) and the heat/AC is turned on. Have someone observe it to see if the power flickers on and off. If so, then you have a loose wire in that harness, which is somewhat common on older trucks. I'll get you a wiring diagram later on if necessary and we'll go from there. Go ahead and check like I said and report back here. I'll be online again later this evening. Good luck!
Apr 30, 2021 at 4:13 PM (Merged)
Avatar
CHASE6142001
  • MEMBER
  • 6 POSTS
I have a parts truck I got it out of but the one that was in it. never had an issue it would stop working I could wiggle wires behind the ash tray it would work again. I've heard that plug melts and it did but that isn't why it stopped because I fixed that after it fully quit and nothing.
Apr 30, 2021 at 4:13 PM (Merged)
Avatar
CYNDA R
  • MEMBER
  • 3 POSTS
We did try what you suggested worked perfect. thank you
Apr 30, 2021 at 4:13 PM (Merged)
Avatar
JACOBANDNICKOLAS
  • CERTIFIED EXPERT
  • 110,175 POSTS
I have seen that issue before. They are also known to have the printed circuit boards internally have solder joints crack and cause a failure. If you get a chance, check power and ground. If you have both, it should work. If it doesn't, I suspect it's bad.

Let me know if I can help in any way.

Joe
Apr 30, 2021 at 4:13 PM (Merged)
Avatar
CHASE6142001
  • MEMBER
  • 6 POSTS
Okay, thank you.
Apr 30, 2021 at 4:13 PM (Merged)
Avatar
GRAYDOG
  • MEMBER
  • 2 POSTS
My truck is a K1500 diesel. I recently acquired this truck, so I don't know the true history on it. I have replaced the AC control unit on the dash with a new unit from AC Delco. I have replaced all three actuators. Currently the AC almost works. The fan will blow on all three speeds as it should, MAX works, defrost will blow out the top of dash, AC will blow out the dash vents and heat blows out the floor vents. I have two problems with the control unit. The cold to hot button does not work. Instead of showing a single arrow, arrows are lit all the way across the display and will flash for about ten seconds. There is no way to adjust the temperature. Second problem, the button that allows a blended airflow between dash and floor vents doesn't work properly. If all air flow is coming through the dash, the position indicator has the arrow all the way at the top of the display. Press the button one time and the arrow steps all the way down to the bottom of the display. So it's all dash airflow or all floor air flow. It seems like there is some type of resistor or temperature sensor that's fried, but I have no clue what to check next. Any help would be appreciated. Thanks!
Apr 30, 2021 at 4:13 PM (Merged)