Climate control panel (HVAC) is not working why?

2014 CHEVROLET SILVERADO
70,000 MILES • 5.3L • V8 • 2WD • AUTOMATIC
Advertisement
Avatar
JACOBANDNICKOLAS
  • CERTIFIED EXPERT
  • 110,175 POSTS
welcome to right turn signal or brake to light up

i was able to find a technical service bulletin that really seems to mirror what you are experiencing. however, since the unit is new, i question it. regardless, the part may have been on the shelf awhile or the connector may be the issue. take a look through this tsb and let me know your thoughts.

a/c control head - flashes, operates erratically
group ref.: hvac

subject:
a/c control head flashes or erratic operation of a/c controls (polish terminals)

condition:

a/c control head flashes, performs erratically or malfunctions.

cause:

light surface corrosion on the control head terminals.

correction:

remove the a/c control head and while holding the unit with the terminal cavity down (toward the floor) so no particles will fall inside on the circuit boards, polish the terminals on both sides of the cavity with a lead pencil pink eraser. do not use an ink eraser or other abrasive such as a small wire brush or sandpaper, etc. doing so will remove the terminal coating and degrade the contact surface.

performing this procedure, in many cases, will make replacing the control head unnecessary. using this procedure in conjunction with the a/c circuit diagnosis found in the electrical diagnosis manual and especially before replacing a control head for any reason is recommended.

after polishing the control head terminals, but before reconnecting, check for proper terminal contact as described in the applicable electrical diagnosis manual. if contact is good, apply dielectric grease (p/n 12345579) to the harness connector terminals. please do not apply grease to the control head.

service parts information:

p/n description qty

12345579 dielectric from tube as
grease needed

parts are currently available from gmspo.

warranty information:

for vehicles repaired under warranty, use:

labor description labor time
operation

d0362 a/c control use published
assembly labor operation
replace time

check the connections and let me know what you find. also, ,make sure to use dielectric grease in the connections.

take care,

joe
Apr 30, 2021 at 4:13 PM (Merged)
Avatar
JACOBANDNICKOLAS
  • CERTIFIED EXPERT
  • 110,175 POSTS
Happy to help. Please let me know if I can help. Also, if you have the chance, make sure on the power and ground tests. Pull the plug and check those pins.

Joe
Apr 30, 2021 at 4:13 PM (Merged)
Advertisement
Avatar
GRAYDOG
  • MEMBER
  • 2 POSTS
Thank you Joe. The procedure you suggested helped some/temporarily. I used the erasure then the dielectric grease. The temperature indicator (arrows along the bottom) are showing up as a single arrow and I can adjust the position for the first 30 seconds. After 30 seconds, the arrows all come back and flash across the whole row. Any other suggestions for me to try? Thanks
Apr 30, 2021 at 4:14 PM (Merged)
Avatar
JACOBANDNICKOLAS
  • CERTIFIED EXPERT
  • 110,175 POSTS
Welcome back:

It could be the control head itself. Do me a favor (don't get mad), recheck what you did. Make sure there are no pins which are bent or pushed in. Since it has made a difference, it could be something that simple.

Most likely you want to slap me for that request, but honestly, it seems like that may be the issue. Since there was a change, I feel we are on the right track. When you have it apart, inspect the wiring too. Check to make sure nothing is rubbed through or loose at the plug.

If you are confident that isn't a possibility, let me know.

Joe
Apr 30, 2021 at 4:14 PM (Merged)
Avatar
90SILVERADO
  • MEMBER
  • 7 POSTS
The digital climate control panel has started to sporadically cut on and off. This started very recently, so it has only happened a couple of times. The first time it happened, the display went blank, and the fan stopped blowing. It stayed off until I got to my destination. Once I got to my destination, I turned the truck off, and when I turned the key back to the "on" position, the display was on, and the fan was running. It worked fine for a couple of days, and then it happened again. It did almost the same thing as the first time, only when the display went blank, there were various icons on the display that would flash, like it was trying to turn back on and couldn't. The fan also stopped this time as well. Another thing that was different is that a few moments after it went out, the display came back on by itself, and the fan began working. I do not know if there is a fuse for the climate control, or perhaps a relay. Where do I start checking this? Or do you think the climate control panel itself is going bad? Thanks!
Apr 30, 2021 at 4:14 PM (Merged)
Avatar
HMAC300
  • CERTIFIED EXPERT
  • 48,601 POSTS
it sounds like the panel is going bad but this also sounds like auto temp control
Apr 30, 2021 at 4:14 PM (Merged)
Avatar
90SILVERADO
  • MEMBER
  • 7 POSTS
When you say "auto temp control" are you talking about a "Auto" button that some vehicles have that allows the vehicle to control the climate based on the temperature setting? If so, my control panel does not have this function.

Are you aware of any external fuses or relays that could be the problem?
Apr 30, 2021 at 4:14 PM (Merged)
Avatar
HMAC300
  • CERTIFIED EXPERT
  • 48,601 POSTS
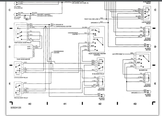
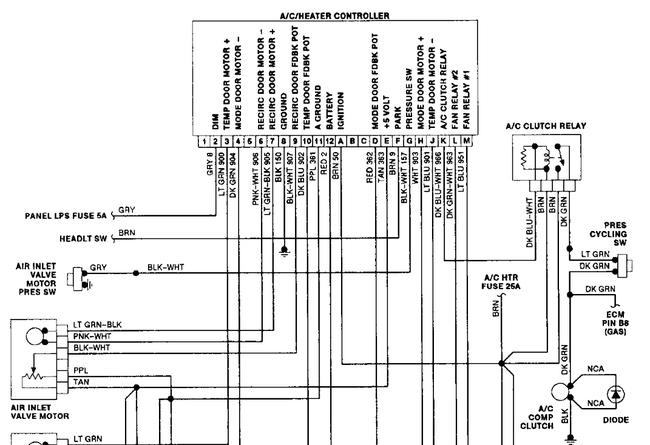
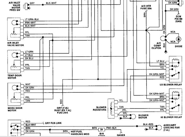
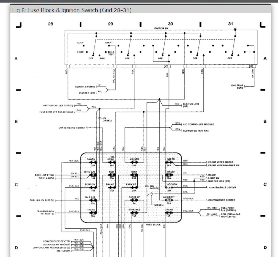
I looked up the harness for this and there are a few blower relays which I don't think are the problem. because you say the panel doesn't light up kind makes me think the control is bad i'll send the harness diagram it cold be the relay but I kind of doubt it being electronic it's probably something is bad in the unit itself or the wires leading to it may be melted and not making contact due to age. see pics for schematic.
Apr 30, 2021 at 4:14 PM (Merged)
Avatar
HOGKING
  • MEMBER
  • 3 POSTS
Started the truck one morning and the heater panel was dark, no functions worked. I checked all fuses, then I removed the panel and disconnected the plug. With the key on, I found 12 volts on three different pins on the connector. I ordered a new panel and installed it and the same thing panel is still dark.
What's Next?
Apr 30, 2021 at 4:14 PM (Merged)
Avatar
SERVICE WRITER
  • CERTIFIED EXPERT
  • 9,123 POSTS
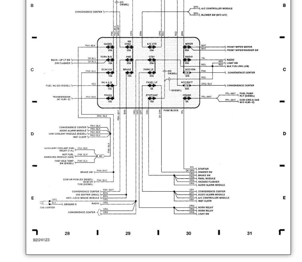
It sounds like the LPS fuse is out becasue that is what runs the system. Here is a guide and a wiring diagram so you can do some testing.

https://www.2carpros.com/articles/how-to-check-a-car-fuse

and

https://www.2carpros.com/articles/how-to-use-a-test-light-circuit-tester

Check the power and ground to the controller also check the heater fuse while you are at it. Here is the fuse panel and air conditioner wiring diagrams (below)

Please let us know what happens.

Cheers
Apr 30, 2021 at 4:14 PM (Merged)
Avatar
HOGKING
  • MEMBER
  • 3 POSTS
O man you nailed it the LPS fuse was blown I had no idea I should be checking that fuse you guys are the best and I love 2CarPros!

I will tell a friend!
Apr 30, 2021 at 4:14 PM (Merged)
Avatar
HARRY P
  • CERTIFIED EXPERT
  • 2,292 POSTS
Well let's go ahead and start a new thread here: https://www.2carpros.com/questions/new

Describe everything you've done in detail. This way, as a new question, all of the experts on here will be able to easily see the new thread and reply to it. They may have pertinent experience here.
Apr 30, 2021 at 4:14 PM (Merged)
Avatar
CYNDA R
  • MEMBER
  • 3 POSTS
We checked all of the fuses and they look okay. We opened the hood and jiggled all of the wires while the key was on (not the engine) so we could see if it was in the wires by observing inside to see if the power to the control box flickered on and off at anytime. No luck. We cannot locate where our LPS fuse is located. Here is a picture of out fuse box.
Apr 30, 2021 at 4:14 PM (Merged)
Avatar
WISE MAN
  • MEMBER
  • 1 POST
So this is what I found on my 1990 GMC. I have only found this 1 time on the internet. Remove glove box. Left of ecu. There is a 3 wire plug. On mine red green, black with a white tracer. The red wire was burnt and making poor contact and the plug was burnt. This also controls the radio circuit. If you move the wire harness under the dash you will see the dash control flicker or stay on. Any how repair the red wire and your issues should go away like mine did. I did not need a need dash control.
Apr 30, 2021 at 4:14 PM (Merged)
Avatar
STRAILER
  • CERTIFIED EXPERT
  • 53,855 POSTS
Excellent addition to this thread! Please feel free to help out whenever you are on the site :)
Apr 30, 2021 at 4:14 PM (Merged)
Avatar
CHRIS DENNIS
  • MEMBER
  • 1 POST
Just posting here to offer a suggestion. Mine went black after a long trip back from the beach. Just totally died without warning. Checked all the fuses, they were good, checked the red wire for constant battery power, checked the brown wire for switched 12 volts. Had both. Noticed on the back of HVAC unit where the plug plugs into, there is copper traces on a PCB. I am into arcade games and they have similar pins. These get dirty or corroded pretty easy and cause intermittent issues. I took a flat eraser and rubbed over the contacts on the back of the board. This cleans the contacts on the board. Blew the eraser remnants off with air and sprayed a little of Deoxit contact cleaner on the contacts and let it dry. Mine now works great again. Try this before you replace the module!
Apr 30, 2021 at 4:14 PM (Merged)
Avatar
DANNY L
  • CERTIFIED EXPERT
  • 5,648 POSTS
Thanks for the advice, Hopefully it will help someone. Thanks for using 2CarPros.
Danny-
Apr 30, 2021 at 4:14 PM (Merged)
Avatar
EAGLE001
  • MEMBER
  • 1 POST
I have a 1991 Silverado. After reading this article, I checked for fuse under the hood. I found a fusible link on the right hand side under a plastic cover on the front firewall had corroded and broke at the wire ending at the link. Thank you for this article. Without it I would have never found the problem. I have changed the control module twice to no avail and have been trying to figure out the problem for over a year now. Taking the fusible link out and splicing in a piece of wire has fixed the problem.
Apr 30, 2021 at 4:14 PM (Merged)
Avatar
DANNY L
  • CERTIFIED EXPERT
  • 5,648 POSTS
Hello, I'm Danny
Having a fusible link is there for a reason.When circuit is overloaded that link is designed to break to save the entire system from burning out.My suggestion is to get rid of your normal wire fix and replace with a fusible link once again.Hope this helps and thanks for using 2CarPros.

Danny-
Apr 30, 2021 at 4:14 PM (Merged)
Avatar
TEXASRUSH
  • MEMBER
  • 1 POST
WISEMAN... I want to thank you for posting your note about the RED wire. My 1990 was doing the same thing as yours and looked at that RED wire and it was corroded. I separated the wires, cleaned them with some 300 grit sand paper and put a little bit of PENETROX grease and it's working like new again... Again, thank you so much, your posting saved me hours of troubleshooting and/or hundreds of dollars for a mechanic to find it... Thomas-
Apr 30, 2021 at 4:14 PM (Merged)
Avatar
DANNY L
  • CERTIFIED EXPERT
  • 5,648 POSTS
Glad to help.
Please feel free to use our site again in the future.Thanks for using 2CarPros.

Danny-
Apr 30, 2021 at 4:14 PM (Merged)